Запчасти Case 300 (160) - WINCH ADAPTER PARTS (EARLY PRODUCTION), GEARMATIC WINCH (18) - ATTACHMENT ACCESSORIES

Схема запчастей Case 300 - (160) - WINCH ADAPTER PARTS (EARLY PRODUCTION), GEARMATIC WINCH (18) - ATTACHMENT ACCESSORIES
FIT
1:1
100%

Артикул

Название

Примечание

Количество

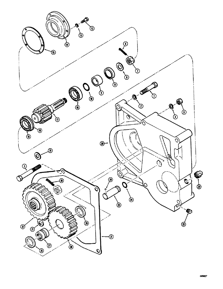
1

13-1248

BOLT,Hex, 3/4" - 10 x 3", Gr 5

2шт.

2

92-12

LOCK WASHER,3/4"

WASHER, LOCK, 3/4"

2шт.

3

14-1280

BOLT,Hex, 3/4" - 16 x 5", Gr 5

HHCS - 3/4" - 16 NF x 5"

4шт.

4

92-12

LOCK WASHER,3/4"

WASHER, LOCK, 3/4"

4шт.

5

25-1112

NUT,3/4"-16, G5

- hex. (3/4" - 16 NF)

4шт.

6

132-58

COTTER PIN

PIN - cotter, 1/8" dia. x 2-1/4"

1шт.

7

D38016

NUT

- hex., slotted (Special)

1шт.

8

D38015

WASHER - special

1шт.

9

D46288

SPACER - seal

1шт.

10

T13224

O-RING,1.484" ID x 1.762" OD x 0.139"

SEAL - "O" ring

1шт.

11

D37923

SEAL

- oil

1шт.

12

13-616

BOLT,Hex, 3/8" - 16 x 1", Gr 5, Full Thd

6шт.

13

92-6

LOCK WASHER,3/8"

6шт.

14

D46682

COVER - bearing retaining

1шт.

15

D46683

GASKET - cover

1шт.

16

B18215

BALL BEARING,1.5748" ID x 3.1496" OD x 0.7087"

BEARING - ball type

1шт.

17

D46292

GEAR AND SHAFT - P.T.O.

1шт.

18

A37733

BALL BEARING

BEARING - ball type, Includes: Ref. 19

1шт.

19

A28153

RING

SNAP RING - bearing retaining

1шт.

20

D46681

HOUSING - winch adapter (Use 1 - D46285 housing and 1 - D46293 ring for service - see Figure 162)

1шт.

21

D46294

GASKET SET - housing

1шт.

22

221-15

PLUG,Sq Hd, 3/4"-14

- pipe, square head (3/4" NPT)

1шт.

23

221-14

DRAIN PLUG,Sq Hd, 1/2"-14 NPTF

PLUG - pipe, square head (1/2" NPT)

1шт.

24

A30915

O-RING,0.139" Thk x 1.359" ID, -220, Cl 5, 75 Duro

SEAL - "O" ring

1шт.

25

D38008

PIN

SHAFT - idler gear

1шт.

26

D46289

SPACER - idler gear

2шт.

27

74634

ROLLER BEARING,1.625" ID x 2.1875" OD x 1.25"

- needle type

1шт.

28

D46291

GEAR - idler

1шт.

29

D38010

X

BALL - steel

1шт.

30

132-58

COTTER PIN

PIN - cotter, 1/8" dia. x 2-1/4"

1шт.

31

D46290

GEAR - pinion

1шт.

Выбрано товаров: 31