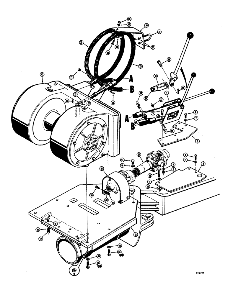
Запчасти Case 300 (174) - WINCH AND WINCH CONTROL LEVERS, SWEED WINCH (18) - ATTACHMENT ACCESSORIES

Схема запчастей Case 300 - (174) - WINCH AND WINCH CONTROL LEVERS, SWEED WINCH (18) - ATTACHMENT ACCESSORIES
FIT
1:1
100%

Артикул

Название

Примечание

Количество

1

REF

INSTRUCTION

CONTROL PARTS - winch (See Figure 176 for component parts)

1шт.

2

D48120

PLATE - control mounting

1шт.

3

13-620

BOLT,Hex, 3/8" - 16 x 1-1/4", Gr 5, Full Thd

4шт.

4

92-6

LOCK WASHER,3/8"

4шт.

5

25-106

NUT,3/8"-16, G5

4шт.

6

13-616

BOLT,Hex, 3/8" - 16 x 1", Gr 5, Full Thd

4шт.

7

92-6

LOCK WASHER,3/8"

4шт.

8

D45933

FLOOR PLATE - skidder, RH rear

1шт.

9

13-616

BOLT,Hex, 3/8" - 16 x 1", Gr 5, Full Thd

2шт.

10

13-624

BOLT,Hex, 3/8" - 16 x 1-1/2", Gr 5

HHCS - 3/8" - 16 NC x 2"

1шт.

11

92-6

LOCK WASHER,3/8"

3шт.

12

D45934

PLATE - tapped, holddown

1шт.

13

D49385

SPARE PART Winch mounting

1шт.

14

328-1232

BOLT,Hex, 3/4" - 16 x 2", Gr 8

4шт.

15

113-734

X

HHCS - 3/4" - 10 NC x 2"

4шт.

16

92-12

LOCK WASHER,3/4"

8шт.

17

25-1012

NUT,3/4"-10, G5

4шт.

18

213-4

ADJUSTABLE CLEVIS,3/8"-24 x 2 1/2"

YOKE - clevis, clutch cable

2шт.

19

141-4

CLEVIS PIN,3/8" x 1.060"

2шт.

20

132-28

COTTER PIN,3/32" x 1"

2шт.

21

D48336

SPARE PART Clevis, brake cable (Not shown)

2шт.

22

D48337

PIN - yoke, brake cable (At winch) Not shown

1шт.

23

132-48

COTTER PIN,1/8" x 1"

Not shown

1шт.

24

25-156

JAM NUT,Jam, 3/8"-24, G5

Cable yokes

4шт.

25

D48121

SPARE PART Winch control

2шт.

26

D48123

"U" BOLT - assy, clutch cable, Incl. Ref. 27

2шт.

27

25-104

NUT,1/4"-20, G5

2шт.

28

D48124

"U" BOLT - assy, brake cable, Incl. Ref. 29

2шт.

29

25-104

NUT,1/4"-20, G5

2шт.

30

D48122

BRACKET - cable

1шт.

31

D47337

SPARE PART Assy, cable bracket, Incl. Ref. 32

2шт.

32

25-104

NUT,1/4"-20, G5

2шт.

33

13-624

BOLT,Hex, 3/8" - 16 x 1-1/2", Gr 5

1шт.

34

D48126

CLAMP

Cable

1шт.

35

92-6

LOCK WASHER,3/8"

1шт.

36

25-106

NUT,3/8"-16, G5

1шт.

37

D45246

SPARE PART ASSY - winch drive (Parts list Figure 178)

1шт.

38

D49384

SPARE PART Winch drive shaft

1шт.

39

13-616

BOLT,Hex, 3/8" - 16 x 1", Gr 5, Full Thd

4шт.

40

92-6

LOCK WASHER,3/8"

4шт.

41

25-106

NUT,3/8"-16, G5

4шт.

42

REF

INSTRUCTION

WINCH - Sweed (Parts list Figures 180 - 190)

1шт.

43

113-744

X

HHCS - 3/4"-10 NC x 1-3/4"

8шт.

43a

113-761

X

HHCS - 3/4"-10 NC x 4" (Used on some models)

4шт.

43b

113-721

X

HHCS - 3/4"-10 NC x 3" (Used on some models)

4шт.

44

92-12

LOCK WASHER,3/4"

8шт.

45

195-904

BELLEVILLE WASHER

Special beveled (Used on some models)

8шт.

Выбрано товаров: 0