Запчасти Case 300C (096) - SYNCHROMESH TRANSMISSION, TRANSMISSION SHIFT LINKAGE (06) - POWER TRAIN

Схема запчастей Case 300C - (096) - SYNCHROMESH TRANSMISSION, TRANSMISSION SHIFT LINKAGE (06) - POWER TRAIN
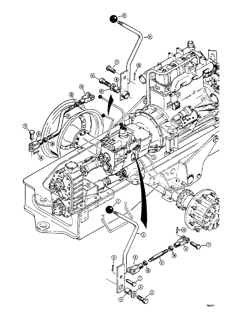
FIT
1:1
100%

Артикул

Название

Примечание

Количество

1

REF

INSTRUCTION

TRANSMISSION ASSEMBLY - complete (Parts list Figures 76 thru 86)

1шт.

2

A23885

KNOB

- control lever

1шт.

3

D50899

LEVER - control, forward and reverse

1шт.

4

13-932

BOLT,Hex, 9/16" - 12 x 2", Gr 5

HHCS - 9/16" - 12 NC x 2"

1шт.

5

95-9

WASHER

- plain (9/16")

1шт.

6

D50901

SPACER - control lever

1шт.

7

141-3

CLEVIS PIN,5/16" x .940"

PIN, CLEVIS, 5/16" x .940"

2шт.

8

132-24

COTTER PIN,3/32" x 1/2"

PIN, SPLIT (COTTER), 3/32" x 1/2"

2шт.

9

213-3

ADJUSTABLE CLEVIS,5/16"-24

YOKE - control rod

2шт.

10

25-115

NUT,5/16"-24, G5

- hex (5/16"-24 NF)

2шт.

11

D50902

ROD - control, forward and reverse

1шт.

12

A23885

KNOB

- control lever, transmission range

1шт.

13

D50900

LEVER - control, transmission range

1шт.

14

13-936

SCREW,Hex, 9/16" - 12 x 2 1/4", Gr 5

HHCS - 9/16" - 12 NC x 2-1/4", transmission range controls

1шт.

15

95-9

WASHER

- plain (9/16"), transmission range controls

1шт.

16

D50901

SPACER - control lever, transmission range

1шт.

17

141-6

CLEVIS PIN,1/2" x 1.360"

PIN - clevis (1/2"), transmission range controls

2шт.

18

132-48

COTTER PIN,1/8" x 1"

Pin, Split (Cotter), , Transmission range controls 1/8" x 1"

2шт.

19

213-6

ADJUSTABLE CLEVIS,1/2"-20 x 3"

YOKE - control rod, transmission range

2шт.

20

25-108

NUT,1/2"-13, G5

- hex. (1/2" - 13 NC), transmission range controls

2шт.

21

D50903

ROD - control, transmission range

2шт.

22

REF

INSTRUCTION

TRANSFER CASE - transmission (Parts list Figures 90 thru 94), range controls

1шт.

Выбрано товаров: 22