Запчасти Case 400 (022) - TRANSMISSION, TURBINE DRIVEN GEARS, FREEWHEEL UNIT AND TRANSMISSION MOUNT (03) - TRANSMISSION

Схема запчастей Case 400 - (022) - TRANSMISSION, TURBINE DRIVEN GEARS, FREEWHEEL UNIT AND TRANSMISSION MOUNT (03) - TRANSMISSION
24
30
4
18
2
1
9
5
33
20
27
16
15
3
23
29
12
7
25
10
17
34
11
8
28
19
31
22
14
32
13
26
20
6
FIT
1:1
100%

Артикул

Название

Примечание

Количество

D47273

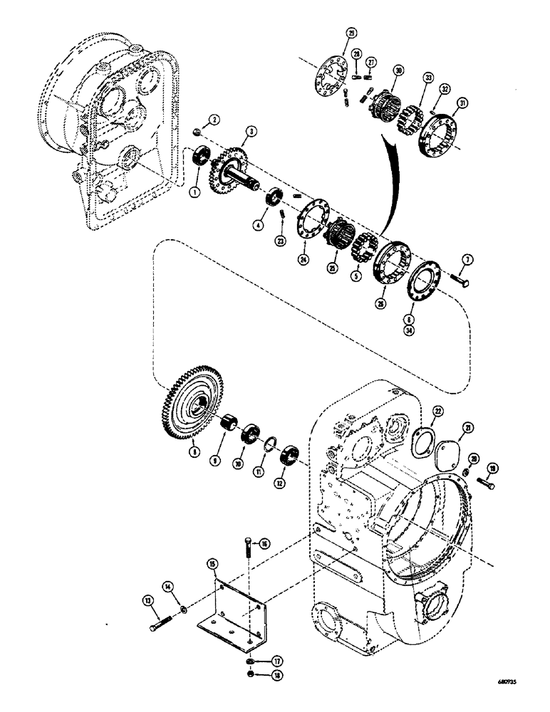
TRANSMISSION ASSEMBLY - complete, Includes: Ref. 1 - 12

1шт.

1

D47572

BEARING

- ball type

1шт.

2

L31163

SPECIAL NUT

- hex., lock (Special)

12шт.

3

D47449

GEAR

AND SHAFT ASSEMBLY - driven, second turbine

1шт.

4

D47573

BALL BEARING

BEARING - ball type

1шт.

5

L31161

ROLLER

- freewheel

15шт.

6

D47454

RESERVOIR

COLLECTOR PLATE - lube (Also included in D47640 overrunning clutch kit)

1шт.

7

D47455

SQUARE BOLT

- special

12шт.

8

D47456

GEAR

- driven, first turbine

1шт.

9

D47457

SPACER

- bearing, when stock is exhausted, order D48331 for service

1шт.

D48331

BUSHING

SPACER - bearing

1шт.

10

D47572

BEARING

- ball type

1шт.

11

D47458

THRUST WASHER,36.58mm ID x 41.91mm OD x 1.32mm Thk

SPACER - bearing

1шт.

12

D47572

BEARING

- ball type

1шт.

13

13-1020

BOLT,Hex, 5/8" - 11 x 1-1/4", Gr 5, Full Thd

8шт.

14

92-10

LOCK WASHER,5/8"

WASHER, LOCK, 5/8"

8шт.

15

D47278

MOUNT - transmission

2шт.

16

13-1028

BOLT,Hex, 5/8" - 11 x 1-3/4", Gr 5, Full Thd

6шт.

17

92-10

LOCK WASHER,5/8"

WASHER, LOCK, 5/8"

6шт.

18

25-1010

NUT,5/8"-11, G5

6шт.

19

13-612

BOLT,Hex, 3/8" - 16 x 3/4", Gr 5, Full Thd

2шт.

20

92-6

LOCK WASHER,3/8"

2шт.

21

D47283

COVER

- pump mounting hole, transmission rear

1шт.

22

D47284

GASKET - cover

1шт.

23

D47450

SPRING - plate used before transmission serial no.10426

3шт.

24

D47451

PLATE - spring used before transmission serial no.10426

1шт.

25

NSS

NOT SOLD SEPARAT

CAGE - freewheel roller (Use D47640 overrunning clutch kit for service) See parts list below used before transmission serial no.10426

1шт.

26

NSS

NOT SOLD SEPARAT

CAM - freewheel (Use D47640 overrunning clutch kit for service) See parts list below used before transmission serial no.10426

1шт.

D47640

KIT

- overrunning clutch used before transmission serial no.10426 and after as production refs used on prior models as service replacement, Includes: Ref. 27 - 34

1шт.

27

D47643

SPRING

- plate (When stock is exhausted, order D48863 spring for service) used before transmission serial no.10426 and after as production refs used on prior models as service replacement

3шт.

D48863

SPRING

- plate used before transmission serial no.10426 and after as production refs used on prior models as service replacement

3шт.

28

D47644

PIN

- spring positioning used before transmission serial no.10426 and after as production refs used on prior models as service replacement

3шт.

29

D47645

PLATE ASSY.

PLATE - spring used before transmission serial no.10426 and after as production refs used on prior models as service replacement

1шт.

30

D47641

CAGE

- freewheel roller used before transmission serial no.10426 and after as production refs used on prior models as service replacement

1шт.

D47642

CAM

ASSEMBLY - freewheel used before transmission serial no.10426 and after as production refs used on prior models as service replacement, Includes: Ref. 31 and 32

1шт.

31

NSS

NOT SOLD SEPARAT

CAM - freewheel used before transmission serial no.10426 and after as production refs used on prior models as service replacement

1шт.

32

138-294

LOCK PIN,1/8" x 1/4", Slotted

Pin, , Cam, used before transmission S/N 10426 and after as production refs used on prior models as service replacement 1/8" x 1/4", Slotted

1шт.

33

L31161

ROLLER

- freewheel used before transmission serial no.10426 and after as production refs used on prior models as service replacement

15шт.

34

D47454

RESERVOIR

COLLECTOR PLATE - lube used before transmission serial no.10426 and after as production refs used on prior models as service replacement

1шт.

Выбрано товаров: 39