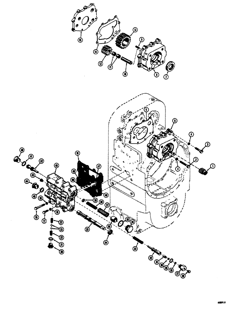
Запчасти Case 400 (032) - TRANSMISSION, TRANSMISSION PUMP AND CONTROL VALVE (03) - TRANSMISSION

Схема запчастей Case 400 - (032) - TRANSMISSION, TRANSMISSION PUMP AND CONTROL VALVE (03) - TRANSMISSION
7
2
31
27
10
17
21
25
1
14
23
4
30
32
11
29
13
8
41
22
3
9
26
20
22
4
24
15
12
33
28
FIT
1:1
100%

Артикул

Название

Примечание

Количество

1

D47492

COUPLING, BREAK AWAY

COUPLING - charging pump drive

1шт.

2

13-648

BOLT,Hex, 3/8" - 16 x 3", Gr 5

HHCS - 3/8" - 16 NC x 3"

2шт.

3

413-632

BOLT,Hex, 3/8" - 16 x 2", Gr 5

- 3/8" - 16 NC x 2"

7шт.

4

92-6

LOCK WASHER,3/8"

9шт.

5

L31081

GASKET

-, Serial Range: pump-housing

1шт.

6

D46608

PUMP

- transmission and torque converter charging, Includes: Ref. 7 - 15

1шт.

7

A13262

SEAL

- oil

1шт.

8

NSS

NOT SOLD SEPARAT

HOUSING - pump

1шт.

9

NSS

NOT SOLD SEPARAT

PIN - dowel, pump, Serial Range: housing-cover

1шт.

10

NSS

NOT SOLD SEPARAT

SHAFT - driven gear

1шт.

11

NSS

NOT SOLD SEPARAT

BEARING - roller type

2шт.

12

NSS

NOT SOLD SEPARAT

GEAR - driven, pump

1шт.

13

NSS

NOT SOLD SEPARAT

GEAR - drive, pump

1шт.

14

CASL31037

GASKET

- pump, Serial Range: housing-cover

1шт.

15

NSS

NOT SOLD SEPARAT

COVER - pump

1шт.

16

13-640

BOLT,Hex, 3/8" - 16 x 2-1/2", Gr 5

HHCS - 3/8" - 16 NC x 2-1/2"

15шт.

17

13-616

BOLT,Hex, 3/8" - 16 x 1", Gr 5, Full Thd

1шт.

18

92-6

LOCK WASHER,3/8"

16шт.

19

L31187

GASKET

-, Serial Range: valve-housing

1шт.

D46609

VALVE - transmission control (When stock is exhausted, order L35214 valve for service), Includes: Ref. 20 - 50

1шт.

L35214

VALVE

- transmission control

1шт.

20

D46350

PLUG

- valve housing, lower

1шт.

21

L31034

WASHER

GASKET - trimmer valve plug

1шт.

22

L31027

SPRING

- detent

2шт.

23

211-13

BALL,1/2" Dia

- detent 1/2" Dia

2шт.

24

L31032

SEAL

- oil

1шт.

25

L31228

SPOOL

- valve

1шт.

26

221-661

PLUG,Hex Hd, 1/8"-27

- cut off valve plug

1шт.

27

A12784

PLUG

- clutch cut off valve

1шт.

28

A16568

CUP ASSY.

CUP - clutch cut off valve

1шт.

29

L31034

WASHER

GASKET - plug

1шт.

30

A12666

O-RING,0.359" ID x 0.73"

SEAL - ring type, clutch cut off valve

1шт.

31

A16569

PLUG

- clutch cut off valve

1шт.

32

L31049

SPOOL

VALVE - clutch cut off

1шт.

33

L31169

SPRING

- clutch cut off valve

1шт.

34

L31044

PLUG

- valve

1шт.

35

L31043

GASKET

- trimmer valve plug

1шт.

36

D47646

PLUG

- trimmer valve, used before transmission serial no. 23650 (When stock is exhausted, order 1 - D51471 spring and 1 - D51472 plug for service)

1шт.

D51472

PLUG

- trimmer valve, used on transmission serial no. 23650 and after

1шт.

37

L31183

SPRING

- trimmer valve

1шт.

38

D47520

SPRING

- regulator valve, used before transmission serial no. 23650 (When stock is exhausted, order 1 - D51471 spring and 1 - D51472 plug for service)

1шт.

D51471

SPRING

- regulator valve, used on transmission serial no. 23650 and after

1шт.

39

L32743

RETAINER

- spring

1шт.

40

L31045

PLUG

- regulator valve

1шт.

41

L31016

GASKET

- plug

1шт.

42

L31189

VALVE

- regulator

1шт.

43

221-661

PLUG,Hex Hd, 1/8"-27

- valve

1шт.

44

L31045

PLUG

- valve

1шт.

45

L31016

GASKET

- plug

1шт.

46

NSS

NOT SOLD SEPARAT

HOUSING - valve

1шт.

47

L31040

STOP

- valve

1шт.

48

L31046

PLUG

- ball retainer

1шт.

49

L31019

BALL

- valve

1шт.

50

L31054

PLUG - valve orifice

1шт.

Выбрано товаров: 54