Запчасти Case 400 (036) - TRANSMISSION HYDRAULIC SYSTEM (03) - TRANSMISSION

Схема запчастей Case 400 - (036) - TRANSMISSION HYDRAULIC SYSTEM (03) - TRANSMISSION
3
6
15
14
33
13
31
4
34
2
21
3
25
23
13
26
2
7
5
12
27
32
4
5
24
10
16
17
22
5
11
13
2
1
FIT
1:1
100%

Артикул

Название

Примечание

Количество

1

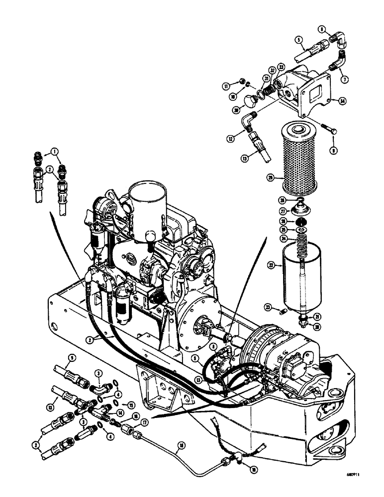
218-446

HYD CONNECTOR,1-1/16" - 12 Male JIC x 3/4" - 14 Male NPTF

ADAPTER - male, straight

2шт.

2

D47407

HOSE - engine oil cooler to transmission (87-1/2" long)

2шт.

3

218-5108

ELBOW,90 Degree Elbow, 1-1/16" - 12 Male JIC x 1-1/16" - 12 Male ORB

- adjustable, 90 degrees, Incl. Ref. 4

3шт.

4

218-5008

O-RING,0.116" Thk x 0.924" ID, -912, Cl 6, 90 Duro

SEAL - "o" ring

1шт.

5

D47409

HOSE - transmission to transmission oil filter (53-1/2" long)

1шт.

6

218-5231

ELBOW,90 Degree, 1 1/16"-12, 37 Degree x 1 1/16"-12, 37 Degree Fem Sw

1шт.

7

218-496

ELBOW,90 Degree Elbow, 1-5/16" - 12 Male JIC x 3/4" - 14 Male NPTF

- male, 90 degrees

1шт.

8

D47410

FILTER - transmission oil (See parts list below)

1шт.

9

13-620

BOLT,Hex, 3/8" - 16 x 1-1/4", Gr 5, Full Thd

4шт.

10

92-6

LOCK WASHER,3/8"

4шт.

11

25-106

NUT,3/8"-16, G5

- hex. (3/8" - 16 NC)

4шт.

12

218-496

ELBOW,90 Degree Elbow, 1-5/16" - 12 Male JIC x 3/4" - 14 Male NPTF

- male, 90 degrees

1шт.

13

D30438

HOSE ASSY.

HOSE - transmission oil filter to transmission (44-1/2" long)

1шт.

14

218-5185

TEE,1-1/16" - 12 Male JIC x 1-1/16" - 12 Male JIC x 1-1/16" - 12 Male ORB

- adjustable, side, Includes: Ref. 15

1шт.

15

218-5008

O-RING,0.116" Thk x 0.924" ID, -912, Cl 6, 90 Duro

SEAL - "o" ring

1шт.

16

218-796

REDUCER,37 Degree, 5/8" x 3/8" Tube

- tube end

1шт.

17

218-346

TUBE NUT,37 Degree, 1 1/16"-12, Type B

NUT - tube

1шт.

18

D47408

TUBE - tee to transmission rear cover

1шт.

19

218-484

ELBOW,90 Degree Elbow, 3/4" - 16 Male JIC x 3/8" - 18 Male NPTF

- male, 90 degrees

1шт.

D47410

FILTER - transmission oil, Includes: Ref. 20 - 34

1шт.

20

D47657

STUD - center D47410 transmission oil filter

1шт.

21

D47658

GASKET - stud D47410 transmission oil filter

1шт.

22

D47656

SHELL - filter D47410 transmission oil, Includes: Ref. 23

1шт.

23

221-12

PLUG,Sq Hd, 1/4"-18

- pipe, square head (1/4" NPT) D47410 transmission oil filter

1шт.

24

D47659

PIPE

SPRING - filter element D47410 transmission oil

1шт.

25

D47660

WASHER - spring retaining D47410 transmission oil filter

1шт.

26

D47662

GASKET - retainer D47410 transmission oil filter

1шт.

27

D47661

RETAINER - filter element D47410 transmission oil

1шт.

28

D47874

CLIP - retaining D47410 transmission oil filter

1шт.

29

L31230

ELEMENT

-filter D47410 transmission oil

1шт.

D47649

HEAD ASSEMBLY - filter D47410 transmission oil, Includes: Ref. 30 - 34

1шт.

30

D47655

PLUG - head D47410 transmission oil filter

1шт.

31

D47654

GASKET - plug D47410 transmission oil filter

1шт.

32

D47653

RADIATOR GRILLE

SPRING - valve D47410 transmission oil filter

1шт.

33

D47652

VALVE - bypass D47410 transmission oil filter

1шт.

34

NSS

NOT SOLD SEPARAT

HEAD - filter D47410 transmission oil filter

1шт.

Выбрано товаров: 36