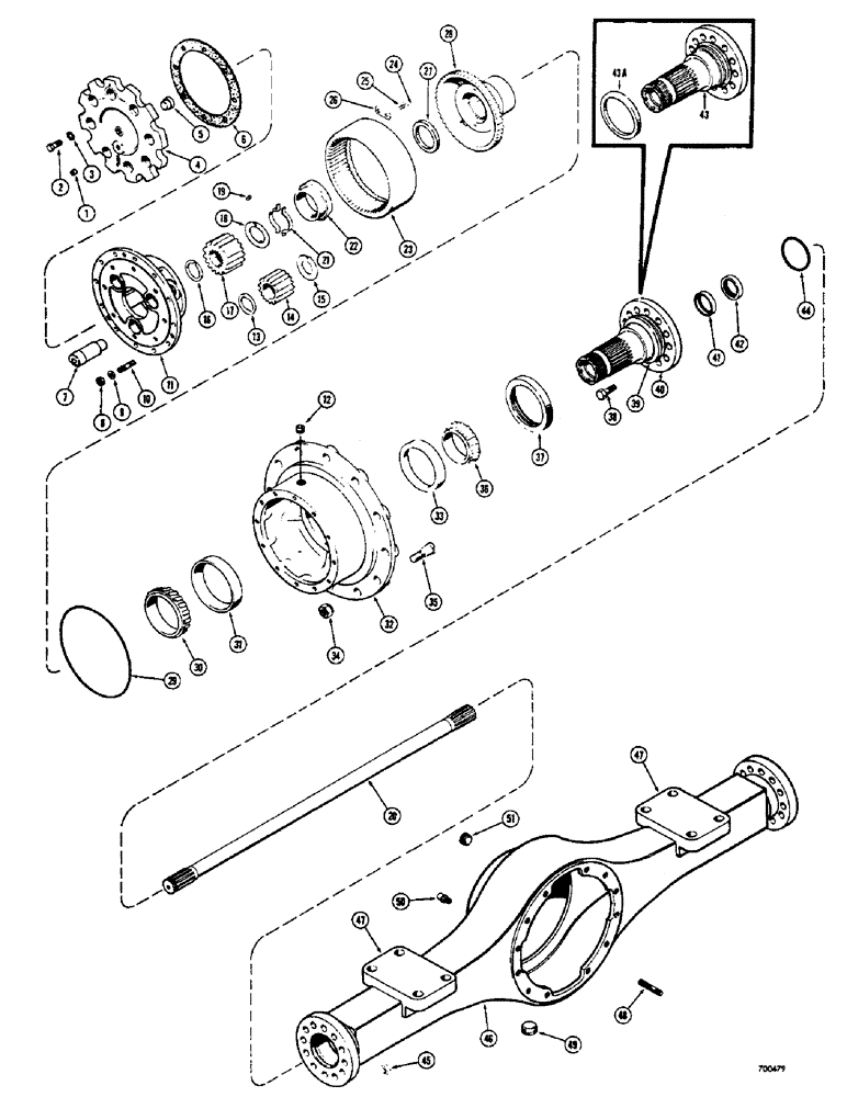
Запчасти Case 400 (058) - AXLE AND PLANETARY (04) - UNDERCARRIAGE

Схема запчастей Case 400 - (058) - AXLE AND PLANETARY (04) - UNDERCARRIAGE
42
35
47
49
45
28
33
51
5
20
7
30
16
24
10
3
9
19
26
50
34
32
6
41
40
18
2
4
31
23
36
15
44
43a
1
48
21
25
37
14
47
8
17
22
38
29
43
13
27
12
39
11
46
FIT
1:1
100%

Артикул

Название

Примечание

Количество

D45631

AXLE ASSEMBLY - complete, front (Hi-traction), Includes: Ref. 1 - 51

1шт.

D45632

AXLE ASSEMBLY - complete front or rear (No-spin), Includes: Ref. 1 - 51

1-2шт.

1

221-31

DRAIN PLUG,Sq Soc, 1/4"-18 NPTF

PLUG - fill, square socket head (1/4" NPT)

2шт.

2

113-307

X

HHCS - 7/16" - 14 NC x 1-1/8"

16шт.

3

D47367

WASHER

- special

16шт.

A12908

COVER

ASSEMBLY - planetary, Includes: Ref. 4 and 5

2шт.

4

NSS

NOT SOLD SEPARAT

COVER - planetary

1шт.

5

A12980

BUTTON

- thrust

1шт.

6

A12910

GASKET,0.4mm Thk

- planetary cover

6шт.

7

A40146

SHAFT

- planetary pinion gear

6шт.

8

129-545

NUT,1/2"-20, G8

If used 1/2"-20, G8

24шт.

8

129-551

SPECIAL NUT,9/16"-18, G8

- hex. (9/16" - 18 NF) If used

24шт.

9

92-8

LOCK WASHER,1/2"

if used 1/2"

24шт.

9

92-9

BEARING WASHER,9/16"

If used 9/16"

24шт.

10

L30951

STUD

- spider to hub (1/2" - 20 NF) If used

24шт.

10

D50996

STUD

- spider to hub (9/16" - 18 NF) If used

24шт.

11

A12909

U-JOINT SPIDER

SPIDER - planetary, used 1/2" studs (Must be used with D47369 hub) Used on axle models PR75 NX 15, 16, 30 or 31

2шт.

11

D50997

SPIDER - planetary, uses 9/16" studs (Must be used with D50095) Used on axle models PR75 NX 59, 60, 73 or 74

2шт.

12

221-678

DRAIN PLUG,Sq Soc, 3/4" NPT

PLUG - drain, magnetic (3/4" NPT)

2шт.

13

A12904

WASHER

- pinion thrust, outer

6шт.

14

A12901

GEAR

- pinion, planetary

6шт.

15

A40145

WASHER

- pinion thrust, inner

6шт.

16

A12907

O-RING,1.74" ID x 0.1205"

SNAP RING - sun gear

2шт.

17

A12905

GEAR

- sun, planetary

2шт.

A13103

WASHER

ASSEMBLY - thrust, Includes: Ref. 18 and 19

2шт.

18

NSS

NOT SOLD SEPARAT

WASHER - thrust

1шт.

19

A13137

AXLE PIN

PIN - thrust washer

2шт.

20

D47374

SHAFT - axle, PR75 (Used in axle models PR75 NX 15 or 16 only)

2шт.

20

D47376

SHAFT - axle, PR75 (Used in axle models PR75 NX 30, 31 59, 60, 73 or 74)

2шт.

21

A12953

RETAINER

LOCK - bearing nut

4шт.

22

A13104

BEARING LOCK NUT

NUT - hub bearing retaining

2шт.

23

A12911

GEAR

- ring, planetary

2шт.

24

391-614

LOCKWIRE - bolt, #16 (6" long) Cut as required

8шт.

25

G49000

BOLT,Hex, 5/16" - 18 x 3/4", Gr 5, Drilled

- special, drilled head

16шт.

26

A12914

LOCK ASSY

LOCK - ring gear hub

8шт.

A12913

HUB CAP

HUB ASSEMBLY - planetary ring gear, Includes: Ref. 27 and 28

2шт.

27

NSS

NOT SOLD SEPARAT

SLEEVE - hub

1шт.

28

NSS

NOT SOLD SEPARAT

HUB - planetary ring gear

1шт.

29

A18218

O-RING,10.125" ID x 10.312" OD x 0.103"

SEAL - "o" ring, spider to hub

2шт.

30

A12915

ROLLER BEARING,4.25" ID x 1.375"

CONE - bearing, tapered roller type (Outer)

2шт.

D47369

HUB ASSEMBLY - rim, uses 1/2" studs (Must be used with A12909 spider) Used on axle models PR75 NX 15, 16, 30 or 31, Includes: Ref. 31 - 33

2шт.

D50995

HUB

ASSEMBLY - rim, uses 9/16" studs (Must be used with D50997 spider) Used on axle models PR75 NX 59, 60, 73 or 74, Includes: Ref. 31 - 33

2шт.

31

A12916

BEARING CUP

CUP - bearing, tapered roller type (Outer)

1шт.

32

NSS

NOT SOLD SEPARAT

HUB - rim

1шт.

33

A14985

BEARING CUP

CUP - bearing, tapered roller type (Inner)

1шт.

34

A12522

WHEEL NUT

- stud, rim mounting

24шт.

35

D47370

STUD - wheel, Serial Range: rim-hub

24шт.

36

A14984

ROLLER BEARING

CONE - bearing, tapered roller type (Inner)

2шт.

37

D47371

SEAL

- oil, hub bearing

2шт.

38

114-503

X

HHCS - 9/16" - 18 NF x 2-5/8"

24шт.

D47377

SPINDLE ASSEMBLY - planetary (Used in axle models PR75 NX 15 or 16), Includes: Ref. 39 - 42

2шт.

39

D47379

GUARD

- oil seal

2шт.

40

NSS

NOT SOLD SEPARAT

SPINDLE - planetary

1шт.

41

A12929

OIL SEAL

- axle shaft

1шт.

42

A12930

RETAINER

- axle shaft seal

1шт.

43

D47378

SPINDLE ASSEMBLY - planetary (Used in axle models PR75 NX 30, 31, 59, 60, 73 or 74)

2шт.

43a

D47379

GUARD

- oil seal

1шт.

44

A18280

O-RING,0.139" Thk x 6.734" ID, -261, Cl 5, 75 Duro

SEAL - "o" ring, spindle to axle housing

2шт.

45

131-11

NUT,9/16"-18, GB

LOCK, 9/16"-18, GB

24шт.

D47368

HOUSING ASSEMBLY - axle, early production (When stock is exhausted, order D50994 housing for service)

1шт.

D50944

HOUSING ASSEMBLY - axle, late production

1шт.

46

NSS

NOT SOLD SEPARAT

HOUSING - axle, Includes: Ref. 47 and 48

1шт.

47

D51400

PAD - axle mounting, Serial Range: (Welded-housing)

2шт.

48

A18207

STUD

- carrier to axle housing

10шт.

49

221-25

PLUG,Sq Soc, 3/4"-14 NPTF

- drain, square socket head (3/4" NPT)

1шт.

50

A12928

BREATHER

- axle housing

1шт.

51

221-25

PLUG,Sq Soc, 3/4"-14 NPTF

- filler, square socket head (3/4" NPT)

1шт.

Выбрано товаров: 67