Запчасти Case 400 (084) - REAR FRAME AND AXLE (05) - UPPERSTRUCTURE CHASSIS

Схема запчастей Case 400 - (084) - REAR FRAME AND AXLE (05) - UPPERSTRUCTURE CHASSIS
9
25
30
1
35
21
24
14
32
12
26
11
7
37
3
38
23
18
5
33
22
21
8
31
15
20
4
19
10
27
34
6
29
28
36
13
2
17
16
FIT
1:1
100%

Артикул

Название

Примечание

Количество

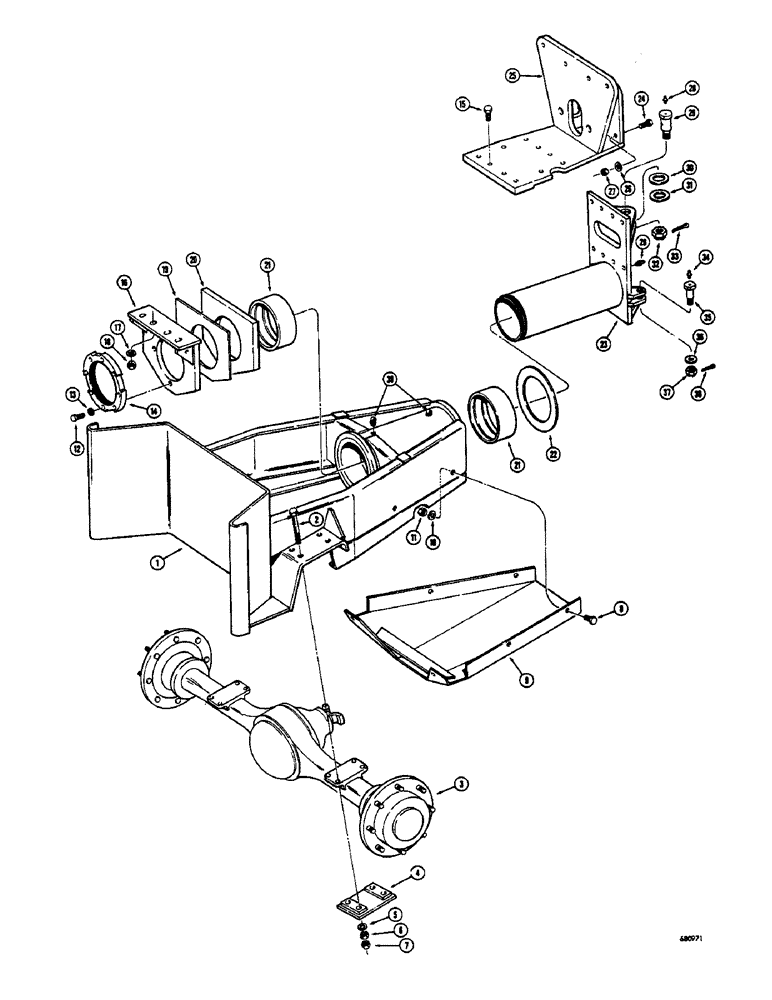
1

D47266

REAR FRAME - skidder

1шт.

2

13-12136

BOLT,Hex, 3/4" - 10 x 8-1/2", Gr 5

HHCS - 3/4" - 10 NC x 8-1/2"

8шт.

3

D45632

AXLE ASSEMBLY - rear, no-spin, Parts list Figures 54 - 58

1шт.

4

L30662

LARGE PLATE

PAD - axle mounting

2шт.

5

95-12

WASHER,3/4"

- standard wrot () 3/4"

8шт.

6

25-1012

NUT,3/4"-10, G5

8шт.

7

25-1412

JAM NUT,Jam, 3/4"-10, G5

- hex., jam (3/4" - 10 NC)

8шт.

8

13-1224

BOLT,Hex, 3/4" - 10 x 1-1/2", Gr 5

6шт.

9

D45723

PAN - rear axle and drive shaft guard

1шт.

10

92-12

LOCK WASHER,3/4"

WASHER, LOCK, 3/4"

6шт.

11

25-1012

NUT,3/4"-10, G5

6шт.

12

D45764

SCREW - special

4шт.

13

92-8

LOCK WASHER,1/2"

4шт.

14

D45766

NUT - adjusting, center hinge tube

1шт.

15

13-1248

BOLT,Hex, 3/4" - 10 x 3", Gr 5

2шт.

16

D47271

SUPPORT - center hinge tube, rear

1шт.

17

92-12

LOCK WASHER,3/4"

WASHER, LOCK, 3/4"

2шт.

18

25-1012

NUT,3/4"-10, G5

2шт.

19

D47270

SHIM - .0359" thick

1шт.

20

D47269

WASHER - thrust

1шт.

21

D45767

BUSHING - center hinge tube

2шт.

22

D45763

WASHER - thrust

1шт.

23

D47267

TUBE - center hinge

1шт.

24

13-1644

BOLT,Hex, 1" - 8 x 2-3/4", Gr 5

HHCS - 1" - 8 NC x 2-3/4"

8шт.

25

D47265

BRACKET - winch

1шт.

26

92-16

LOCK WASHER,1"

WASHER, LOCK, 1"

8шт.

27

25-1016

NUT,1"-8, G5

8шт.

28

219-8

LUBE NIPPLE,1/4" - 28 NPTF

NIPPLE, LUBE, , straight 1/4"-28 NPT x .54" lg

3шт.

29

D45151

PIN - center hinge, frame pivot

2шт.

30

D45726

SPACER - rear and front frame (.0747" thick)

2шт.

31

D45725

SPACER - rear and front frame (.134" thick)

2шт.

32

25-1324

SLOTTED NUT,1 1/2"-12, G5

NUT - hex., slotted (1-1/2" - 12 NF)

2шт.

33

132-187

COTTER PIN,5/16" x 3"

Pin, Split (Cotter), 5/16" x 3"

2шт.

34

219-1

LUBE NIPPLE,1/8" - 27 NPTF

FITTING - grease, straight (1/8" NPT)

2шт.

35

D47268

HARNESS

PIN - steering cylinder mounting

2шт.

36

95-16

WASHER,1 1/16" x 2 1/2" x .164"

- standard wrot (1")

2шт.

37

25-1316

NUT,1"-14, G5

NUT, SLOTTED, 1"-14, G5

2шт.

38

132-154

COTTER PIN,1/4" x 2"

Pin, Split (Cotter), 1/4" x 2"

2шт.

39

219-55

LUBE NIPPLE,90 Degree Elbow, 1/8" - 27 NPTF

NIPPLE, LUBE, 90º, 1/8" NPT x .84" lg

2шт.

Выбрано товаров: 39