Запчасти Case 400 (094) - WINCH AND WINCH CONTROL PADS, GEARMATIC WINCH (05) - UPPERSTRUCTURE CHASSIS

Схема запчастей Case 400 - (094) - WINCH AND WINCH CONTROL PADS, GEARMATIC WINCH (05) - UPPERSTRUCTURE CHASSIS
10
15
5
14
24
2
28
3
17
11
7
11
1
27
27
13
31
27
22
23
18
25
21
9
4
FIT
1:1
100%

Артикул

Название

Примечание

Количество

1

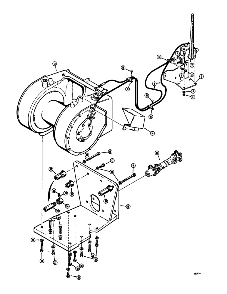
13-620

BOLT,Hex, 3/8" - 16 x 1-1/4", Gr 5, Full Thd

4шт.

2

REF

INSTRUCTION

MASTER CONTROL - winch, Parts list Figure 96

1шт.

3

D47322

BRACKET - winch control and parking brake cable mounting

1шт.

4

92-6

LOCK WASHER,3/8"

4шт.

5

25-106

NUT,3/8"-16, G5

- hex. (3/8" - 16 NC)

4шт.

6

13-616

BOLT,Hex, 3/8" - 16 x 1", Gr 5, Full Thd

3шт.

7

92-6

LOCK WASHER,3/8"

3шт.

8

25-106

NUT,3/8"-16, G5

- hex. (3/8" - 16 NC)

3шт.

9

D46284

HOSE - master control to winch (74" long)

2шт.

10

187-483

SCREW - hex. head, self-tapping (#10 x 3/8")

2шт.

11

D47323

CLAMP - hose

2шт.

12

222-762

ELBOW,90 Degree, 7/16"-20, 45 Degree Fl x 1/8" NPT

male 90º, 7/16"-20, 45º Fl x 1/8" NPT

1шт.

13

REF

INSTRUCTION

WINCH - complete (Parts list figures 96 - 110)

1шт.

14

D45949

GUARD - hose

1шт.

15

D47321

SHAFT ASSEMBLY - winch drive, Parts list Figure 98

1шт.

16

13-12112

BOLT,Hex, 3/4" - 10 x 7", Gr 5

2шт.

17

14-1228

BOLT,Hex, 3/4" - 16 x 1-3/4", Gr 5

HHCS - 3/4" - 10 NC x 1-3/4"

4шт.

18

92-12

LOCK WASHER,3/4"

WASHER, LOCK, 3/4"

6шт.

19

D47265

BRACKET - winch mounting

1шт.

20

D47319

SPACER ASSEMBLY - winch (Parts list below), Includes: Ref. 23 - 26

1шт.

21

D47318

SPACER ASSEMBLY - winch (Parts list below), Includes: Ref. 23 - 26

4шт.

22

D47320

SPACER ASSEMBLY - winch (Parts list below), Includes: Ref. 23 - 26

1шт.

23

NSS

NOT SOLD SEPARAT

STUD - winch spacer (Length varies in each assembly)

1шт.

24

D47590

DECAL

NUT - winch spacer, special

1шт.

25

178-229

SCREW - set, hex. socket head (1/4" - 20 NC x 5/8")

1шт.

26

25-104

NUT,1/4"-20, G5

1шт.

27

13-1228

BOLT,Hex, 3/4" - 10 x 1-3/4", Gr 5

4шт.

28

13-1240

BOLT,Hex, 3/4" - 10 x 2-1/2", Gr 5

2шт.

29

13-1252

BOLT,Hex, 3/4" - 10 x 3-1/4", Gr 5

2шт.

30

13-1248

BOLT,Hex, 3/4" - 10 x 3", Gr 5

2шт.

31

92-12

LOCK WASHER,3/4"

WASHER, LOCK, 3/4"

10шт.

Выбрано товаров: 0