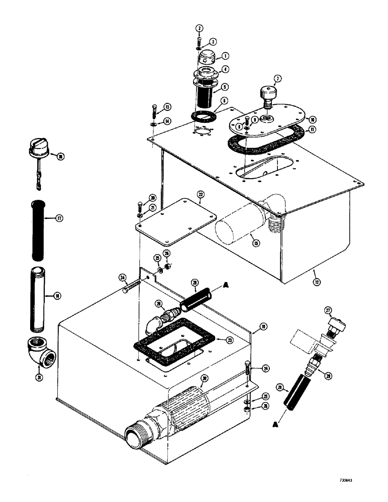
Запчасти Case 400C (196) - HYDRAULIC TANK AND RELATED PARTS, USED ON SYNCHROMESH MODELS (08) - HYDRAULICS

Схема запчастей Case 400C - (196) - HYDRAULIC TANK AND RELATED PARTS, USED ON SYNCHROMESH MODELS (08) - HYDRAULICS
FIT
1:1
100%

Артикул

Название

Примечание

Количество

1

D47580

CAP - filter, hydraulic tank

1шт.

2

173-206

X

SCREW - machine, round head (#10 - 24 NC x 1")

6шт.

3

92-3

LOCK WASHER,#10

WASHER, LOCK, #10

6шт.

4

D45993

FLANGE - filler cap

1шт.

5

D45838

SCREEN - filler neck

1шт.

6

D45811

GASKET - screen to hydraulic tank

1шт.

7

A9238

BREATHER

- hydraulic tank

1шт.

8

13-416

BOLT,Hex, 1/4" - 20 x 1", Gr 5

10шт.

9

92-4

LOCK WASHER,1/4"

WASHER, LOCK, 1/4"

10шт.

10

D47578

COVER

- hydraulic tank

1шт.

11

D45808

GASKET - hydraulic tank cover

1шт.

12

D50967

TANK - hydraulic oil

1шт.

13

13-416

BOLT,Hex, 1/4" - 20 x 1", Gr 5

6шт.

14

92-4

LOCK WASHER,1/4"

WASHER, LOCK, 1/4"

6шт.

15

D50969

FILTER - suction, hydraulic oil

1шт.

16

D50966

FILLER CAP AND DIPSTICK - hydraulic oil, USED ON POWER SHIFT MODELS

1шт.

17

D50963

SCREEN - filler neck, USED ON POWER SHIFT MODELS

1шт.

18

221-321

NIPPLE, LUBE

NIPPLE - pipe (2" NPT x 10" long), USED ON POWER SHIFT MODELS

1шт.

19

D50968

TANK

- hydraulic oil, USED ON POWER SHIFT MODELS

1шт.

20

13-412

BOLT,Hex, 1/4" - 20 x 3/4", Gr 5, Full Thd

Used on Power Shift models Hex, 1/4"-20 x 3/4", G5, Full Thd

6шт.

21

195-1014

WASHER

- brass (1/4"), USED ON POWER SHIFT MODELS

6шт.

22

D50964

COVER - hydraulic tank, USED ON POWER SHIFT MODELS

1шт.

23

D50965

GASKET - hydraulic tank cover, USED ON POWER SHIFT MODELS

1шт.

24

13-620

BOLT,Hex, 3/8" - 16 x 1-1/4", Gr 5, Full Thd

Used on Power shift models Hex, 3/8"-16 x 1 1/4", G5, Full Thd

3шт.

25

92-6

LOCK WASHER,3/8"

USED ON POWER SHIFT MODELS 3/8"

3шт.

26

25-106

NUT,3/8"-16, G5

- hex. (3/8" - 16 NC), USED ON POWER SHIFT MODELS

3шт.

27

A9238

BREATHER

- hydraulic tank, USED ON POWER SHIFT MODELS

1шт.

28

220-6

FITTING - hydraulic hose, push on, USED ON POWER SHIFT MODELS

2шт.

29

A22297

HOSE,20.00"

- Breather to tank, USED ON POWER SHIFT MODELS 20.00"

1шт.

30

D50969

FILTER - suction, hydraulic oil, USED ON POWER SHIFT MODELS

1шт.

31

221-397

ELBOW - 90 degrees, pipe (2" NPT), USED ON POWER SHIFT MODELS

1шт.

Выбрано товаров: 31