Запчасти Case 400C (180) - FRONT FRAME AND AXLE (09) - CHASSIS

Схема запчастей Case 400C - (180) - FRONT FRAME AND AXLE (09) - CHASSIS
FIT
1:1
100%

Артикул

Название

Примечание

Количество

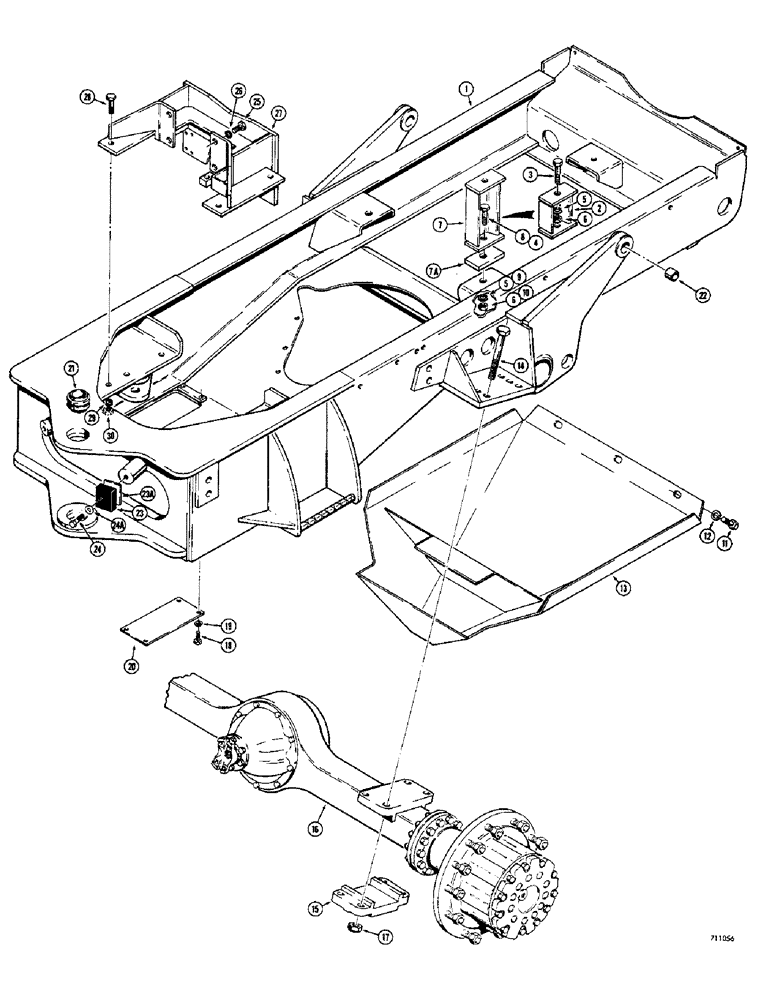
1

D50259

FRONT FRAME - skidder

1шт.

2

D50268

MOUNT - motor, rear (Synchromesh transmission models only)

2шт.

3

13-1240

BOLT,Hex, 3/4" - 10 x 2-1/2", Gr 5

(Synchromesh transmission models only) Hex, 3/4"-10 x 2 1/2", G5

2шт.

4

13-1224

BOLT,Hex, 3/4" - 10 x 1-1/2", Gr 5

(Synchromesh transmission models only) Hex, 3/4"-10 x 1 1/2", G5

2шт.

5

92-12

LOCK WASHER,3/4"

WASHER, LOCK, 3/4"

4шт.

6

25-1012

NUT,3/4"-10, G5

4шт.

7

D50269

MOUNT - motor, rear (Power shift transmission models only) Early production

2шт.

When stock of D50269 mount is exhausted, order (1) D53315 and (1) D53316 mount for service and discard D53314 shims.

1шт.

7a

D53314

SHIM - rear motor mount (Early production)

1шт.

When stock of D50269 mount is exhausted, order (1) D53315 and (1) D53316 mount for service and discard D53314 shims.

1шт.

7

D53315

MOUNT - motor, rear (R.H.) Power shift transmission models only (Late production)

1шт.

When stock of D50269 mount is exhausted, order (1) D53315 and (1) D53316 mount for service and discard D53314 shims.

1шт.

7

D53316

MOUNT - motor, rear (L.H.) Power shift transmission models only (Late production)

1шт.

When stock of D50269 mount is exhausted, order (1) D53315 and (1) D53316 mount for service and discard D53314 shims.

1шт.

8

13-1240

BOLT,Hex, 3/4" - 10 x 2-1/2", Gr 5

(Power shift transmission models only) Hex, 3/4"-10 x 2 1/2", G5

4шт.

9

92-12

LOCK WASHER,3/4"

WASHER, LOCK, 3/4"

4шт.

10

25-1012

NUT,3/4"-10, G5

4шт.

11

13-1224

BOLT,Hex, 3/4" - 10 x 1-1/2", Gr 5

3шт.

12

92-12

LOCK WASHER,3/4"

WASHER, LOCK, 3/4"

3шт.

13

D50262

GUARD - engine oil pan

1шт.

14

15-12136

BOLT

HHCS - 3/4" - 10 NC x 8-1/2"

8шт.

Standard PR 75 Axle and mounting hardware are shown. For optional PR154 Axle mounting hardware, see Figure 160.

1шт.

15

L30662

LARGE PLATE

PAD - mounting, Serial Range: axle-frame

2шт.

Standard PR 75 Axle and mounting hardware are shown. For optional PR154 Axle mounting hardware, see Figure 160.

1шт.

16

REF

INSTRUCTION

AXLE ASSEMBLY - front (Parts list Figures 148 thru 160)

1шт.

Standard PR 75 Axle and mounting hardware are shown. For optional PR154 Axle mounting hardware, see Figure 160.

1шт.

17

131-16

LOCK NUT,3/4"-10, GB

LOCKNUT, 3/4"-10, GB

8шт.

Standard PR 75 Axle and mounting hardware are shown. For optional PR154 Axle mounting hardware, see Figure 160.

1шт.

18

13-820

BOLT,Hex, 1/2" - 13 x 1-1/4", Gr 5, Full Thd

8шт.

19

92-8

LOCK WASHER,1/2"

8шт.

20

D50261

PLATE - front frame, transmission access

2шт.

21

D23601

HOUSING

BUSHING - frame, pivotal ball

2шт.

22

D50282

BUSHING - pivot, dozer cylinder

2шт.

23

D53326

BUMPER - rubber

2шт.

23a

D53590

SHIM - bumper pad

1шт.

24

13-620

BOLT,Hex, 3/8" - 16 x 1-1/4", Gr 5, Full Thd

HHCS - 3/8" - 16 NC x 1-1/2"

2шт.

24a

95-6

WASHER,3/8"

- flat () 3/8"

2шт.

25

13-1224

BOLT,Hex, 3/4" - 10 x 1-1/2", Gr 5

(Synchromesh transmission models only) Hex, 3/4"-10 x 1 1/2", G5

4шт.

26

92-12

LOCK WASHER,3/4"

WASHER, LOCK, , Synchromesh Transmission Models Only 3/4"

4шт.

27

D50264

BRACKET - mounting, transfer case, SYNCHROMESH TRANSMISSION MODELS ONLY

1шт.

28

13-1032

BOLT,Hex, 5/8" - 11 x 2", Gr 5

Synchromesh transmission models only Hex, 5/8"-11 x 2", G5

4шт.

29

92-10

LOCK WASHER,5/8"

WASHER, LOCK, , Synchromesh Transmission Models Only 5/8"

4шт.

30

25-1010

NUT,5/8"-11, G5

Synchromesh transmission models only 5/8"-11, G5

4шт.

Выбрано товаров: 43