Запчасти Case 400C (200) - GEARMATIC WINCH, WINCH AND WINCH CONTROL PARTS (88) - ACCESSORIES

Схема запчастей Case 400C - (200) - GEARMATIC WINCH, WINCH AND WINCH CONTROL PARTS (88) - ACCESSORIES
FIT
1:1
100%

Артикул

Название

Примечание

Количество

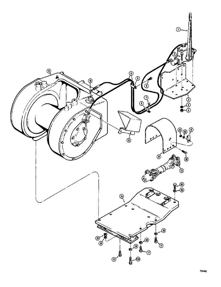
1

REF

INSTRUCTION

MASTER CONTROL - winch (Parts list Figure 202)

1шт.

2

13-620

BOLT,Hex, 3/8" - 16 x 1-1/4", Gr 5, Full Thd

(Power shift models only) Hex, 3/8"-16 x 1 1/4", G5, Full Thd

4шт.

3

D50960

BRACKET - mounting, controls (Power shift models only)

1шт.

4

92-6

LOCK WASHER,3/8"

Power shift models only 3/8"

4шт.

5

25-106

NUT,3/8"-16, G5

- hex. (3/8" - 16 NC) Power shift models only

4шт.

6

D46284

HOSE - master control to winch (74" long)

2шт.

7

187-487

SCREW - hex. head, self-tapping (#8 x 1/4")

1шт.

8

13-1216

BOLT,Hex, 3/4" - 10 x 1", Gr 5

1шт.

9

D45948

CLAMP - hose

3шт.

10

22-762

HARNESS

ELBOW - male, 90 degrees

1шт.

11

REF

INSTRUCTION

WINCH - Gearmatic, complete (Parts list Figures 202 thru 218)

1шт.

12

D45949

GUARD - hose

1шт.

13

D45246

DRIVE SHAFT - winch (Synchromesh models only) Parts list Figure 204

1шт.

13

D47321

DRIVE SHAFT - winch (Power shift models only) Parts list Figure 204

1шт.

14

D51230

SUPPORT - winch (Synchromesh models only)

1шт.

14

D50950

SUPPORT - winch (Power shift models only)

1шт.

15

328-1232

BOLT,Hex, 3/4" - 16 x 2", Gr 8

4шт.

16

92-12

LOCK WASHER,3/4"

WASHER, LOCK, 3/4"

4шт.

17

113-734

X

HHCS - 3/4" - 10 NC x 2" (Grade 8)

8шт.

17a

113-721

X

HHCS - 3/4" - 10 NC x 3" (Grade 8)

2шт.

18

92-12

LOCK WASHER,3/4"

WASHER, LOCK, 3/4"

10шт.

19

129-572

NUT,3/4"-10, G8

2шт.

20

13-612

BOLT,Hex, 3/8" - 16 x 3/4", Gr 5, Full Thd

4шт.

21

D49384

GUARD - drive shaft

1шт.

22

92-6

LOCK WASHER,3/8"

4шт.

23

25-106

NUT,3/8"-16, G5

- hex. (3/8" - 16 NC)

4шт.

Выбрано товаров: 26