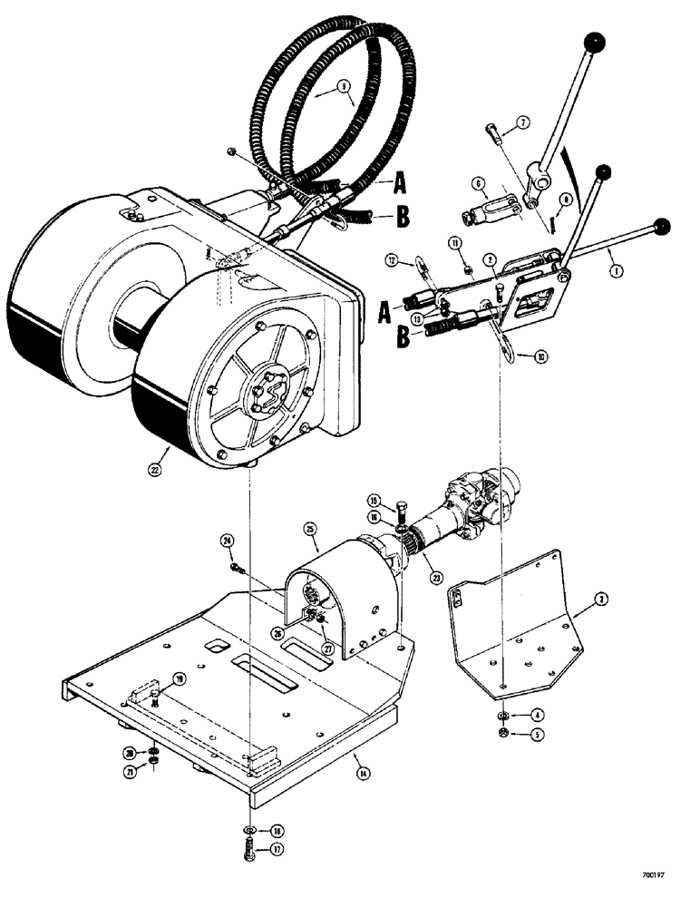
Запчасти Case 400C (220) - SWEED WINCH, WINCH AND WINCH CONTROL LEVERS (88) - ACCESSORIES

Схема запчастей Case 400C - (220) - SWEED WINCH, WINCH AND WINCH CONTROL LEVERS (88) - ACCESSORIES
FIT
1:1
100%

Артикул

Название

Примечание

Количество

1

REF

INSTRUCTION

CONTROL PARTS - winch (See Figure 222 for component parts)

1шт.

2

13-620

BOLT,Hex, 3/8" - 16 x 1-1/4", Gr 5, Full Thd

(Power Shift models only) Hex, 3/8"-16 x 1 1/4", G5, Full Thd

4шт.

3

D50960

BRACKET - mounting, controls (Power Shift models only)

1шт.

4

92-6

LOCK WASHER,3/8"

Power Shift models only 3/8"

4шт.

5

25-106

NUT,3/8"-16, G5

- hex. (3/8" - 16 NC) Power Shift models only

4шт.

6

213-4

ADJUSTABLE CLEVIS,3/8"-24 x 2 1/2"

YOKE - clevis, clutch cable

1шт.

7

141-4

CLEVIS PIN,3/8" x 1.060"

PIN, CLEVIS, 3/8" x 1.060"

1шт.

8

132-28

COTTER PIN,3/32" x 1"

Pin, Split (Cotter), 3/32" x 1"

1шт.

9

D48121

CABLE - winch control

2шт.

10

D48124

"U"BOLT ASSEMBLY - clutch cable, Includes: Ref. 11

2шт.

11

25-104

NUT,1/4"-20, G5

2шт.

12

D48124

"U"BOLT ASSEMBLY - brake cable, Includes: Ref. 13

2шт.

13

25-104

NUT,1/4"-20, G5

2шт.

14

D50949

BRACKET - winch support

1шт.

15

328-1232

BOLT,Hex, 3/4" - 16 x 2", Gr 8

4шт.

16

92-12

LOCK WASHER,3/4"

WASHER, LOCK, 3/4"

4шт.

17

113-744

X

HHCS - 3/4" - 10 NC x 1-3/4" (Grade 8)

8шт.

18

92-12

LOCK WASHER,3/4"

WASHER, LOCK, 3/4"

8шт.

19

113-734

X

HHCS - 3/4" - 10 NC x 2" (Grade 8)

4шт.

20

92-12

LOCK WASHER,3/4"

WASHER, LOCK, 3/4"

4шт.

21

129-572

NUT,3/4"-10, G8

4шт.

22

REF

INSTRUCTION

WINCH - Sweed (Parts list Figures 224 thru 236)

1шт.

23

D45246

SHAFT ASSEMBLY - winch drive (Synchromesh models only) Parts list Figure 224

1шт.

23

D47321

SHAFT ASSEMBLY - winch drive (Power Shift models only) Parts list Figure 224

1шт.

24

13-616

BOLT,Hex, 3/8" - 16 x 1", Gr 5, Full Thd

4шт.

25

D49384

GUARD - winch drive shaft

1шт.

26

92-6

LOCK WASHER,3/8"

4шт.

27

25-106

NUT,3/8"-16, G5

- hex. (3/8" - 16 NC)

4шт.

Выбрано товаров: 28