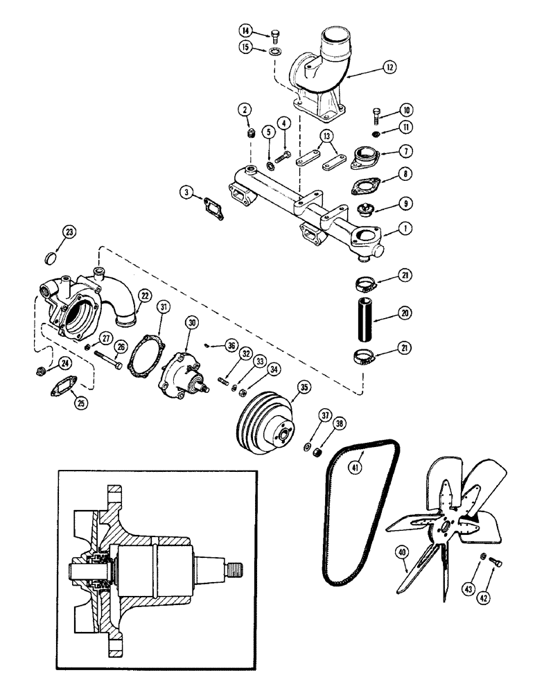
Запчасти Case 400C (010) - WATER PUMP AND ATTACHING PARTS, (336B) DIESEL ENGINE, WITH TURBO-CHARGER (02) - ENGINE

Схема запчастей Case 400C - (010) - WATER PUMP AND ATTACHING PARTS, (336B) DIESEL ENGINE, WITH TURBO-CHARGER (02) - ENGINE
FIT
1:1
100%

Артикул

Название

Примечание

Количество

1

A59211

MANIFOLD

MANIFOLD - water

1шт.

2

221-4

DRAIN PLUG,Sq Hd, 1/2"-14 NPTF

PLUG - pipe, 1/2" sq. hd.

1шт.

3

A58637

MANIFOLD GASKET

GASKET - manifold

2шт.

4

13-624

BOLT,Hex, 3/8" - 16 x 1-1/2", Gr 5

BOLT - 3/8 x 1-1/2" N.C. hex.

2шт.

4

413-632

BOLT,Hex, 3/8" - 16 x 2", Gr 5

BOLT, Hex, 3/8"-16 x 2", G5

2шт.

5

193-10

LOCK WASHER,Ext Tooth, 0.391" ID x 0.682" OD, STL, PLN

WASHER, LOCK, Ext Tooth, 3/8"

4шт.

7

A58736

HOUSING

HOUSING - thermostat

1шт.

8

G46907

GASKET

GASKET - thermostat housing

1шт.

9

A57641

THERMOSTAT

THERMOSTAT

1шт.

10

13-614

BOLT,Hex, 3/8" - 16 x 7/8", Gr 5, Full Thd

BOLT, Hex, 3/8"-16 x 7/8", G5, Full Thd

2шт.

11

193-10

LOCK WASHER,Ext Tooth, 0.391" ID x 0.682" OD, STL, PLN

WASHER, LOCK, Ext Tooth, 3/8"

2шт.

12

A61941

ELBOW

ELBOW - turbo-charger exhaust

1шт.

13

A59237

SPACER

SPACER -, Serial Range: elbow-manifold

2шт.

14

A58689

STUD

STUD - 3/8" N.C. x 1-7/8"

1шт.

14

13-624

BOLT,Hex, 3/8" - 16 x 1-1/2", Gr 5

BOLT - 3/8 x 1/2" N.C. hex.

3шт.

15

193-30

LOCK WASHER,Int Tooth, 3/8"

WASHER, LOCK, Int Tooth, 3/8"

4шт.

20

A58737

HOSE,30.99mm ID x 134.62mm L, SAE 20R4

HOSE - pump by-pass (1-1/4 x 5-5/16")

1шт.

21

214-256

HOSE CLAMP,#20, 0.81" - 1.75", Type F Worm

CLAMP - by-pass hose, 1-3/16 to 1-3/4"

2шт.

22

A60630

HOUSING

BODY ASSY. - water pump, Includes: Ref. 23

1шт.

23

A58568

PLUG,Cup, 1 3/8", Stainless

PLUG - 1-3/8" cup

1шт.

24

221-5

DRAIN PLUG,Sq Hd, 1/4"-14 NPTF

PLUG - 3/4" sq. hd. pipe

1шт.

25

A58649

GASKET

GASKET -, Serial Range: body-block

1шт.

26

13-618

BOLT,Hex, 3/8" - 16 x 1-1/8", Gr 5

BOLT, Hex, 3/8"-16 x 1 1/8", G5, Full Thd

4шт.

27

92-6

LOCK WASHER,3/8"

LOCK WASHER, 3/8"

4шт.

30

A62974

PUMP

PUMP ASSY. - water (Replaces A58641)

1шт.

30

1342818C1R

REMAN-WATER PUMP

Remanufactured Water Pump

1шт.

30

A48335

CORE-WATER PUMP

Return Part Number, Water Pump

1шт.

31

A58646

GASKET

GASKET -, Serial Range: pump-body

1шт.

32

A50362

STUD

STUD - 3/8" N.C. x 1-3/8"

4шт.

33

193-30

LOCK WASHER,Int Tooth, 3/8"

WASHER, LOCK, Int Tooth, 3/8"

4шт.

34

25-146

JAM NUT,Jam, 3/8"-16, G5

NUT - 3/8" N.C. hex., jam

4шт.

35

A58650

PULLEY

PULLEY - fan driven

1шт.

36

126-116

WOODRUFF KEY,#9, 3/16" x 3/4", HT

WOODRUFF KEY, #9, 3/16" x 3/4", HT

1шт.

37

A58651

WASHER

WASHER - 17/32 x 1-1/16 x 3/32"

1шт.

38

131-1106

LOCK NUT,1/2"-20, GB

NUT, LOCK, 1/2"-20, GB

1шт.

40

D12906

FAN

FAN - 22" pusher

1шт.

40

D12907

FAN

FAN - 22" suction

1шт.

41

A61048

SET OF BELTS,0.69" W x 58.00" L

Fan (Set of 2)

1шт.

42

13-626

BOLT,Hex, 3/8" - 16 x 1-5/8", Gr 5

BOLT, Hex, 3/8"-16 x 1 5/8", G5

4шт.

43

92-6

LOCK WASHER,3/8"

LOCK WASHER, 3/8"

4шт.

Выбрано товаров: 40