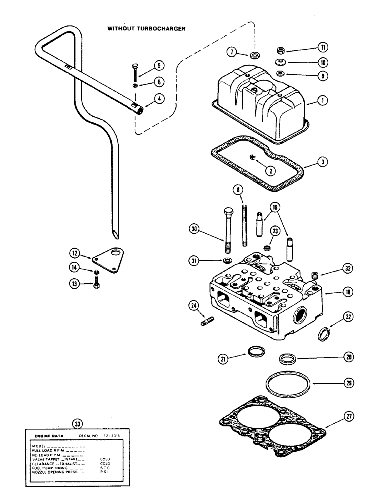
Запчасти Case 400C (020) - CYLINDER HEAD AND COVER, WITHOUT TURBOCHARGER, (336B) DIESEL ENGINE (02) - ENGINE

Схема запчастей Case 400C - (020) - CYLINDER HEAD AND COVER, WITHOUT TURBOCHARGER, (336B) DIESEL ENGINE (02) - ENGINE
FIT
1:1
100%

Артикул

Название

Примечание

Количество

1

A58929

COVER

COVER ASSEMBY - cylinder head, Includes: Ref. 2

2шт.

2

131-114

SPRING NUT,Rtnr, 1/4" - 20, 0.25" High

NUT - 1/4" N.C., Tinnerman

1шт.

3

A65734

CYLINDER HEAD GASKET

GASKET - cylinder head cover (Replaces A58928)

2шт.

4

A58733

TUBE

TUBE - breather

1шт.

5

13-440

BOLT,Hex, 1/4" - 20 x 2-1/2", Gr 5

SCREW - 1/4 x 2-1/4" hex

2шт.

6

A34133

GASKET

GASKET - breather tube screw

2шт.

7

A58635

GASKET,17.27mm ID x 32mm OD x 6.6mm Thk

GASKET -, Serial Range: tube-cover

2шт.

8

A67121

STUD

STUD - rocker arm bracket and cylinder head cover

4шт.

9

A23684

GASKET

GASKET - cover stud

4шт.

10

A23683

WASHER

WASHER - cover stud, beveled

4шт.

11

25-107

NUT,7/16"-14, G5

NUT - 7/16" N.C. hex.

4шт.

12

A58734

BRACKET

BRACKET - breather tube

1шт.

13

193-528

SCREW,SEMS, Hex Soc Hd, 3/8"-16 x 1 1/2"

BOLT - 3/8 x 1-1/2" N.C. Sems

2шт.

14

195-25

WASHER,3/8"

WASHER - spacer, 13/32 x 13/16 x 1/16" (10.32 x 20.64 x 1.59 MM)

8шт.

18

A66709

HEAD

HEAD ASSEMBLY - cylinder (Replaces A58618), Includes: Ref. 19 - 23

2шт.

18

AR66686

REMAN-CYLINDER HEAD

Remanufactured Cylinder Head

2шт.

18

AC66686

CORE-CYLINDER HEAD

Return Number

2шт.

19

A41783

GUIDE

GUIDES - intake and exhaust valves

4шт.

20

A66192

INSERT

INSERT - exhaust valve

2шт.

21

A60557

INSERT

INSERT - intake valve seat

2шт.

22

A34124

PLUG,Cup, 1 5/8", Stainless

INSERT - 1-5/8" (41.27 MM) cup

2шт.

23

A58620

PLUG,Cup, 3/4", Stainless

PLUG - 3/4" (19.05 MM) cup

1шт.

24

A59077

STUD

STUD - 3/8" N.C. x 1-13/16"

16шт.

27

REF

INSTRUCTION

GASKET - cylinder head (See Figure 39A)

2шт.

29

A58622

RING

RING - fire, standard

4шт.

29

NLS

NO LONGER SERVICED

RING - fire, thick (Coded with blue stripe)

1шт.

30

A62732

STEP BOLT

BOLT - 5/8 x 5-5/8" N.C. hex.

20шт.

31

A58629

BEARING WASHER,16.66mm ID x 25.4mm OD x 3.04mm Thk

WASHER - cylinder head bolt

20шт.

32

221-843

PLUG,Hex Soc, 3/8"-18

PLUG - 3/8" hex. socket head pipe

4шт.

33

321-1413

DECAL - engine data

1шт.

Выбрано товаров: 30