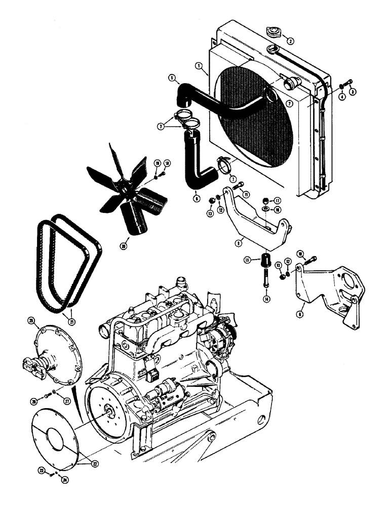
Запчасти Case 400C (064) - ENGINE, RADIATOR AND RELATED PARTS (02) - ENGINE

Схема запчастей Case 400C - (064) - ENGINE, RADIATOR AND RELATED PARTS (02) - ENGINE
FIT
1:1
100%

Артикул

Название

Примечание

Количество

1

D50873

RADIATOR

- engine (Synchromesh models only), Includes: Ref. 2

1шт.

2

D25826

CAP

- radiator

1шт.

1

D50874

RADIATOR - engine (Power shift models only), Includes: Ref. 2

1шт.

2

D25826

CAP

- radiator

1шт.

3

13-616

BOLT,Hex, 3/8" - 16 x 1", Gr 5, Full Thd

8шт.

4

92-6

LOCK WASHER,3/8"

8шт.

5

D50265

RADIATOR HOSE

Upper (Synchromesh and power shift models)

1шт.

6

D50266

HOSE - radiator, lower (Synchromesh models only)

1шт.

6

D50267

HOSE - radiator, lower (Power shift models only)

1шт.

7

214-262

HOSE CLAMP,#44, 2.31" - 3.25", Type F Worm

CLAMP - hose

4шт.

8

L47205

BRACKET

MOUNT - motor, front (Synchromesh models only)

1шт.

9

D50270

MOUNT - motor, front (Power shift models only)

1шт.

10

13-1248

BOLT,Hex, 3/4" - 10 x 3", Gr 5

(Synchromesh models only) Hex, 3/4"-10 x 3", G5

4шт.

11

13-1240

BOLT,Hex, 3/4" - 10 x 2-1/2", Gr 5

(Power shift models only) Hex, 3/4"-10 x 2 1/2", G5

2шт.

12

92-12

LOCK WASHER,3/4"

WASHER, LOCK, 3/4"

2-4шт.

13

25-1012

NUT,3/4"-10, G5

2-4шт.

14

13-1068

BOLT,Hex, 5/8" - 11 x 4-1/4", Gr 5

HHCS - 5/8" - 11 NC x 4-1/4"

1шт.

15

A19067

MOUNTING PARTS

MOUNT - shock, front

1шт.

16

A17516

WASHER

- shock mount

1шт.

17

25-1010

NUT,5/8"-11, G5

1шт.

18

13-626

BOLT,Hex, 3/8" - 16 x 1-5/8", Gr 5

4шт.

19

92-6

LOCK WASHER,3/8"

4шт.

20

A15504

FAN

- pusher, 20" (Synchromesh models only)

1шт.

20

D12906

FAN

- pusher, 22" (Power shift models only)

1шт.

20

A15519

FAN

- suction, 20" (Synchromesh models only)

1шт.

20

D12907

FAN

- suction, 22" (Power shift models only)

1шт.

21

A59296

SET OF BELTS,0.69" W x 60.00" L

SET OF 2 BELTS , Drive, Alternator and fan (Synchromesh models only) 0.69" W x 60.00" L

1шт.

21

A61048

SET OF BELTS,0.69" W x 58.00" L

BELT , Set, Drive, Alternator and fan (Power shift models only) 0.69" W x 58.00" L

1шт.

22

D50271

COVER - flywheel

2шт.

23

13-616

BOLT,Hex, 3/8" - 16 x 1", Gr 5, Full Thd

6шт.

24

92-6

LOCK WASHER,3/8"

6шт.

25

L53677

YOKE - flywheel to drive shaft (Power shift models only)

1шт.

26

13-620

BOLT,Hex, 3/8" - 16 x 1-1/4", Gr 5, Full Thd

8шт.

27

D41740

WASHER

- special, hardened (3/8")

8шт.

Выбрано товаров: 34