Запчасти Case 400C (194) - FUEL TANK AND RELATED PARTS (03) - FUEL SYSTEM

Схема запчастей Case 400C - (194) - FUEL TANK AND RELATED PARTS (03) - FUEL SYSTEM
FIT
1:1
100%

Артикул

Название

Примечание

Количество

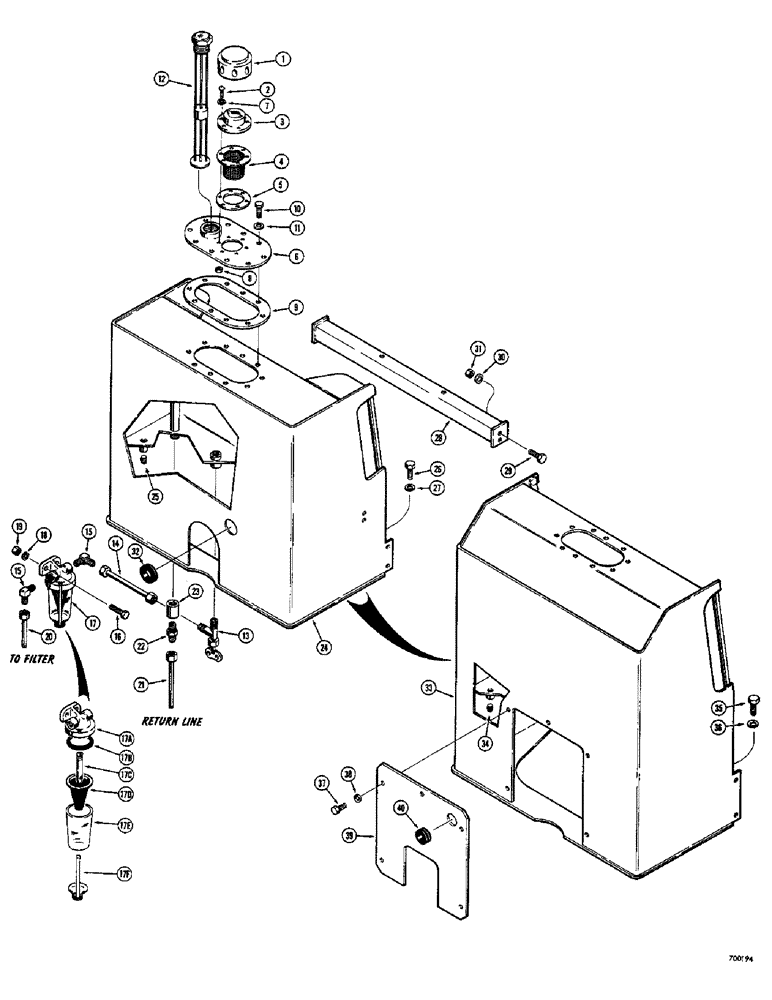
1

D45152

CAP - filler, fuel tank

1шт.

2

173-204

SCREW,Sl Rnd Hd, #10 - 24 x 3/4"

- machine, round head (#10 - 24 NC x 3/4")

6шт.

3

D45993

FLANGE - filler cap

1шт.

4

D45838

SCREEN - filler neck

1шт.

5

D45811

GASKET -, Serial Range: screen-cover

1шт.

6

D50970

COVER - fuel tank

1шт.

7

92-3

LOCK WASHER,#10

WASHER, LOCK, #10

6шт.

8

129-7

NUT,Hex, #10 - 24

- hex. (#10 - 24 NC)

6шт.

9

D45808

GASKET - cover to fuel tank

1шт.

10

13-416

BOLT,Hex, 1/4" - 20 x 1", Gr 5

10шт.

11

195-1014

WASHER

- brass

10шт.

12

D50971

CHASSIS

GAUGE - fuel level

1шт.

13

D50975

VALVE - fuel shutoff

1шт.

14

D50973

TUBE - shutoff, Serial Range: valve-strainer

1шт.

15

222-762

ELBOW,90 Degree, 7/16"-20, 45 Degree Fl x 1/8" NPT

tube to strainer 90º, 7/16"-20, 45º Fl x 1/8" NPT

2шт.

16

13-412

BOLT,Hex, 1/4" - 20 x 3/4", Gr 5, Full Thd

2шт.

17

R18798

STRAINER ELEMENT

STRAINER - fuel, Includes: Ref. 17A - 17F

1шт.

17a

R21356

HOUSING

BODY - strainer

1шт.

17b

R21357

GASKET

- bowl

1шт.

17c

R21360

TUBE,0.687" DIA x 3.344" L

- strainer

1шт.

17d

R21359

FILTER SCREEN

SCREEN - strainer

1шт.

17e

R21361

BOWL

- strainer

1шт.

17f

R21385

CLAMP

BAIL - strainer

1шт.

18

92-4

LOCK WASHER,1/4"

WASHER, LOCK, 1/4"

2шт.

19

25-104

NUT,1/4"-20, G5

2шт.

20

D50972

HOSE ASSY.

TUBE - fuel, Serial Range: strainer-filter

1шт.

21

D50974

TUBE - return, fuel injector, Serial Range: line-tank

1шт.

22

218-1022

HYD CONNECTOR,7/16"-20, 37 Degree x 1/4"-18, NPTF

ADAPTER - straight

1шт.

23

221-336

COUPLING,Pipe, 1/4" NPT

1шт.

24

D50979

TANK - fuel, USED ON SYNCHROMESH MODELS ONLY

1шт.

25

221-34

DRAIN PLUG,Hex Soc, 1/2"-14, NPTF

PLUG - pipe (1/2" NPT), USED ON SYNCHROMESH MODELS ONLY

1шт.

26

13-824

BOLT,Hex, 1/2" - 13 x 1-1/2", Gr 5, Full Thd

Used on Synchromesh Models only Hex, 1/2"-13 x 1 1/2", G5, Full Thd

4шт.

27

92-8

LOCK WASHER,1/2"

Used on synchromesh models only 1/2"

4шт.

28

D50977

BRACE - fuel tank shield, USED ON SYNCHROMESH MODELS ONLY

1шт.

29

13-620

BOLT,Hex, 3/8" - 16 x 1-1/4", Gr 5, Full Thd

Used on Synchromesh models only Hex, 3/8"-16 x 1 1/4", G5, Full Thd

4шт.

30

92-6

LOCK WASHER,3/8"

used on Synchromesh models only 3/8"

4шт.

31

25-106

NUT,3/8"-16, G5

- hex. (3/8" - 16 NC), USED ON SYNCHROMESH MODELS ONLY

4шт.

32

D50976

GROMMET - rubber, USED ON SYNCHROMESH MODELS ONLY

1шт.

33

D50980

TANK - fuel, USED ON POWER SHIFT MODELS ONLY

1шт.

34

221-34

DRAIN PLUG,Hex Soc, 1/2"-14, NPTF

PLUG - pipe (1/2" NPT), USED ON POWER SHIFT MODELS ONLY

1шт.

35

13-824

BOLT,Hex, 1/2" - 13 x 1-1/2", Gr 5, Full Thd

Used on Power Shift Models only Hex, 1/2"-13 x 1 1/2", G5, Full Thd

4шт.

36

92-8

LOCK WASHER,1/2"

Used on power shift models only 1/2"

4шт.

37

13-412

BOLT,Hex, 1/4" - 20 x 3/4", Gr 5, Full Thd

Used on Power Shift models only Hex, 1/4"-20 x 3/4", G5, Full Thd

5шт.

38

92-4

LOCK WASHER,1/4"

WASHER, LOCK, , Used on Power Shift models only 1/4"

5шт.

39

D50978

COVER - access, fuel tank, USED ON POWER SHIFT MODELS ONLY

1шт.

40

D50976

GROMMET - rubber, USED ON POWER SHIFT MODELS ONLY

1шт.

Выбрано товаров: 46