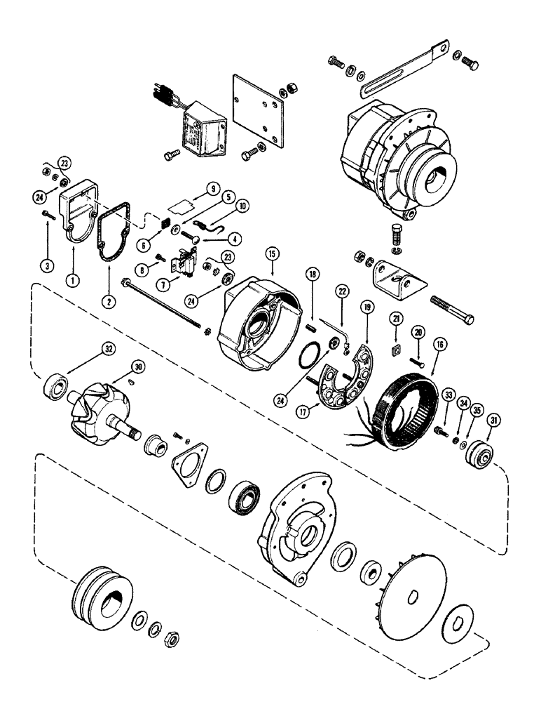
Запчасти Case 400C (060) - ALTERNATOR, (336B) DIESEL ENGINE (04) - ELECTRICAL SYSTEMS

Схема запчастей Case 400C - (060) - ALTERNATOR, (336B) DIESEL ENGINE (04) - ELECTRICAL SYSTEMS
FIT
1:1
100%

Артикул

Название

Примечание

Количество

A41360

ALTERNATOR

ALTERNATOR ASSY. - (35 amp.) (Motorola #MH24N-901), Includes: Ref. 1 - 35

1шт.

104021A1R

REMAN-ALTERNATOR

Remanufactured 24 Volt, 35 Amp Alternator

1шт.

104021A1C

CORE-ALTERNATOR

Return Number, 24 Volt, 35 Amp Alternator

1шт.

1

A41435

COVER ASSY

COVER - rear housing

1шт.

2

A41341

GASKET

GASKET - cover

1шт.

3

187-482

SPARE PART SCREW - #8 x 3/4" hex. self-tapping

2шт.

4

A41036

SCREW

BOLT - #10-24 rd. hd.

1шт.

5

G49045

WASHER

WASHER - 17/64 x 39/64 x 16 ga.

1шт.

6

A41041

INSULATOR

INSULATOR - alternator brush

1шт.

7

A41048

BRUSH, COMMUTATOR

BRUSH HOLDER ASSY. - brush

1шт.

8

187-480

SCREW,Hex Hd, #8 x 1/2"

SCREW - #8 x 1/2" hex., self-tapping

2шт.

9

A41042

INSULATOR

INSULATOR - brush, shunt lead

1шт.

10

A41046

ELECTRICAL WIRE

WIRE CABLE - internal field

1шт.

15

A41045

COVER

HOUSING - rear

1шт.

16

A42809

STATOR

STATOR ASSY.

1шт.

17

A42808

DIODE

DIODE ASSY. - negative, black

1шт.

18

A41040

INSULATOR

SLEEVE - nylon, 13/64 x 17/64 x 68" (Cut as req.)

2шт.

19

A41443

DIODE ELEMENT

DIODE ASSY. - positive, red

1шт.

20

A41436

SCREW

STUD - rectifier ring

1шт.

21

A41041

INSULATOR

INSULATOR - rectifier stud

1шт.

22

A41432

CABLE PULLING GRIP

CABLE - phase tap

1шт.

23

A41060

LOCK NUT

LOCKNUT PACKAGE, Includes: Ref. 24

1шт.

24

A41038

WASHER

WASHER - 13/64 x 3/4 x 1/16"

7шт.

30

A42807

ROTOR

ROTOR ASSY., Includes: Ref. 31 - 35

1шт.

31

A41032

SLIP RING

RING - slip

1шт.

32

A42810

BEARING ASSY,0.6693" ID x 1.5748" OD x 0.4724"

BEARING - sealed, 21/32 x 1-37/64 x 15/32"

1шт.

33

163-4

SCREW,Hex, #10 - 32 x 5/8"

SCREW - #10 x 5/8" sckt. hd., cap

1шт.

34

192-18

LOCK WASHER,Helical Spring, #10, 0.196" ID, CST, ZND

WASHER, LOCK, #10

1шт.

35

A42811

SPARE PART INSULATOR - washer

1шт.

Выбрано товаров: 29