Запчасти Case 400C (062) - ALTERNATOR, (336B) DIESEL ENGINE (04) - ELECTRICAL SYSTEMS

Схема запчастей Case 400C - (062) - ALTERNATOR, (336B) DIESEL ENGINE (04) - ELECTRICAL SYSTEMS
FIT
1:1
100%

Артикул

Название

Примечание

Количество

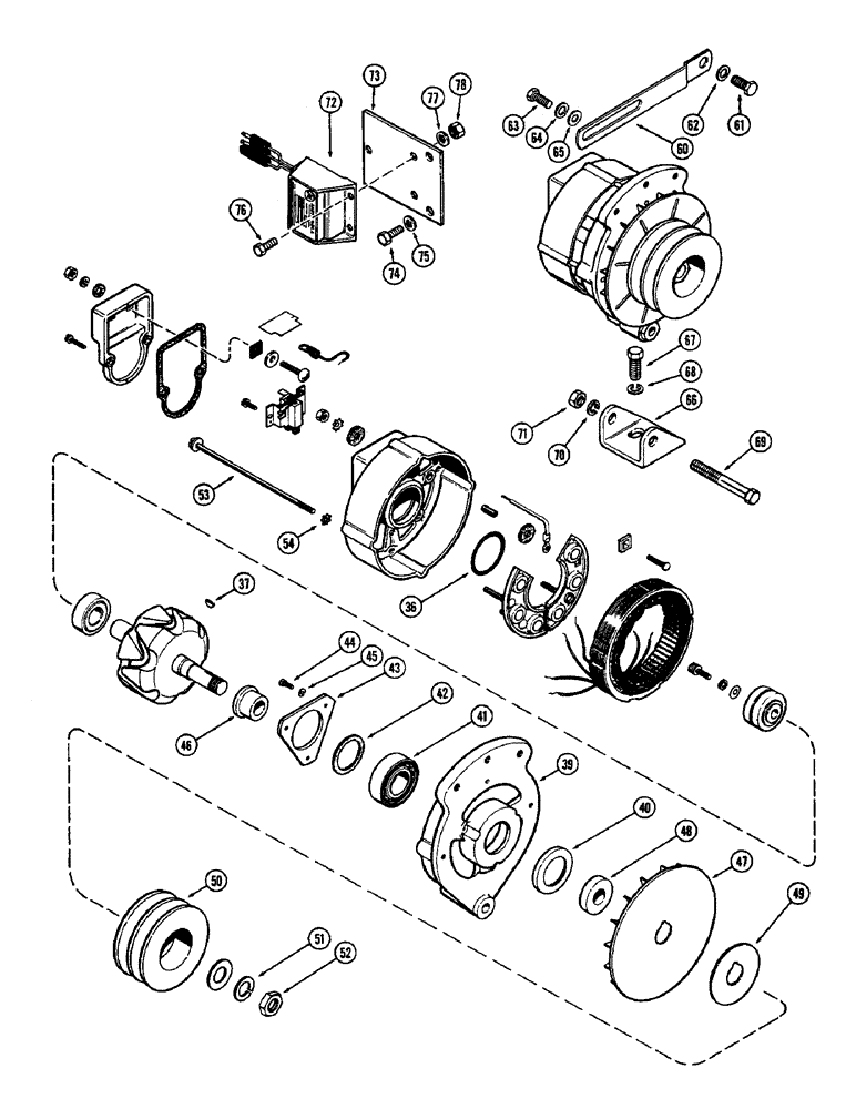
A41360

ALTERNATOR

ALTERNATOR - (Continued from Figure 60), Includes: Ref. 36 - 54

1шт.

104021A1R

REMAN-ALTERNATOR

Remanufactured 24 Volt, 35 Amp Alternator

1шт.

104021A1C

CORE-ALTERNATOR

Return Number, 24 Volt, 35 Amp Alternator

1шт.

36

A42806

RING

RETAINER - rear bearing

1шт.

37

126-111

WOODRUFF KEY,#5, 1/8" x 5/8", HT

WOODRUFF KEY, #5, 1/8" x 5/8", HT

1шт.

39

A41437

HOUSING

HOUSING - front

1шт.

40

A41047

SEAL ASSY.

SEAL - bearing

1шт.

41

A42075

BEARING ASSY,0.9839" ID x 2.0472" OD x 0.5906"

BEARING - sealed, 63/64 x 2-3/64 x 19/32"

1шт.

42

A41039

RETAINER

WASHER - 1-1/4 x 1-5/8 x 3/32"

1шт.

43

A41050

SPARE PART RETAINER - front bearing

1шт.

44

182-84

SCREW,Slotted Pan Hd, #8-32 x 3/8"

SCREW - #8 x 3/8" N.C. sltd. pan hd.

3шт.

45

192-16

LOCK WASHER,Helical Spring, #8, 0.17" ID, CST, ZND

Washer, Lock, #8

3шт.

46

A41052

SLEEVE

SLEEVE - shaft

1шт.

47

A42431

FAN

FAN - alternator ventilating

1шт.

48

A42432

SPACER

SPACER - fan

1шт.

49

A41051

SPACER

SPACER - pulley

1шт.

50

A41361

PULLEY

PULLEY - drive

1шт.

51

192-25

LOCK WASHER,5/8"

WASHER, LOCK, 5/8"

1шт.

52

A41035

NUT

NUT- 5/8" N.C. hex.

1шт.

53

A41037

BOLT

BOLT - thru

4шт.

54

193-41

WASHER,Ext-Int Tooth, #8

WASHER, LOCK, Ext-Int Tooth, #8

4шт.

60

A62429

STRAP

STRAP - alternator adjusting (Replaces A34548)

1шт.

61

13-616

BOLT,Hex, 3/8" - 16 x 1", Gr 5, Full Thd

BOLT, Hex, 3/8"-16 x 1", G5, Full Thd

1шт.

62

92-6

LOCK WASHER,3/8"

LOCK WASHER, 3/8"

1шт.

63

113-102

BOLT,Hex, 5/16" - 18 x 3/4", Gr 5

BOLT, Hex, 5/16"-18 x 3/4", G5, Full Thd

1шт.

64

192-20

LOCK WASHER,Helical Spring, 0.318" ID, CST, ZND

WASHER, LOCK, 5/16"

1шт.

65

195-103

WASHER,5/16"

WASHER - 3/8 x 7/8 x 5/64"

1шт.

66

A38492

BRACKET

BRACKET - mounting

1шт.

67

13-616

BOLT,Hex, 3/8" - 16 x 1", Gr 5, Full Thd

BOLT, Hex, 3/8"-16 x 1", G5, Full Thd

2шт.

68

92-6

LOCK WASHER,3/8"

LOCK WASHER, 3/8"

2шт.

69

113-241

BOLT,Hex, 3/8" - 16 x 3", Gr 5

BOLT, Hex, 3/8"-16 x 3", G5

1шт.

70

192-21

LOCK WASHER,3/8"

WASHER, LOCK, 3/8"

1шт.

71

129-103

NUT,Hex, 3/8" - 16, Gr 5

NUT, 3/8"-16, G5

1шт.

72

D41431

REGULATOR

REGULATOR - voltage

1шт.

73

A62346

BRACKET - regulator mounting

1шт.

74

13-512

BOLT,Hex, 5/16" - 18 x 3/4", Gr 5

BOLT, Hex, 5/16"-18 x 3/4", G5, Full Thd

2шт.

75

193-29

LOCK WASHER,Int Tooth, 5/16"

WASHER, LOCK, Int Tooth, 5/16"

2шт.

76

113-2

BOLT,Hex, 1/4" - 20 x 5/8", Gr 5

BOLT, Hex, 1/4"-20 x 5/8", G5, Full Thd

3шт.

77

193-28

LOCK WASHER,Int Tooth, 1/4"

WASHER - Shakeproof, 1/4" int.

3шт.

78

7770

NUT,Hex, 1/4 - 20, Cl 5

NUT, 1/4"-20, G5

3шт.

Выбрано товаров: 40