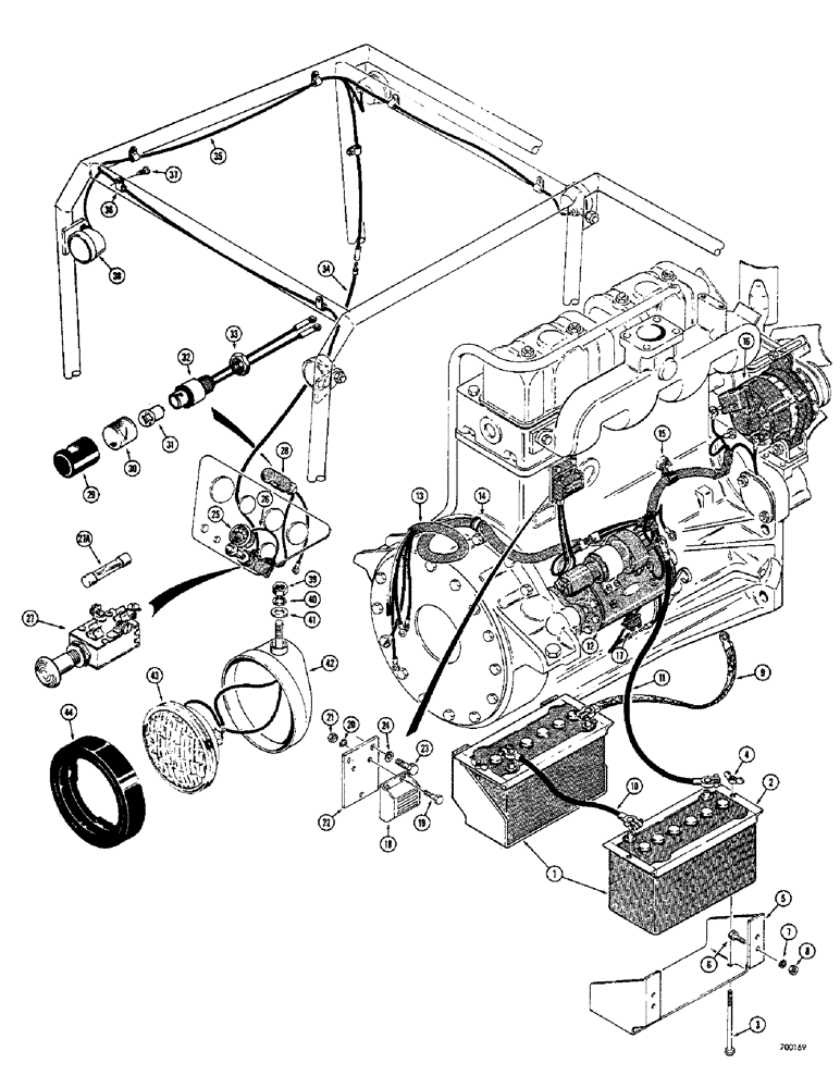
Запчасти Case 400C (066) - ELECTRICAL SYSTEM (04) - ELECTRICAL SYSTEMS

Схема запчастей Case 400C - (066) - ELECTRICAL SYSTEM (04) - ELECTRICAL SYSTEMS
FIT
1:1
100%

Артикул

Название

Примечание

Количество

1

A38411

DRY BATTERY

- dry type, 12 volt

2шт.

2

D51194

HOLD DOWN - battery

2шт.

3

13-6152

HHCS - 3/8" - 16 NC x 9-1/2" Hex, 3/8"-18 x 9 1/2", G5

4шт.

4

129-410

WING NUT,3/8"-16

NUT - wing, 3/8" - 16 NC

4шт.

5

D51196

BOX - battery

2шт.

6

13-620

BOLT,Hex, 3/8" - 16 x 1-1/4", Gr 5, Full Thd

8шт.

7

92-6

LOCK WASHER,3/8"

8шт.

8

25-106

NUT,3/8"-16, G5

- hex. (3/8" - 16 NC)

8шт.

9

A36368

STRAP

CABLE - ground

1шт.

10

D51193

CABLE

- jumper (When stock is exhausted, order L40271 cable for service)

1шт.

10

L40271

CABLE

- jumper

1шт.

11

A9168

CABLE

- battery to starter, positive (Synchromesh models only)

1шт.

11

D51195

CABLE - battery to starter, positive (Power shift models only)

1шт.

12

REF

INSTRUCTION

STARTING MOTOR - engine (See Figures 50-58 for starting motor and mounting parts)

1шт.

13

D51191

HARNESS - wiring, main

1шт.

14

515-23159

CLAMP,5/8", Insul, 3/8" Bolt

CLIP - wiring harness, rear

1шт.

15

D45849

CLIP - wiring harness, front

1шт.

16

REF

INSTRUCTION

ALTERNATOR - electrical (See Figures 60-62 for alternator and mounting parts)

1шт.

17

REF

INSTRUCTION

SWITCH - oil pressure gauge (See Figure 68 for switch and related parts)

1шт.

18

D41431

REGULATOR

- voltage

1шт.

19

13-412

BOLT,Hex, 1/4" - 20 x 3/4", Gr 5, Full Thd

3шт.

20

92-4

LOCK WASHER,1/4"

WASHER, LOCK, 1/4"

3шт.

21

25-104

NUT,1/4"-20, G5

3шт.

22

D51192

BRACKET - regulator

1шт.

23

13-58

BOLT,Hex, 5/16" - 18 x 1/2", Gr 5

2шт.

24

92-5

LOCK WASHER,5/16"

2шт.

25

REF

INSTRUCTION

GAUGE - ammeter (See Figure 68 for gauges and related parts)

1шт.

26

D47405

WIRE -, Serial Range: ammeter-switch

1шт.

27

D51223

SWITCH - light, Includes: Ref. 27A

1шт.

27a

223-27

FUSE,20 Amp, Type 3AG

- light switch, 20 amperes

1шт.

28

D45656

LAMP - dash, Includes: Ref. 29 - 33

1шт.

29

D46255

COVER - lamp

1шт.

30

D37919

LENS

- lamp

1шт.

31

T33472

BULB - lamp

1шт.

32

NSS

NOT SOLD SEPARAT

SOCKET - lamp

1шт.

33

D39095

NUT

- hex. (Special)

1шт.

34

D47404

WIRE - switch to light harness

1шт.

35

D51198

HARNESS - wiring, lights

1шт.

36

D45955

CLIP - wiring harness

7шт.

37

187-1058

SELF-TAP SCREW,Slotted Pan Hd, #10 x 5/8"

SCREW - self-tapping, #10 x 5/8"

4шт.

38

D51222

LIGHT ASSY.

LIGHT ASSEMBLY - 24 volt, Includes: Ref. 39 - 44

4шт.

39

25-118

NUT,1/2"-20, G5

- hex. (1/2" - 20 NF)

1шт.

40

92-8

LOCK WASHER,1/2"

1шт.

41

95-8

WASHER,1/2"

- standard wrot 1/2"

1шт.

42

NSS

NOT SOLD SEPARAT

SHELL - light

1шт.

43

D37920

LAMP

LIGHT - sealed beam

1шт.

44

A25210

MOUNTING PARTS

RETAINER - light, rubber

1шт.

Выбрано товаров: 47