Запчасти Case 400C (078) - SYNCHROMESH TRANSMISSION, REVERSE BOX HOUSING AND RELATED PARTS (06) - POWER TRAIN

Схема запчастей Case 400C - (078) - SYNCHROMESH TRANSMISSION, REVERSE BOX HOUSING AND RELATED PARTS (06) - POWER TRAIN
FIT
1:1
100%

Артикул

Название

Примечание

Количество

D50652

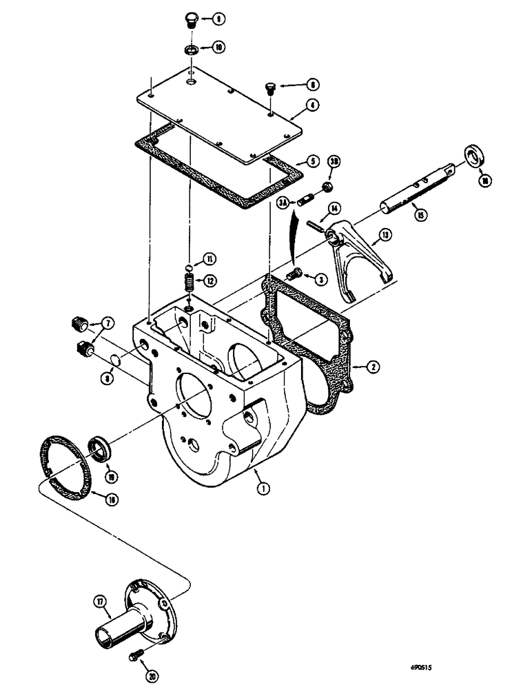
TRANSMISSION ASSEMBLY - synchromesh, complete, Includes: Ref. 1 - 20

1шт.

D52468

REVERSE BOX ASSEMBLY - transmission (Also includes items 1-35 on Figure 80), Includes: Ref. 1 - 20

1шт.

1

D48376

HOUSING - transmission reverse box

1шт.

2

D48377

GASKET - reverse box housing

1шт.

3

113-673

HHCS - self-locking (5/8" - 11 NC x 1-1/2") Use A29363 stud and 131-267 nut for service

4шт.

3a

A29363

STUD

- housing, 5/8" - 11 NC x 5/8" - 18 NF

4шт.

3b

131-267

NUT - lock (5/8" - 18 NC)

4шт.

4

D48378

COVER - reverse box

1шт.

5

D48379

GASKET - reverse box cover

1шт.

6

193-529

SCREW AND LOCKWASHER - cover (5/16" - 18 NC x 3/4")

8шт.

7

221-5

DRAIN PLUG,Sq Hd, 1/4"-14 NPTF

PLUG - pipe, sq. hd. (3/4" NPT)

2шт.

8

41-14

PLUG

- expansion, 7/8" dia.

1шт.

9

D48829

PLUG - cover

1шт.

10

D48380

GASKET - plug

1шт.

11

211-12

BALL,7/16 Dia

- poppet, 7/16" dia. steel

1шт.

12

D48381

SPRING - poppet

1шт.

13

D48382

FORK - shift

1шт.

14

D48839

PIN - Spirol, special (Fork retaining)

1шт.

15

D48383

RAIL - shift

1шт.

16

A30838

OIL SEAL

OIL SEAL - shift rail

1шт.

17

D48384

RETAINER - drive gear bearing

1шт.

18

D48385

GASKET - retainer

1шт.

19

D48836

SEAL - retainer

1шт.

20

D48386

SCREW - 5/16" - 18 NC x 7/8" (Special)

4шт.

Выбрано товаров: 24