Запчасти Case 400C (101A) - L53525 TORSIONAL DAMPENER KIT (06) - POWER TRAIN

Схема запчастей Case 400C - (101A) - L53525 TORSIONAL DAMPENER KIT (06) - POWER TRAIN
FIT
1:1
100%

Артикул

Название

Примечание

Количество

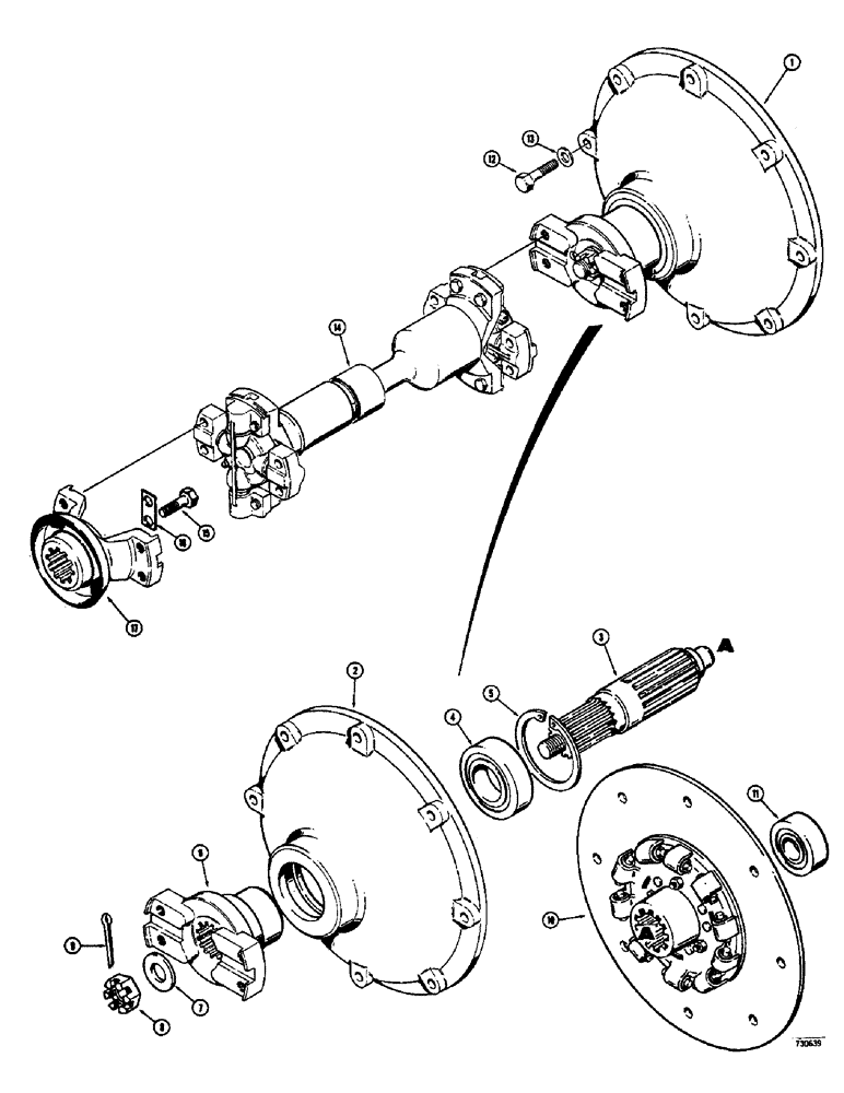
L53525

KIT

- torsional dampener, Includes: Ref. 1 - 17

1шт.

1

L53677

DAMPENER - torsional (Replaces D52914 torquematic coupling), Includes: Ref. 2 - 11

1шт.

2

L35243

HOUSING - torsional dampener

1шт.

3

L35244

SHAFT - torsional dampener

1шт.

4

L35245

BEARING

- torsional dampener housing

1шт.

5

49477

RING, SNAP

3.156", Int, #315, brg

1шт.

6

L35246

YOKE - torsional dampener

1шт.

7

195-549

WASHER,7/8", SAE

- flat (7/8")

1шт.

8

L35253

NUT

- castle, jam (7/8")

1шт.

9

132-52

COTTER PIN,1/8" x 1 1/2"

Pin, Split (Cotter), 1/8" x 1 1/2"

1шт.

10

L53524

PLATE - torsional dampener drive

1шт.

11

L35248

BEARING - pilot, torsional dampener

1шт.

12

13-620

BOLT,Hex, 3/8" - 16 x 1-1/4", Gr 5, Full Thd

8шт.

13

D41740

WASHER

- special, hardened (3/8")

8шт.

14

L26879

SHAFT

DRIVE SHAFT - torsional dampener to transmission flange (Parts list Figure 124)

1шт.

15

121-213

BOLT,Hex, Lock, 3/8"-24 x 1 1/8"

- transmission yoke (3/8" - 24 NF x 1-1/8")

2шт.

16

A12736

LOCKING PLATE

PLATE - bolt locking

1шт.

17

L52643

YOKE

- drive, Serial Range: shaft-transmission

1шт.

Выбрано товаров: 18