Запчасти Case 400C (102) - POWERSHIFT TRANSMISSION, TORQUE CONVERTER HOUSING, GEARS AND TRANSMISSION HOUSING (06) - POWER TRAIN

Схема запчастей Case 400C - (102) - POWERSHIFT TRANSMISSION, TORQUE CONVERTER HOUSING, GEARS AND TRANSMISSION HOUSING (06) - POWER TRAIN
FIT
1:1
100%

Артикул

Название

Примечание

Количество

D50653

TRANSMISSION ASSEMBLY - complete (300C only), Includes: Ref. 1 - 51

1шт.

D50654

TRANSMISSION ASSEMBLY - complete (400C only), Includes: Ref. 1 - 51

1шт.

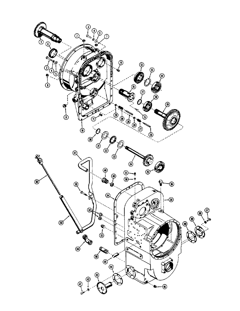
1

L32399

GEAR

- driven

1шт.

2

13-744

BOLT,Hex, 7/16" - 14 x 2-3/4", Gr 5

1шт.

3

13-722

BOLT,Hex, 7/16" - 14 x 1-3/8", Gr 5

23шт.

4

92-7

LOCK WASHER,7/16"

24шт.

5

95-7

WASHER,7/16"

- standard wrot () 7/16"

24шт.

D46602

HOUSING ASSY.

HOUSING ASSEMBLY - torque converter (Before transmission Sn. 33582) When stock is exhausted, order L33923 housing for service

1шт.

L33923

HOUSING

ASSEMBLY - torque converter (Transmission Sn. 33582 and after), Includes: Ref. 6 - 11

1шт.

6

D47509

SLEEVE

- housing

1шт.

7

D47511

PLUG

- housing, upper

2шт.

8

D47510

PLUG

- housing, upper L.H. side

1шт.

9

D47512

PLUG

- housing, center L.H. side

1шт.

10

NSS

NOT SOLD SEPARAT

HOUSING - torque converter

1шт.

11

L31168

PIN

- dowel

2шт.

12

D47567

BEARING

- ball type

1шт.

13

A12663

RING

SNAP RING - external type

1шт.

14

L31001

BEARING

- ball type

1шт.

15

D47444

SLEEVE

- converter ground

1шт.

16

121-104

BOLT,Lock Place, Hex, 5/16" - 18 x 3/4", Gr 8

HHCS - 5/16" - 18 NC x 3/4"

4шт.

17

D47445

SEAL

- ring type, second turbine

1шт.

18

D47568

BALL BEARING,2.1654" ID x 3.5433" OD x 0.7087"

BEARING - ball type

1шт.

19

L33930

GEAR

AND SHAFT - drive, second turbine

1шт.

20

D47445

SEAL

- ring type

1шт.

21

D47569

RACE

- thrust, front

1шт.

22

D47570

BEARING ASSY

BEARING - thrust, roller type

1шт.

23

D47571

RACE

- thrust, rear

1шт.

24

D47447

GEAR

AND SHAFT - drive, first turbine

1шт.

25

L31015

BEARING

- ball type

1шт.

26

D47879

PIN

- valve guide

2шт.

27

D47448

SPRING

- lube overage

1шт.

28

L31038

SPRING

- converter regulator

1шт.

29

L31023

WASHER

VALVE - toruqe converter

2шт.

30

121-204

BOLT,Lock Place, Hex, 3/8" - 16 x 5/8", Gr 8

HHCS - 3/8" - 16 NC x 5/8"

1шт.

32

221-662

PLUG,Hex Hd, 1/4"-18

- fill and check transmission oil

2шт.

33

221-1007

SPARE PART

PLUG - oil filter

1шт.

34

D48358

GASKET

- housing

1шт.

35

L47460

WASHER

HOUSING - transmission (Before transmission Sn. 32262)

1шт.

35

L33619

HOUSING

- transmission (Transmission Sn. 32262 and after) When stock is exhausted, order L35838 housing for service

1шт.

35

L35838

HOUSING

- transmission (Transmission Sn. 32262 and after)

1шт.

36

A12670

X

BREATHER - transmission

1шт.

37

13-614

BOLT,Hex, 3/8" - 16 x 7/8", Gr 5, Full Thd

6шт.

38

92-6

LOCK WASHER,3/8"

6шт.

39

D47461

COVER

- transmission housing, R.H. side

1шт.

40

A12664

GASKET

- cover

1шт.

41

13-614

BOLT,Hex, 3/8" - 16 x 7/8", Gr 5, Full Thd

6шт.

42

92-6

LOCK WASHER,3/8"

6шт.

43

L31082

STRAINER ELEMENT

STRAINER - transmission suction line

1шт.

44

A12664

GASKET

- strainer

1шт.

45

D47462

PIN

- anchor

1шт.

46

221-5

DRAIN PLUG,Sq Hd, 1/4"-14 NPTF

PLUG - transmission drain

1шт.

47

L32788

TUBE,1.25" OD

- suction

1шт.

48

L31083

NUT

- suction tube

1шт.

49

L31084

SEAL

RING - seal

1шт.

50

L31080

PLUG

- remote filter

1шт.

51

221-1025

PLUG

- housing

1шт.

52

D47281

DIPSTICK - transmission oil gauge

1шт.

53

D47282

TUBE - filler, transmission oil (Long)

1шт.

54

221-1380

ELBOW,90 Degree, 1 1/4" NPT

- pipe, 90 degrees

1шт.

55

221-1262

FITTING

NIPPLE - pipe

1шт.

Выбрано товаров: 60