Запчасти Case 400C (120) - POWERSHIFT TRANSMISSION, TRANSMISSION HYDRAULIC SYSTEM (06) - POWER TRAIN

Схема запчастей Case 400C - (120) - POWERSHIFT TRANSMISSION, TRANSMISSION HYDRAULIC SYSTEM (06) - POWER TRAIN
FIT
1:1
100%

Артикул

Название

Примечание

Количество

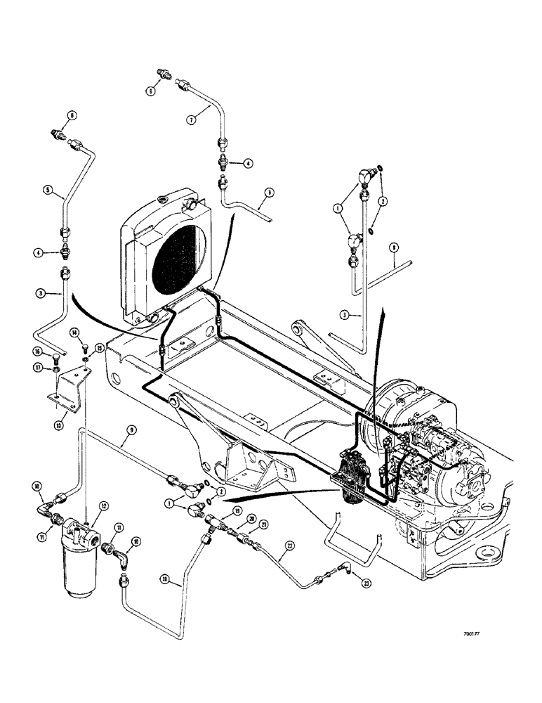
1

218-5550

ELBOW,90 Degree Elbow, 1-1/16" - 12 Male JIC x 1-1/16" - 12 Male ORB

- male, 90 degrees, Includes: Ref. 2

4шт.

2

218-5008

O-RING,0.116" Thk x 0.924" ID, -912, Cl 6, 90 Duro

SEAL - "O"ring

1шт.

3

D50933

TUBE - to oil cooler, rear

1шт.

4

218-386

CONNECTOR - male, straight

2шт.

5

D50935

TUBE - to oil cooler, front

1шт.

6

218-446

HYD CONNECTOR,1-1/16" - 12 Male JIC x 3/4" - 14 Male NPTF

CONNECTOR - male, straight

2шт.

7

D50936

TUBE - form oil cooler, front

1шт.

8

D50934

TUBE - from oil cooler, rear

1шт.

9

D50931

TUBE, Serial Range: --filter

1шт.

10

218-496

ELBOW,90 Degree Elbow, 1-5/16" - 12 Male JIC x 3/4" - 14 Male NPTF

- male, 90 degrees

2шт.

11

221-69

BUSHING

- reducing, pipe (3/4" NPT x 1-1/4" NPT)

2шт.

12

D45650

FILTER

ASSEMBLY - hydraulic oil, transmission (Parts list Figure 178)

1шт.

13

D50937

BRACKET - transmission filter

1шт.

14

13-516

BOLT,Hex, 5/16" - 18 x 1", Gr 5

2шт.

15

92-5

LOCK WASHER,5/16"

2шт.

16

13-816

BOLT,Hex, 1/2" - 13 x 1", Gr 5, Full Thd

2шт.

17

92-8

LOCK WASHER,1/2"

2шт.

18

D50932

TUBE - from filter

1шт.

19

218-5221

TEE,37 Degree, 1 1/16"-12 x 1 1/16"-12, Fem Sw Run

Adjustable, Side 37º, 1 1/16"-12 x 1 1/16"-12, Fem Sw Run

1шт.

20

218-796

REDUCER,37 Degree, 5/8" x 3/8" Tube

- tube end

1шт.

21

218-346

TUBE NUT,37 Degree, 1 1/16"-12, Type B

NUT - tube

1шт.

22

D51456

TUBE - to transmission rear cover

1шт.

23

218-484

ELBOW,90 Degree Elbow, 3/4" - 16 Male JIC x 3/8" - 18 Male NPTF

- male, 90 degrees

1шт.

Выбрано товаров: 23