Запчасти Case 400C (130) - SYNCHROMESH TRANSMISSION, MICO BRAKE LOCK (06) - POWER TRAIN

Схема запчастей Case 400C - (130) - SYNCHROMESH TRANSMISSION, MICO BRAKE LOCK (06) - POWER TRAIN
FIT
1:1
100%

Артикул

Название

Примечание

Количество

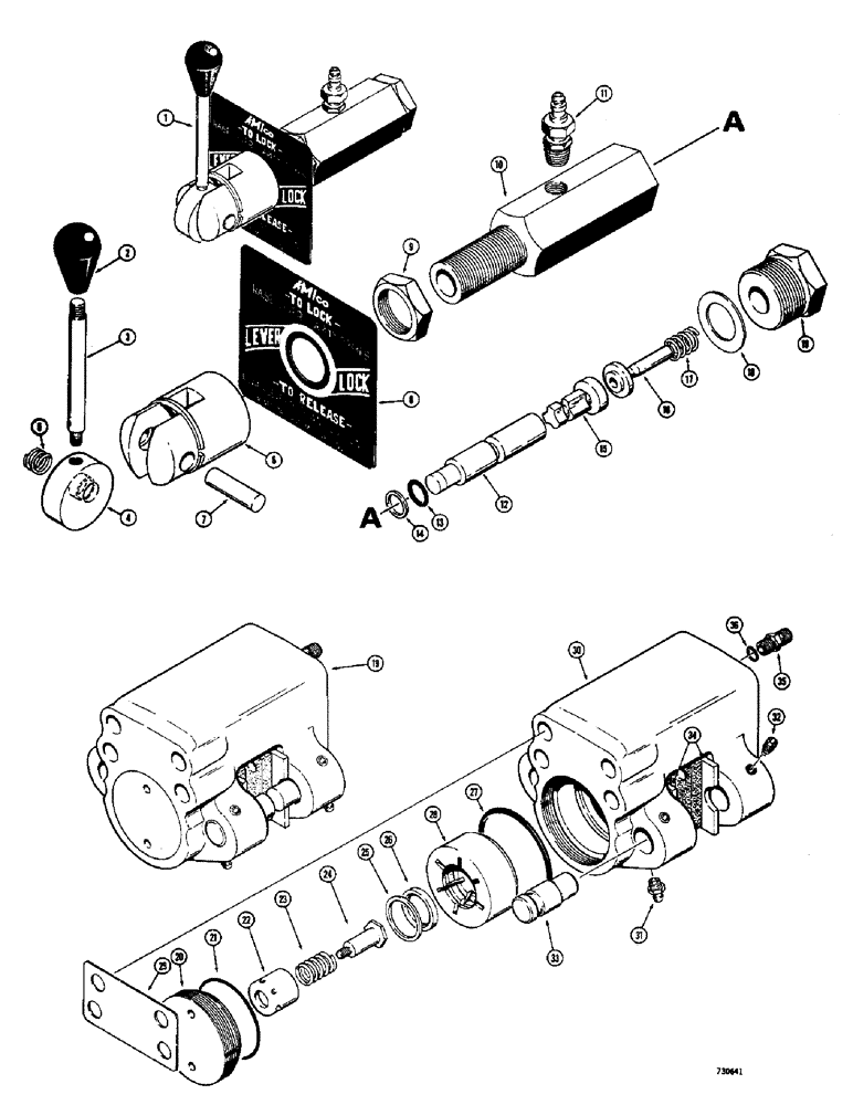
1

D51221

LOCK ASSY

MICRO LOCK - brake locking, Includes: Ref. 1 - 18A

1шт.

A16682

CLEVIS COUPLING

CLEVIS ASSEMBLY - micro lock, Includes: Ref. 2 - 7

1шт.

2

A16688

KNOB

- control handle

1шт.

3

A16687

HANDLE - switch control

1шт.

4

A16686

CAM

- switch control

1шт.

May be purchased by ordering D51416 switch repair kit.

1шт.

5

D51417

SPRING

- tension

1шт.

May be purchased by ordering D51416 switch repair kit.

1шт.

6

A16683

CLEVIS - switch control

1шт.

7

A16685

PIN

- spring

1шт.

May be purchased by ordering D51416 switch repair kit.

1шт.

8

D51414

PLATE - instruction

1шт.

9

D51415

NUT

- jam, special

1шт.

10

D46268

BODY - switch

1шт.

11

D46258

PLUG

FITTING - special, bleeder

1шт.

L35762

ROD

ASSEMBLY - push, Includes: Ref. 12 - 14

1шт.

May be purchased by ordering D51416 switch repair kit.

1шт.

12

A16678

ROD

- push

1шт.

13

A16679

O-RING

SEAL - "O"ring

1шт.

14

L35761

RING

- backup

1шт.

15

D46266

VALVE

- switch

1шт.

16

D46267

STEM

- valve

1шт.

17

A16674

SPRING

- rod return

1шт.

May be purchased by ordering D51416 switch repair kit.

1шт.

18

D46277

GASKET

- end plug

1шт.

May be purchased by ordering D51416 switch repair kit.

1шт.

18a

A16672

PLUG

- end

1шт.

19

D45169

BRAKE HEAD - drive shaft, skidder (Disc type) D45169, Includes: Ref. 20 - 36

1шт.

20

D46247

PLUG - piston, D45169 BRAKE HEAD

2шт.

21

D46246

O-RING

SEAL - "O"ring, small, D45169 BRAKE HEAD

2шт.

22

D46245

GUIDE - spring, D45169 BRAKE HEAD

2шт.

23

D46244

SPRING - compression, D45169 BRAKE HEAD

2шт.

24

D46243

SCREW - shoulder, D45169 BRAKE HEAD

2шт.

25

T28550

SNAP RING,1.50", Int, #150

Ring, Snap, , D45169 brake head 1.50", Int, #150

2шт.

26

D46248

WASHER - flat, D45169 BRAKE HEAD

2шт.

27

D46250

O-RING

SEAL - "O"ring, large, D45169 BRAKE HEAD

2шт.

28

D46249

PISTON - brake, D45169 HEAD

2шт.

29

D46256

SHIM - brake head D45169

1шт.

30

NSS

NOT SOLD SEPARAT

HOUSING - brake head D45169

1шт.

31

A41491

BLEEDER,1/4" - 28 x 23.37mm

BLEEDER SCREW - brake head D45169

4шт.

32

D46251

SCREW - set, hex. socket head D45169 BRAKE

4шт.

33

D46252

PIN - lining and carrier retaining D45169 BRAKE HEAD

4шт.

34

D46253

LINING

AND CARRIER ASSEMBLY - brake head D45169

2шт.

35

218-5053

HYD CONNECTOR,7/16" - 20 JIC x 7/16" - 20 ORB

CONNECTOR - male, straight, D45169 BRAKE HEAD, Incl. Ref. 36

1шт.

36

218-5003

O-RING,0.072" Thk x 0.351" ID, -904, Cl 6, 90 Duro

SEAL - "O"ring, D45169 BRAKE HEAD

1шт.

Выбрано товаров: 45