Запчасти Case 400C (132) - SYNCHROMESH TRANSMISSION, PARKING BRAKE AND LINKAGE (06) - POWER TRAIN

Схема запчастей Case 400C - (132) - SYNCHROMESH TRANSMISSION, PARKING BRAKE AND LINKAGE (06) - POWER TRAIN
FIT
1:1
100%

Артикул

Название

Примечание

Количество

D45655

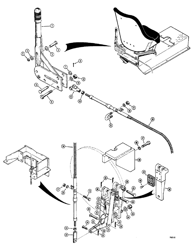
LEVER ASSEMBLY - parking brake, Includes: Ref. 1 - 8

1шт.

1

NSS

NOT SOLD SEPARAT

LEVER - parking brake

1шт.

2

D47260

PIN

- handle

1шт.

3

D47261

WASHER

- special

1шт.

4

95-5

WASHER,3/8" x 7/8" x .083"

- plain (5/16")

1шт.

5

C14652

RING

SNAP RING - pin retaining

1шт.

6

L30975

AXLE PIN,7.82mm OD x 39.69mm L

PIN - link

1шт.

7

95-5

WASHER,3/8" x 7/8" x .083"

- plain (5/16")

1шт.

8

132-26

COTTER PIN

Pin, Split (Cotter), 3/32" x 3/4"

1шт.

9

413-632

BOLT,Hex, 3/8" - 16 x 2", Gr 5

2шт.

11

92-6

LOCK WASHER,3/8"

2шт.

12

25-106

NUT,3/8"-16, G5

- hex. (3/8" - 16 NC)

2шт.

13

213-4

ADJUSTABLE CLEVIS,3/8"-24 x 2 1/2"

YOKE - parking brake cable

1шт.

14

25-116

NUT,Hex, 3/8"-24, G5

- hex. (3/8" - 24 NF)

1шт.

D47337

"U"BOLT ASSEMBLY - brake cable to bracket, Includes: Ref. 15 - 17

1шт.

15

NSS

NOT SOLD SEPARAT

"U"BOLT - brake cable

1шт.

16

92-4

LOCK WASHER,1/4"

WASHER, LOCK, 1/4"

2шт.

17

25-104

NUT,1/4"-20, G5

2шт.

18

D45858

CABLE - parking brake control

1шт.

19

413-632

BOLT,Hex, 3/8" - 16 x 2", Gr 5

1шт.

20

92-6

LOCK WASHER,3/8"

1шт.

21

25-106

NUT,3/8"-16, G5

- hex. (3/8" - 16 NC)

1шт.

22

D50981

EYE -, Serial Range: cable-brake

1шт.

23

25-116

NUT,Hex, 3/8"-24, G5

- hex. (3/8" - 24 NF)

1шт.

D45658

BRAKE ASSEMBLY - parking, Includes: Ref. 24 - 46

1шт.

24

D47183

PIN - control, Serial Range: rod-brake

1шт.

25

132-5

COTTER PIN,1/16" x 1/2"

Pin, Split (Cotter), 1/16" x 1/2"

1шт.

26

D46477

CAN - outer

1шт.

27

D46478

CAM - inner

1шт.

28

D46479

SPRING - torsion

1шт.

29

D47184

PIN - cam to eye bolt

1шт.

30

132-26

COTTER PIN

Pin, Split (Cotter), 3/32" x 3/4"

1шт.

31

D46480

EYE BOLT - brake

1шт.

32

D46481

PLATE - wear

1шт.

33

D46482

SPRING - return

1шт.

34

195-2067

WASHER,33/64" x 7/8" x .065"

- plain (1/2")

1шт.

35

131-9

LOCK NUT,Prev Torque, Hex, 1/2" - 20, Gr B

NUT - hex., lock (1/2" - 20 NF)

1шт.

36

D46483

LINK - parking brake

1шт.

37

D46374

CARRIER AND LINING ASSEMBLY - parking brake, Includes: Ref. 38 - 41

2шт.

38

NSS

NOT SOLD SEPARAT

CARRIER - brake lining

1шт.

39

D47182

BUSHING - carrier

2шт.

40

151-115

RIVET - tubular steel (3/16" dia. x 5/8")

4шт.

41

D46484

LINING - brake

1шт.

42

181-621

SCREW - set, square head (1/4" - 20 NC x 1-1/4")

2шт.

43

129-141

JAM NUT,Jam, 1/4"-20, G5

2шт.

44

D47185

PIN - carrier pivot, rear

1шт.

45

D47186

PIN - carrier pivot, front

1шт.

46

132-28

COTTER PIN,3/32" x 1"

Pin, Split (Cotter), 3/32" x 1"

2шт.

47

13-820

BOLT,Hex, 1/2" - 13 x 1-1/4", Gr 5, Full Thd

4шт.

48

92-8

LOCK WASHER,1/2"

4шт.

49

D50982

BRACKET - brake mounting

1шт.

Выбрано товаров: 51