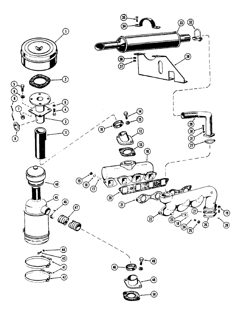
Запчасти Case 500 (006) - AIR FILTER, MANIFOLDS AND MUFFLER, (188) DIESEL ENGINE (01) - ENGINE

Схема запчастей Case 500 - (006) - AIR FILTER, MANIFOLDS AND MUFFLER, (188) DIESEL ENGINE (01) - ENGINE
FIT
1:1
100%

Артикул

Название

Примечание

Количество

1

A15169

FITLER ASSY. - air (Repair, figure 26)

1шт.

2

A15304

GASKET

- air, Serial Range: cleaner-support

1шт.

3

A15677

SUPPORT - air filter

1шт.

4

13-614

BOLT,Hex, 3/8" - 16 x 7/8", Gr 5, Full Thd

4шт.

5

13-612

BOLT,Hex, 3/8" - 16 x 3/4", Gr 5, Full Thd

4шт.

6

92-6

LOCK WASHER,3/8"

8шт.

7

25-106

NUT,3/8"-16, G5

- 3/8" N.C. hex.

4шт.

8

A14739

SWITCH ASSY. - warning, air filter

1шт.

9

A26893

WIRE - warning, Serial Range: swt.-filter

1шт.

10

214-260

HOSE CLAMP,#36, 1.81" - 2.75", Type F Worm

2шт.

11

A16936

HOSE - air cleaner

1шт.

12

A16933

FLANGE - intake manifold

1шт.

13

A15687

GASKET -, Serial Range: flange-manifold

1шт.

14

13-620

BOLT,Hex, 3/8" - 16 x 1-1/4", Gr 5, Full Thd

2шт.

15

92-6

LOCK WASHER,3/8"

2шт.

16

A35782

MANIFOLD

- intake

1шт.

17

A29431

STUD

- intake & exhaust manifold

4шт.

18

92-6

LOCK WASHER,3/8"

10шт.

19

131-903

NUT,3/8"-16

NUT - 3/8" N.C., hex. (Seez-Pruf) (Brass)

7шт.

20

G46871

GASKET

- intake manifold

1шт.

21

G46872

MANIFOLD GASKET

- exhaust manifold

1шт.

22

G2113

EXHAUST MANIFOLD

MANIFOLD - exhaust

1шт.

23

A35208

CLAMP - intake & exhaust manifold

6шт.

24

A35175

STUD

- manifold clamp

6шт.

25

25-106

NUT,3/8"-16, G5

- 3/8" N.C., hex.

6шт.

26

G2044

LARGE PLATE

COVER - outlet, exh. manifold

1шт.

27

G46853

MANIFOLD GASKET

- outlet cover & ext. pipe

2шт.

28

13-624

BOLT,Hex, 3/8" - 16 x 1-1/2", Gr 5

- 3/8 x 1-1/2" N.C., hex.

2шт.

29

A15683

PIPE - exhaust

1шт.

30

13-618

BOLT,Hex, 3/8" - 16 x 1-1/8", Gr 5

22шт.

31

92-6

LOCK WASHER,3/8"

2шт.

32

A27077

CLAMP

ASSY. - muffler to exh. pipe

1шт.

33

A15655

MUFFLER

- exhaust

1шт.

34

A15656

CLAMP -, Serial Range: muffler-bracket

1шт.

35

14-516

BOLT,Hex, 5/16" - 24 x 1", Gr 5, Full Thd

- 5/16 x 1" N.F., hex.

2шт.

36

92-5

LOCK WASHER,5/16"

2шт.

37

25-115

NUT,5/16"-24, G5

- 5/16" N.C. hex

2шт.

38

A37990

BRACKET - muffler support (Replaces G11351)

1шт.

40

A7486

X

PRE-SCREENER - air cleaner (Repairs, p. 26), oil bath

1шт.

41

A16504

BAND ASSY. - air cleaner mounting, oil bath

2шт.

42

75-424

SCREW

- mach., 1/4 x 1-1/4" N.C., rd. hd., oil bath air cleaner

2шт.

43

13-612

BOLT,Hex, 3/8" - 16 x 3/4", Gr 5, Full Thd

Oil bath air cleaner Hex, 3/8"-16 x 3/4", G5, Full Thd

4шт.

44

92-6

LOCK WASHER,3/8"

oil bath air cleaner 3/8"

4шт.

45

A20000

CLEANER ASSY. - air (Repair, p. 26)., oil bath cleaner

1шт.

46

214-260

HOSE CLAMP,#36, 1.81" - 2.75", Type F Worm

oil bath air cleaner #36, 1.81/2.75 Type F Worm

2шт.

47

A19586

HOSE - air intake, oil bath cleaner

1шт.

48

A19583

TUBE - air intake, oil bath cleaner

1шт.

49

13-620

BOLT,Hex, 3/8" - 16 x 1-1/4", Gr 5, Full Thd

Oil bath air cleaner Hex, 3/8"-16 x 1 1/4", G5, Full Thd

2шт.

50

A15687

GASKET - tube to int. manifold, oil bath air cleaner

1шт.

Выбрано товаров: 49