Запчасти Case 500 (015A) - CYLINDER BLOCK ASSEMBLY, FOR NARROW FLANGED SLEEVES, USED PRIOR TO ENGINE SER. NO. 2610997 (01) - ENGINE

Схема запчастей Case 500 - (015A) - CYLINDER BLOCK ASSEMBLY, FOR NARROW FLANGED SLEEVES, USED PRIOR TO ENGINE SER. NO. 2610997 (01) - ENGINE
FIT
1:1
100%

Артикул

Название

Примечание

Количество

A40592

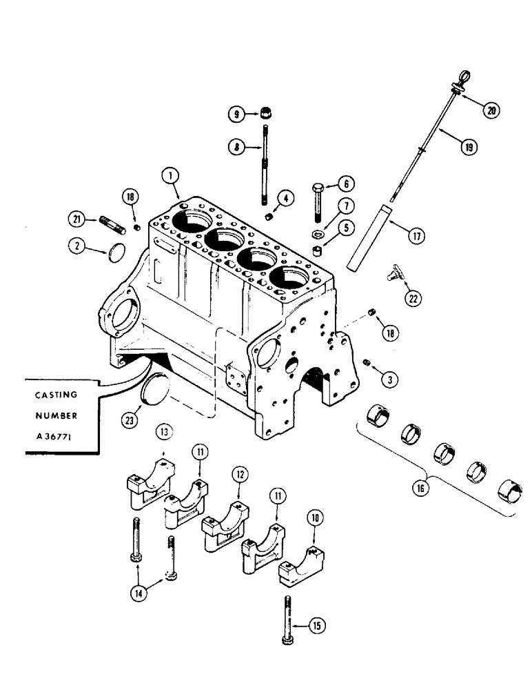
BLOCK ASSY. - cylinder, short (Not illust.) (Incl. stripped block, crankshaft & brgs., camshaft, timing gears, piston assy., connecting rods & brgs. & oil pump assy.) (Casting #A36771)

1шт.

1

A40590

BLOCK ASSY. - cylinder, stripped (Casting #A36771)

1шт.

2

A39241

PLUG,Exp, 2.12" dia

- camshaft hole, 2-1/8" expansion

1шт.

3

G49070

PLUG

- oil gallery, front, drilled

1шт.

4

221-32

PLUG,Sq Soc, 3/8"-18 NPTF

- water jacket, 3/8" P.T., ctsk. sckt. hd.

1шт.

5

G49608

RING

DOWEL - ring, head locating, 17/32 x 3/4 x 7/8"

2шт.

6

A35370

BOLT

BOLT - cyl. head, 1/2 x 4" N.C. hex. (See note)

4шт.

6

A35371

BOLT

- cyl. head, 1/2 x 5" N.C. hex. (See note)

11шт.

6

A35372

BOLT (SPREADER)

BOLT - cyl. head, 1/2 x 5-1/2" N.C. hex. (See note)

2шт.

7

A37029

WASHER

- cyl. head bolt

17шт.

8

A36903

STUD

- cyl. head & cover

2шт.

9

A36906

NUT

- cyl. head stud, 1/2" N.C. hex.

2шт.

10

G2126

CAP

- main brg., front

1шт.

11

G2128

CAP

- main brg., intermediate

2шт.

12

G2127

CAP

- main brg., center

1шт.

13

G2129

CAP

- main brg., rear

1шт.

14

G49078

BOLT - brg. caps, 1/2 x 4-1/2" N.C. spec.

8шт.

15

G49077

BOLT

- frt. brg. cap, 1/2 x 5-1/8" N.C. spec.

2шт.

16

A41232

KIT

BUSHING KIT - camshaft (Reamed to size) (Replaces A36317)

1шт.

17

A37149

TUBE

- dipstick support & oil filler (Replaces A36774)

1шт.

18

217-433

PLUG,Hex Soc, 1/4" - 18 NPTF

- oil gallery, 1/4" P.T., ctsk., sckt. hd.

2шт.

19

A37148

DIPSTICK

- oil level gauge (Replaces A36775)

1шт.

20

F62075

O-RING,0.139" Thk x 0.734" ID, -210, Cl 5, 75 Duro

"O" RING - dipstick, 3/4 x 1 x 1/8"

2шт.

21

A29365

STUD - engine, 5/8" N.C./N.F. x 2-1/2"

2шт.

22

217-103

COCK, DRAIN

COCK - drain, engine block

1шт.

23

A29268

PLUG

COVER - pump hole

1шт.

Выбрано товаров: 26