Запчасти Case 500 (086) - TRANSMISSION GEAR SHIFT (03) - TRANSMISSION

Схема запчастей Case 500 - (086) - TRANSMISSION GEAR SHIFT (03) - TRANSMISSION
FIT
1:1
100%

Артикул

Название

Примечание

Количество

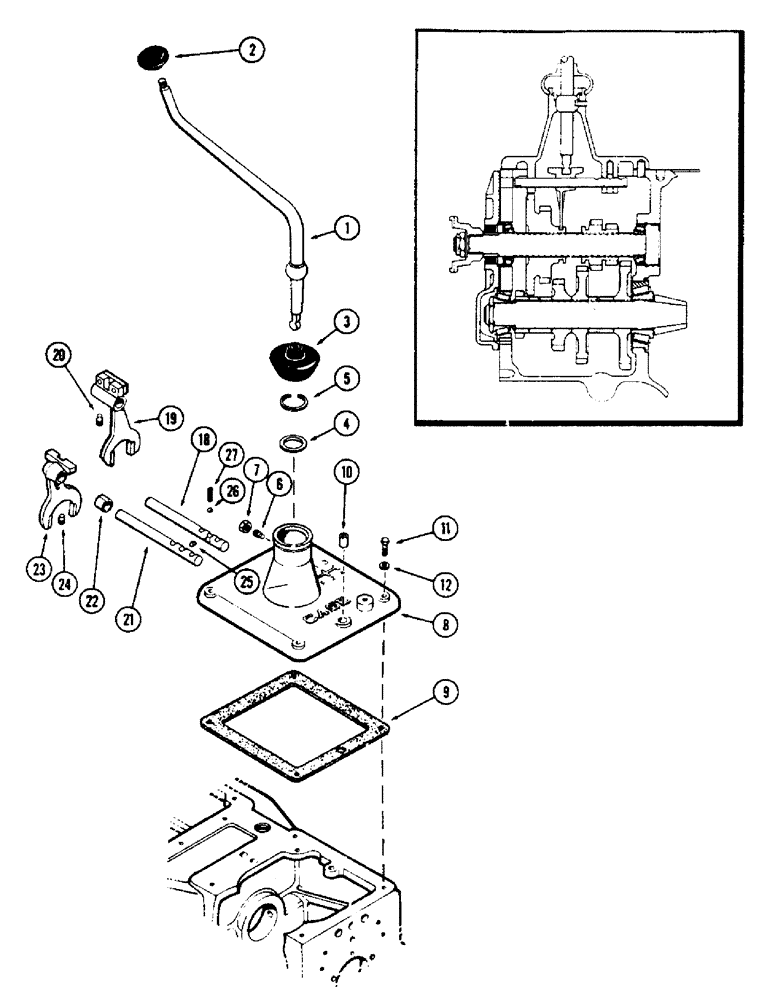
1

A13632

LEVER - gear shift

1шт.

2

A26727

BALL

KNOB - gear shift lever

1шт.

3

A26956

DUST CAP

COVER - dust, gear shift lever (Rubber)

1шт.

4

A7923

SEAT

- gear shift lever seat

1шт.

5

A26836

RING, SNAP

RING - snap, lever retaining

1шт.

6

G15468

SET SCREW,5/16" - 18 x 3/4"

- lever guide

1шт.

7

25-145

JAM NUT,Jam, 5/16"-18, G5

- lock, guide screw, 5/16" N.C. half hex.

1шт.

8

G1730

COVER - trans. case & shift control

1шт.

9

G10342

GASKET

- cover

1шт.

10

138-200

LOCK PIN,1/2" x 1", Slotted

Pin, , cover locating 1/2" x 1", Slotted

1шт.

11

13-624

BOLT,Hex, 3/8" - 16 x 1-1/2", Gr 5

- cover 3/8 x 1-1/4" N.C. hex.

4шт.

12

92-6

LOCK WASHER,3/8"

4шт.

18

G10326

ROD

SHAFT - shifter rail (1st & 2nd), 7-5/16" long

1шт.

Later units used part No. A38233

1шт.

19

G136461

FORK - shifter (1st & 2nd)

1шт.

20

A29964

LOCK SCREW,Sq Hd, 3/8" - 24 x 27/32", Drilled

- lock, shifter fork, 27/32" long

1шт.

21

G17166

SHAFT - shifter rail (3rd & 4th), 7-3/16" long

1шт.

Later units used part No. A38246

1шт.

22

G49617

SEAL PACKAGE

SPACER - shifter fork, 3/4" O.D. x 11/16" x 18 ga.

1шт.

23

G10333

X

FORK - shifter (3rd & 4th)

1шт.

24

A29965

LOCK SCREW,3/8" - 24 x 11/16", Drilled

- lock, shifter fork, 11/16" long

1шт.

25

A29060

PLUG

- shifter shafts inter-lock

1шт.

26

211-11

BALL,3/8" Dia

- shaft detent, . 3/8" Dia

2шт.

27

G47039

SPRING

- detent ball pressure

2шт.

Выбрано товаров: 24