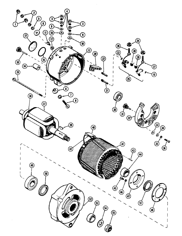
Запчасти Case 500 (070) - A18436 ALTERNATOR, (188) SPARK IGNITION ENGINE (06) - ELECTRICAL SYSTEMS

Схема запчастей Case 500 - (070) - A18436 ALTERNATOR, (188) SPARK IGNITION ENGINE (06) - ELECTRICAL SYSTEMS
FIT
1:1
100%

Артикул

Название

Примечание

Количество

A18436

ALTERNATOR ASSY. - eng. (Delco #1117078)

1шт.

1

25-114

NUT,1/4"-28, G5

- 1/4" N.F. hex.

2шт.

2

92-4

LOCK WASHER,1/4"

WASHER, LOCK, 1/4"

2шт.

3

225-14112

NUT,#12-24

- #12 - 24, hex.

4шт.

4

492-11012

LOCK WASHER,#12

WASHER, LOCK, #12

4шт.

5

NSS

NOT SOLD SEPARAT

WASHER - plain, battery term

1шт.

6

NSS

NOT SOLD SEPARAT

WASHER - insulation, battery term

2шт.

7

193-29

LOCK WASHER,Int Tooth, 5/16"

WASHER, LOCK, Int Tooth, 5/16"

1шт.

8

NSS

NOT SOLD SEPARAT

STUD - battery terminal

1шт.

9

NSS

NOT SOLD SEPARAT

WASHER - plain, field term

2шт.

10

NSS

NOT SOLD SEPARAT

WASHER - insulation, field term

2шт.

11

177-105

SCREW - ground, #10 - 32 x 1-1/2" fill. hd.

1шт.

12

92-4

LOCK WASHER,1/4"

WASHER, LOCK, 1/4"

1шт.

13

A40773

FRAME ASSY. - slip ring

1шт.

14

NSS

NOT SOLD SEPARAT

SLEEVE - hinge, frame mtg.

2шт.

15

NSS

NOT SOLD SEPARAT

RETAINER - bearing (Rubber)

1шт.

16

NSS

NOT SOLD SEPARAT

SPRING - retainer, brush holder

1шт.

17

NSS

NOT SOLD SEPARAT

PLUG - expansion, slip end

1шт.

18

A25497

DIODE

- negative

3шт.

19

A25481

BOLT - thru, alternator

4шт.

20

A25484

CONNECTOR - diode lead

1шт.

21

A25494

PIN - hinge, brush holder

1шт.

22

A25495

PIN - stop, brush holder

1шт.

23

NSS

NOT SOLD SEPARAT

WASHER - spacer, brush holder

1шт.

24

NSS

NOT SOLD SEPARAT

INSULATOR - field terminal

2шт.

25

A25489

BRUSH

HOLDER KIT - alternator (Also incl. ref. #23 and 16)

1шт.

26

NSS

NOT SOLD SEPARAT

HOLDER - brush, inside

1шт.

27

NSS

NOT SOLD SEPARAT

HOLDER - brush, outside

1шт.

28

NSS

NOT SOLD SEPARAT

SPRING - inside brush

1шт.

29

NSS

NOT SOLD SEPARAT

SPRING - outside brush

1шт.

30

A25476

BEARING

- ball, slip ring frame

1шт.

31

A25496

DIODE - positive

1шт.

32

A25510

SINK - heat

1шт.

33

NSS

NOT SOLD SEPARAT

BUSHING - insulating, heat sink

4шт.

34

NSS

NOT SOLD SEPARAT

WASHER - plain, sink screw

4шт.

35

92-3

LOCK WASHER,#10

WASHER, LOCK, #10

4шт.

36

NSS

NOT SOLD SEPARAT

SCREW - attach. sink

4шт.

37

A25490

ROTOR ASSY. - alternator

1шт.

38

A40863

PIPE

RING - slip

1шт.

39

126-115

WOODRUFF KEY,#8, 5/32" x 3/4", HT

Pulley, drive end #8, 5/32" x 3/4", HT

1шт.

40

A25500

HOLDER - stator terminal

1шт.

41

A25480

STATOR ASSY. - alternator

1шт.

42

NSS

NOT SOLD SEPARAT

CLIP - stator terminal

1шт.

43

NSS

NOT SOLD SEPARAT

PIN - dowel, locating

1шт.

44

A25516

COLLAR - space, inside fan

1шт.

45

NSS

NOT SOLD SEPARAT

SCREW - attach, brg. retainer

4шт.

46

NSS

NOT SOLD SEPARAT

WASHER - lock, attach. screw

4шт.

47

A25491

PLATE ASSY.

PLATE - retainer, bearing

1шт.

48

A25492

GASKET - bearing retainer

1шт.

49

A25478

BEARING - ball, drive end

1шт.

50

A25475

RETAINER - drive end

1шт.

51

NSS

NOT SOLD SEPARAT

WASHER - felt, bearing

1шт.

52

A25507

FRAME - drive end

1шт.

53

A25479

COLLAR - space, bearing

1шт.

54

NSS

NOT SOLD SEPARAT

WASHER - fan nut

1шт.

55

A25995

NUT

- shaft, drive end

1шт.

Выбрано товаров: 56