Запчасти Case 500 (110) - HYDRAULIC PUMP AND DRIVE (07) - HYDRAULIC SYSTEM

Схема запчастей Case 500 - (110) - HYDRAULIC PUMP AND DRIVE (07) - HYDRAULIC SYSTEM
FIT
1:1
100%

Артикул

Название

Примечание

Количество

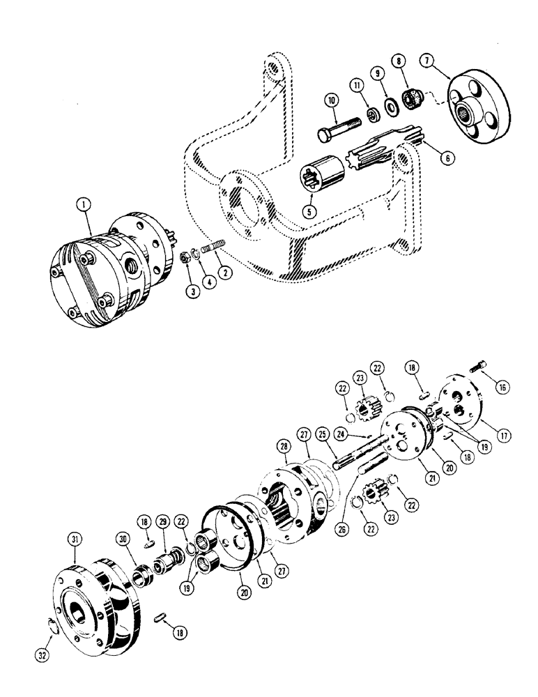
1

14230

HOSE

PUMP ASSY. - hydraulic oil

1шт.

2

A29356

STUD

- mtg., hydralic pump

6шт.

3

25-106

NUT,3/8"-16, G5

- 3/8" N.C., hex.

6шт.

4

92-6

LOCK WASHER,3/8"

6шт.

5

A14921

COUPLING - hyd., Serial Range: pump-shaft

1шт.

6

A14920

SHAFT - drive, hyd. pump

1шт.

7

G36217

HUB ASSY.

- adapter, hyd. pump shaft

1шт.

8

G36905

BLOCK

ASSY. - hub adapter

4шт.

9

A30013

WASHER,11.51mm ID x 19.05mm OD x 1.59mm Thk

- mtg., hub, Serial Range: bolt-pulley

4шт.

10

13-724

BOLT,Hex, 7/16" - 14 x 1-1/2", Gr 5

Hex, 7/16"-14 x 1 1/2, G5

4шт.

11

92-7

LOCK WASHER,7/16"

4шт.

14230

HOSE

PUMP ASSY. - hydraulic oil, 14230

1шт.

16

14253

SCREW - cover, pump, 14230 hydraulic

4шт.

17

14251

COVER - pump, 14230 hydraulic

1шт.

18

14241

HOSE

DOWEL - locating, adp. & cover to hsg., 142030 hydraulic pump

4шт.

19

D24009

BEARING

- shaft, pump, 142030 hydraulic

4шт.

20

NLS

NO LONGER SERVICED

RING - seal, pump hsg., 14230 hydraulic

2шт.

21

14252

PLATE - wear, pump gear, 14230 hydraulic

2шт.

22

14245

RING, SNAP

RING - snap, gears & seal, 14230 hydraulic pump

5шт.

23

NLS

NO LONGER SERVICED

GEAR - pump, 14230 hydraulic

2шт.

24

1958164C1

PULLEY

- locating, wear plate, 14230 hydraulic pump

1шт.

25

14235

ANCHOR

SHAFT - driver, pump, 14230 hydraulic

1шт.

26

14246

CHISEL

SHAFT - driven, pump, 14230 hydraulic

1шт.

27

NLS

NO LONGER SERVICED

GASKET - pump hsg. (.001"), 14230 hydraulic

1шт.

27

D24014

SHIM,.002" Thk

Gasket, Pump hsg, 14230 hydraulic .002" Thk

1шт.

28

14249

HOUSING - pump, 14230 hydraulic

1шт.

296

1954976C1

SHAFT

SEAL ASSY. - pump shaft, 14230 hydraulic, Spindle Shaft

1шт.

30

14238

FILE

SEAT - seal assembly, 14230 hydraulic pump

1шт.

31

14233

BRACKET

ADAPTER - mtg., pump, 14230 hydraulic

1шт.

32

14236

SNAP RING

RING - snap, pump driver shaft, 14230 hydraulic

1шт.

Выбрано товаров: 30