Запчасти Case 600 (228) - ROPS AND EXHAUST SYSTEM, EXHAUST SYSTEM PARTS, 600 SKIDDER ONLY (05) - UPPERSTRUCTURE CHASSIS

Схема запчастей Case 600 - (228) - ROPS AND EXHAUST SYSTEM, EXHAUST SYSTEM PARTS, 600 SKIDDER ONLY (05) - UPPERSTRUCTURE CHASSIS
FIT
1:1
100%

Артикул

Название

Примечание

Количество

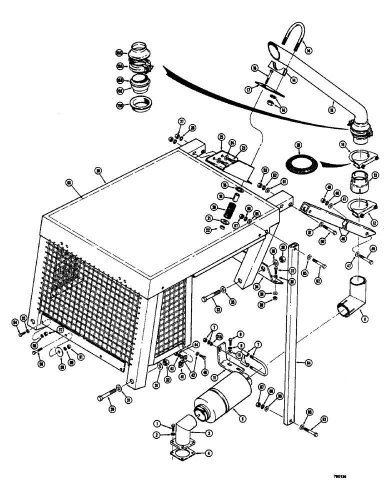
1

13-616

BOLT,Hex, 3/8" - 16 x 1", Gr 5, Full Thd

4шт.

2

92-6

LOCK WASHER,3/8"

4шт.

3

L53596

PIPE - exhaust, manifold

1шт.

4

L14218

MANIFOLD GASKET

- exhaust pipe

1шт.

5

L52686

MUFFLER

AND CLAMP ASSEMBLY - spark arrester

1шт.

6

L52742

TUBE

PIPE - muffler to upper exhaust pipe

1шт.

7

A17851

CLAMP

- exhaust

1шт.

8

13-620

BOLT,Hex, 3/8" - 16 x 1-1/4", Gr 5, Full Thd

2шт.

9

92-6

LOCK WASHER,3/8"

2шт.

10

95-6

WASHER,3/8"

- flat, 3/8"

4шт.

11

L52743

BRACKET - muffler support

1шт.

11a

95-6

WASHER,3/8"

- plain, 3/8"

1шт.

12

L52853

CLAMP

- exhaust, system parts, used on all models

1шт.

13

L52500

ADAPTER - exhaust pipe, system parts, used on all models

1шт.

14

L14222

CLAMP,79.25mm ID

- exhaust pipe to adapter and bracket, system parts, used on all models

2шт.

L53551

TUBE

PIPE ASSEMBLY - exhaust system parts, used on all models, Includes: Ref. 15 - 15E

1шт.

15

NSS

NOT SOLD SEPARAT

PIPE - exhaust system parts, used on all models

1шт.

15a

L35484

COUPLING - ball joint, clamp, exhaust system parts, used on all models

1шт.

15b

L35483

GASKET - seal, exhaust system parts, used on all models

1шт.

15c

L36035

FLANGE - socket, upper, exhaust system parts, used on all models

1шт.

15d

L36034

RETAINER

- ball flange, exhaust system parts, used on all models

1шт.

15e

L36033

CONTROL VALVE

FLANGE - ball, lower, exhaust system parts, used on all models

1шт.

16

13-644

BOLT,Hex, 3/8" - 16 x 2-3/4", Gr 5

- hex., 3/8" - 16 N.C. x 2-3/4", exhaust system parts, used on all models

1шт.

17

L53552

PLATE - exhaust mounting, system parts, used on all models

1шт.

18

95-10

WASHER,5/8"

- flat, , exhaust system parts, used on all models 5/8"

1шт.

19

G49622

SPACER,5/8" Tube x 1 7/16"

- spring, exhaust system parts, used on all models

1шт.

20

A30146

SPRING

- shock absorbing, exhaust system parts, used on all models

1шт.

21

95-6

WASHER,3/8"

- flat, , exhaust system parts, used on all models 3/8"

1шт.

22

131-352

LOCK NUT,3/8"-16, GA

NUT - hex., lock, 3/8" - 16 N.C., exhaust system parts, used on all models

1шт.

23

13-820

BOLT,Hex, 1/2" - 13 x 1-1/4", Gr 5, Full Thd

Exhaust system parts, used on all models Hex, 1/2"-13 x 1 1/4", G5, Full Thd

2шт.

24

95-8

WASHER,1/2"

plain, exhaust system parts, used on all models 1/2"

2шт.

25

L52356

BRACKET - support, exhaust system parts, used on all models

1шт.

26

92-8

LOCK WASHER,1/2"

exhaust system parts, used on all models 1/2"

2шт.

27

25-108

NUT,1/2"-13, G5

- hex., 1/2" - 13 N.C., exhaust system parts, used on all models

2шт.

28

L52376

SCREEN - protection, engine, at exhaust, system parts, used on all models

1шт.

29

13-16104

BOLT,Hex, 1" - 8 x 6-1/2", Gr 5

Structure to compartment, ROPS Hex, 1"-8 x 6 1/2", G5

2шт.

30

MACHITEM

ROLL-OVER PROTECTION STRUCTURE-ROPS, see Figure 2 for ordering

1шт.

31

95-16

WASHER,1 1/16" x 2 1/2" x .164"

- plain, 1", rops

4шт.

32

131-466

NUT - hex., lock, 1" - 8 N.C., rops

2шт.

33

15-2096

BOLT

- hex., 1-1/4" - 8 N.C. x 6", bracket to structure, rops

2шт.

34

L52280

BRACKET - cowl to structure, rops

1шт.

muffler...If a muffler has been installed, it was

1шт.

not original equipment...

1шт.

Model 800 and 825 Skid Kings DID NOT use a

1шт.

35

195-59

WASHER,1 5/16" x 2 3/4" x .165"

- plain, 1-1/4"

4шт.

36

131-479

LOCK NUT,1 1/4"-7

NUT - hex., lock, 1-16I4" - 8 N.C.

2шт.

37

13-1632

BOLT,Hex, 1" - 8 x 2", Gr 5, Full Thd

- hex., 1" - 8 N.C. x 2", bracket to cowl

2шт.

38

95-16

WASHER,1 1/16" x 2 1/2" x .164"

- plain, 1"

4шт.

39

25-1016

NUT,1"-8, G5

2шт.

40

13-620

BOLT,Hex, 3/8" - 16 x 1-1/4", Gr 5, Full Thd

Screen to compartment Hex, 3/8"-16 x 1 1/4", G5, Full Thd

6шт.

41

L52489

BRACKET

- side screen

2шт.

42

95-6

WASHER,3/8"

- plain, 3/8"

8шт.

43

92-6

LOCK WASHER,3/8"

4шт.

44

25-106

NUT,3/8"-16, G5

- hex., 3/8" - 16 N.C.

4шт.

45

13-648

BOLT,Hex, 3/8" - 16 x 3", Gr 5

- hex., 3/8" - 16 N.C. x 3", tube to cowl

2шт.

46

L52355

DEFLECTOR - brush

2шт.

47

95-6

WASHER,3/8"

- plain, 3/8"

6шт.

48

92-6

LOCK WASHER,3/8"

6шт.

49

25-106

NUT,3/8"-16, G5

- hex., 3/8" - 16 N.C.

6шт.

50

13-84

BOLT - hex., 1/2" - 13 N.C. x 2-1/2", tube to rops roof

2шт.

51

95-8

WASHER,1/2"

plain 1/2"

4шт.

52

92-8

LOCK WASHER,1/2"

2шт.

53

25-108

NUT,1/2"-13, G5

- hex., 1/2" - 13 N.C.

2шт.

54

13-616

BOLT,Hex, 3/8" - 16 x 1", Gr 5, Full Thd

Bar to compartment Hex, 3/8"-16 x 1", G5, Full Thd

2шт.

55

95-6

WASHER,3/8"

- plain, 3/8"

2шт.

56

92-6

LOCK WASHER,3/8"

2шт.

57

25-106

NUT,3/8"-16, G5

- hex., 3/8" - 16 N.C.

2шт.

58

13-624

BOLT,Hex, 3/8" - 16 x 1-1/2", Gr 5

- hex., 3/8" - 16 N.C. x 1-1/2", bar to screen

2шт.

59

A29186

WASHER

- special

2шт.

60

92-6

LOCK WASHER,3/8"

2шт.

61

25-106

NUT,3/8"-16, G5

- hex., 3/8" - 16 N.C.

2шт.

62

13-864

BOLT,Hex, 1/2" - 13 x 4", Gr 5

Deflector to structure Hex, 1/2"-13 x 4", G5

2шт.

63

13-860

BOLT,Hex, 1/2" - 13 x 3-3/4", Gr 5

Deflector to cowl Hex, 1/2"-13 x 3 3/4", G5

2шт.

64

L52251

TUBE - structure and deflector 58.5" L

2шт.

65

95-8

WASHER,1/2"

plain 1/2"

8шт.

66

92-8

LOCK WASHER,1/2"

4шт.

67

25-108

NUT,1/2"-13, G5

- hex., 1/2" - 13 N.C.

4шт.

68

L72036

HEADLINER - canopy, if used

1шт.

69

345-57

ADHESIVE

- headliner, not shown

1шт.

Выбрано товаров: 79