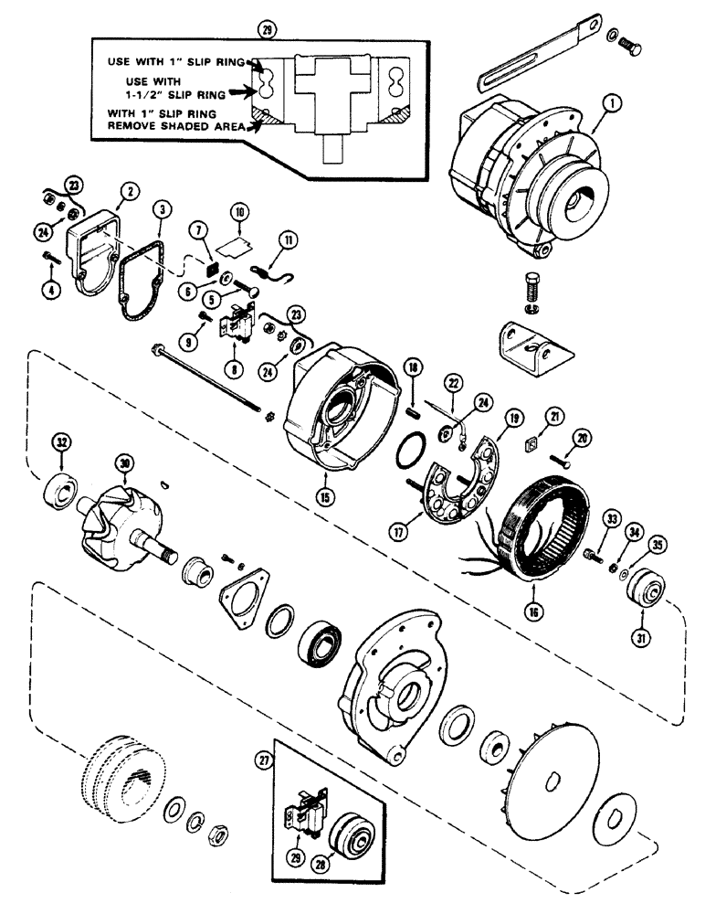
Запчасти Case 800 (068) - A41360 ALTERNATOR, (336BD) AND (336BDT) DIESEL ENGINES (06) - ELECTRICAL SYSTEMS

Схема запчастей Case 800 - (068) - A41360 ALTERNATOR, (336BD) AND (336BDT) DIESEL ENGINES (06) - ELECTRICAL SYSTEMS
FIT
1:1
100%

Артикул

Название

Примечание

Количество

1

A41360

ALTERNATOR

ALTERNATOR ASSY. - (24 volt, 35 amp) (Motorola #MH24N-901) (w/out pulley), Includes: Ref. 2 - 35

1шт.

A167152

ALTERNATOR

ALTERNATOR - 24 Volt 40 AMP

1шт.

104260A1R

REMAN-ALTERNATOR

Remanufactured 24 Volt, 40 Amp Alternator

1шт.

104260A1C

CORE-ALTERNATOR

Return Number, 24 Volt, 40 Amp Alternator

1шт.

104021A1R

REMAN-ALTERNATOR

Remanufactured 24 Volt, 35 Amp Alternator

1шт.

104021A1C

CORE-ALTERNATOR

Return Number, 24 Volt, 35 Amp Alternator

1шт.

2

A41435

COVER ASSY

COVER - rear housing

1шт.

3

A41341

GASKET

GASKET - cover

1шт.

4

187-482

SPARE PART SCREW - cover (#8 x 3/4" self-tapping)

2шт.

5

A41036

SCREW

BOLT - (#10-24 rd. hd.)

1шт.

6

G49045

WASHER

WASHER - (17/64 x 39/64 x 16 ga.)

1шт.

7

A41041

INSULATOR

INSULATOR - alternator brush

1шт.

8

A41048

BRUSH, COMMUTATOR

BRUSH HOLDER ASSY. - with brushes (See ref. 27)

1шт.

9

187-480

SCREW,Hex Hd, #8 x 1/2"

SCREW - holder (#8 x 1/2" self-tapping)

2шт.

10

A41042

INSULATOR

INSULATOR - brush shunt lead

1шт.

11

A41046

ELECTRICAL WIRE

WIRE CABLE - internal field

1шт.

15

A41045

COVER

HOUSING - rear

1шт.

16

A42809

STATOR

STATOR ASSY.

1шт.

17

A42808

DIODE

DIODE ASSY. - negative (Black)

1шт.

18

A41040

INSULATOR

SLEEVE - insulation (13/64 x 17/64 x 68" nylon) (Cut to length required)

1шт.

19

A41443

DIODE ELEMENT

DIODE ASSY. - positive (Red)

1шт.

20

A41436

SCREW

STUD - rectifier ring

1шт.

21

A41041

INSULATOR

INSULATOR - rectifier stud

1шт.

22

A41432

CABLE PULLING GRIP

CABLE - phase tap

1шт.

23

A41060

LOCK NUT

LOCK NUT PACKAGE, Includes: Ref. 24

1шт.

24

A41038

WASHER

WASHER - (13/64 x 3/4 x 1/16")

7шт.

27

A44580

SLIP RING

KIT - slip ring & brush holder replacement, Includes: Ref. 28 and 29

1шт.

28

NSS

NOT SOLD SEPARAT

RING - slip (1" dia.) (See inset)

1шт.

29

A41048

BRUSH, COMMUTATOR

BRUSH HOLDER ASSY. - brush (See inset)

1шт.

30

A42807

ROTOR

ROTOR ASSY., Includes: Ref. 31 - 35

1шт.

31

NSS

NOT SOLD SEPARAT

RING - slip (1-1/2" dia.) (Order ref. 27) (See inset)

1шт.

32

A42810

BEARING ASSY,0.6693" ID x 1.5748" OD x 0.4724"

BEARING - sealed (21/32 x 1-37/64 x 15/32")

1шт.

33

163-4

SCREW,Hex, #10 - 32 x 5/8"

SCREW - (#10 x 5/8" sckt. hd.)

1шт.

34

192-8

WASHER - #10 lock

1шт.

35

A42811

SPARE PART INSULATOR - washer

1шт.

Выбрано товаров: 35