Запчасти Case 800 (016) - AIR CLEANER AND RELATED PARTS (01) - ENGINE

Схема запчастей Case 800 - (016) - AIR CLEANER AND RELATED PARTS (01) - ENGINE
FIT
1:1
100%

Артикул

Название

Примечание

Количество

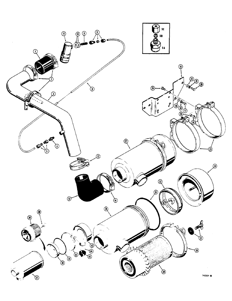
1

A23802

HOSE

- air intake, 3" I.D. x 3" long

1шт.

2

214-264

HOSE CLAMP,#52, 2.81" - 3.75", Type F Worm

CLAMP - hose, worm screw type

2шт.

3

L52077

TUBE - air intake

1шт.

4

D36264

FITTING

CONNECTOR - special, filtered

1шт.

222-5150

FITTING,3/8"-24 x 1/8" NPT, Hi-seal

CONNECTOR ASSEMBLY - straight

2шт.

5

222-5131

COUPLING, BREAK AWAY

FITTING ASSEMBLY - tube, Includes: Ref. 5A - 5C

1шт.

5a

NSS

NOT SOLD SEPARAT

FITTING - body, order 222-5131

1шт.

5b

NSS

NOT SOLD SEPARAT

SLEEVE - compression, order 222-5131

1шт.

5c

NSS

NOT SOLD SEPARAT

NUT - tube, order 222-5131

1шт.

6

222-5140

FITTING,45 Degree, 17/32"-24 x 1/4" NPT

ASSEMBLY - tube, Includes: Ref. 6A - 6C

1шт.

6a

NSS

NOT SOLD SEPARAT

FITTING - body, order 222-5140

1шт.

6b

NSS

NOT SOLD SEPARAT

SLEEVE - compression, order 222-5140

1шт.

6c

NSS

NOT SOLD SEPARAT

NUT - tube, order 222-5131

1шт.

8

D43836

TUBE

- to air indicator

1шт.

9

221-101

PIPE,Nipple, 1/8" NPT x 3/4"

NIPPLE - pipe, 1/8" N.P.T.

1шт.

10

95-6

WASHER,3/8"

- flat, 3/8"

2шт.

11

A17652

ELECTRICAL GAUGE

INDICATOR - filter

1шт.

12

214-264

HOSE CLAMP,#52, 2.81" - 3.75", Type F Worm

CLAMP - hose, worm screw type

1шт.

13

L52066

ELBOW

- hose, 90 degrees

1шт.

14

214-269

HOSE CLAMP,#72, 4.06" - 5", Type F Worm

CLAMP - hose, worm screw type

1шт.

16

L52070

BRACKET - mounting, air cleaner

4шт.

17

26-616

BOLT,Hex, 3/8" - 16 x 1", Gr 8

- hex., 3/8" - 16 N.C. x 1", grade 8

2шт.

18

92-6

LOCK WASHER,3/8"

2шт.

19

95-6

WASHER,3/8"

- flat, 3/8"

2шт.

20

26-512

BOLT,Hex, 5/16" - 18 x 3/4", Gr 8

- hex., 5/16" - 18 N.C. x 3/4", grade 8

2шт.

21

92-5

LOCK WASHER,5/16"

2шт.

22

95-5

WASHER,3/8" x 7/8" x .083"

- flat, 5/16"

2шт.

23

A16574

BAND

CLAMP ASSEMBLY - air cleaner

2шт.

24

13-616

BOLT,Hex, 3/8" - 16 x 1", Gr 5, Full Thd

4шт.

25

92-6

LOCK WASHER,3/8"

4шт.

26

25-106

NUT,3/8"-16, G5

- hex., 3/8" - 16 N.C.

4шт.

27

L52041

CLEANER

AIR CLEANER ASSEMBLY - complete, without vacuator; when stock is exhausted, order D50918 air cleaner, Ref. 36 - 45, for service, Includes: Ref. 28 - 35

1шт.

28

NSS

NOT SOLD SEPARAT

BODY - air cleaner

1шт.

29

L33913

FILTER, ELEMENT

ELEMENT - air cleaner

1шт.

30

D50941

CLAMP

- air cleaner

1шт.

31

D50939

BOLT (SPREADER)

BOLT AND WASHER ASSEMBLY - air cleaner

1шт.

32

D50942

BAFFLE

- air cleaner

1шт.

33

L33819

CUP

- air cleaner

1шт.

34

L33914

DECAL - service instructions, not shown

1шт.

35

D50946

GASKET

O-RING

1шт.

36

D50918

CLEANER

AIR CLEANER ASSEMBLY - complete, with vacuator, not shown, Includes: Ref. 37 - 45

1шт.

37

NSS

NOT SOLD SEPARAT

BODY - air cleaner

1шт.

38

D50938

ELEMENT

- air cleaner

1шт.

39

D50939

BOLT (SPREADER)

BOLT AND WASHER -, Serial Range: element-body

1шт.

40

D50942

BAFFLE

- dust

1шт.

41

D50946

GASKET

O-RING -, Serial Range: cup-body

1шт.

42

D50943

CUP

- collector

1шт.

43

L30414

VALVE

- vacuator

1шт.

44

D50945

SPRING

- vacuator valve

1шт.

45

D50941

CLAMP

BOLT AND CLAMP -, Serial Range: cup-body

1шт.

Выбрано товаров: 50