Запчасти Case 825 (264) - RHINOMATIC WINCH, CLUTCH ASSEMBLY (05) - UPPERSTRUCTURE CHASSIS

Схема запчастей Case 825 - (264) - RHINOMATIC WINCH, CLUTCH ASSEMBLY (05) - UPPERSTRUCTURE CHASSIS
FIT
1:1
100%

Артикул

Название

Примечание

Количество

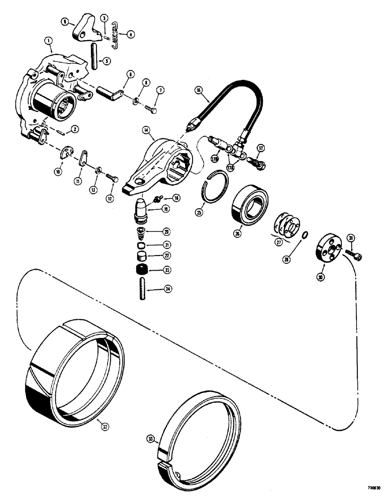
L35171

HUB ASSEMBLY - clutch, Includes: Ref. 1 and 2

1шт.

1

NSS

NOT SOLD SEPARAT

HUB - clutch

1шт.

2

L35170

PIN - roll

3шт.

3

L35151

PIN - spring retaining

2шт.

4

L35150

SPRING - lever arm

1шт.

5

L35172

ROD - push, secondary

1шт.

6

L35174

PIN - pivot

1шт.

7

13-68

SCREW,Hex, 3/8" - 16 x 1/2", Gr 5

BOLT - hex., 3/8" - 16 N.C. x 1/2"

1шт.

8

92-6

LOCK WASHER,3/8"

1шт.

9

L35173

ARM - lever

1шт.

10

L35169

CAM - adjusting

6шт.

11

L35166

PLATE - lock

6шт.

12

13-616

BOLT,Hex, 3/8" - 16 x 1", Gr 5, Full Thd

6шт.

13

92-6

LOCK WASHER,3/8"

6шт.

14

L35165

LEVER - clutch

1шт.

15

RESERVED

1шт.

L35157

HOSE

ASSEMBLY - brake, Includes: Ref. 16 - 17B

1шт.

16

L35393

HOSE

AND FITTING - brake

1шт.

17

L35394

BOLT - line

1шт.

17a

L35395

WASHER - copper, special

2шт.

17b

L35396

UNION - line

1шт.

L35167

CYLINDER ASSEMBLY - clutch, Includes: Ref. 18 - 23

1шт.

18

L35158

VALVE

- bleeder

1шт.

19

NSS

NOT SOLD SEPARAT

CYLINDER - clutch

1шт.

20

L35163

SPRING - cylinder

1шт.

21

L35162

SEAL - u-cup

1шт.

22

L35161

PISTON - cylinder

1шт.

23

L35160

BOOT - cylinder

1шт.

24

L35159

ROD - push, clutch

1шт.

25

L35156

RING - snap

1шт.

26

L35155

BEARING - ball

1шт.

27

L35154

SHIM SET - bearing

1шт.

28

L35168

O-RING

1шт.

30

L35152

CAP - gland

1шт.

31

61-622

CAPSCREW,3/8" - 16 x 1 3/8"

SHCS - 3/8" - 16 N.C. x 1-3/8"

4шт.

32

L35149

BAND - clutch, secondary

1шт.

33

L35139

BAND - clutch, primary

1шт.

Выбрано товаров: 37