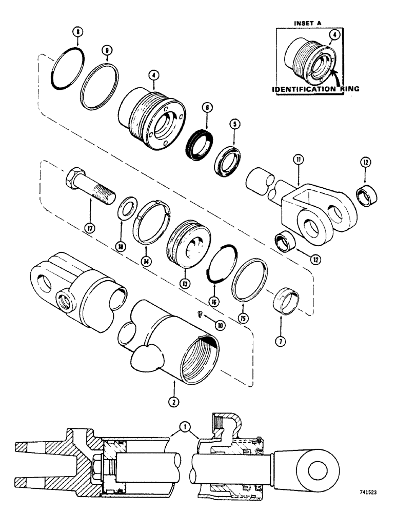
Запчасти Case 825 (098) - G33916 STEERING CYLINDER, GLAND HAS IDENTIFICATION RING (13) - STEERING SYSTEM

Схема запчастей Case 825 - (098) - G33916 STEERING CYLINDER, GLAND HAS IDENTIFICATION RING (13) - STEERING SYSTEM
FIT
1:1
100%

Артикул

Название

Примечание

Количество

1

G33916

CYLINDER ASSEMBLY - steering, 3" (76 mm) dia. cylinder with 5-1/2" (394 mm) stroke, Includes: Ref. 2 - 18

2шт.

See Figure 096 for G33916 cylinder with center bearing in gland.

1шт.

2

G33911

TUBE - cylinder body 22.69" L

1шт.

3

RESERVED

1шт.

G33485

GLAND

ASSEMBLY, Includes: Ref. 4 - 9

1шт.

4

NSS

NOT SOLD SEPARAT

GLAND

1шт.

5

D95142

WIPER SEAL,1.5" ID x 2" OD x 0.31" Thk

WIPER - piston rod, outer, 1-1/2" x 2" x 5/16"

1шт.

Part of P/N G32269 Cylinder Repair Seal Kit

1шт.

6

D36969

CUP

SEAL piston rod, 1-1/2" x 2" x 7/16", for extreme heat or cold use P/N G100776, see below

1шт.

Part of P/N G32269 Cylinder Repair Seal Kit

1шт.

7

D27706

WIPER SEAL

WIPER - piston rod, inner

1шт.

Part of P/N G32269 Cylinder Repair Seal Kit

1шт.

8

A30095

O-RING,0.139" Thk x 2.984" ID, -234, Cl 5, 75 Duro

- gland, 3" x 3-1/4" x 1/8"

1шт.

Part of P/N G32269 Cylinder Repair Seal Kit

1шт.

9

G32122

BACK-UP RING,75.82mm ID x 81.92mm OD x 1.4mm Thk

- gland, o-ring backup

1шт.

Part of P/N G32269 Cylinder Repair Seal Kit

1шт.

10

187-1031

SELF-TAP SCREW,Pan, 0.164"-32 x 1/4"

SCREW - gland lock, no. 8 - 32 N.C. x 1/4", self-tapping

1шт.

11

G34336

ROD

ASSEMBLY - piston, 1-1/2" dia., Includes: Ref. 12

1шт.

12

D34337

BUSHING

- piston rod

2шт.

13

G33747

PISTON

- cylinder

1шт.

14

G32033

RING

- wear, piston

1шт.

Part of P/N G32269 Cylinder Repair Seal Kit

1шт.

15

G32034

RING

- seal, piston, 2-7/8" x 3 x 5/32", teflon

1шт.

Part of P/N G32269 Cylinder Repair Seal Kit

1шт.

16

A28318

O-RING,0.139" Thk x 2.484" ID, -230, Cl 5, 75 Duro

- piston, 2-1/2" x 2-3/4" x 1/8"

1шт.

Part of P/N G32269 Cylinder Repair Seal Kit

1шт.

17

28-1232

BOLT,Hex, 3/4" - 16 x 2", Gr 8

Piston Hex, 3/4-16 x 2", G8, Full Thd

1шт.

18

G32317

WASHER,33.34mm ID x 63.5mm OD x 2.38mm Thk

- piston bolt, 7/8" x 1-3/8" x 1/8"

1шт.

G32269

KIT

SEAL KIT - cylinder repair, Includes: Ref. 5 - 9 and 14 - 16

1шт.

G100776

SEAL

piston rod, extreme heat or cold, optional for Ref. 6

1шт.

Выбрано товаров: 30