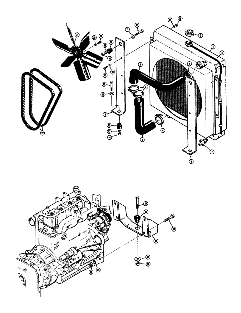
Запчасти Case 825 (012) - RADIATOR, FRONT ENGINE MOUNT AND RELATED PARTS (01) - ENGINE

Схема запчастей Case 825 - (012) - RADIATOR, FRONT ENGINE MOUNT AND RELATED PARTS (01) - ENGINE
FIT
1:1
100%

Артикул

Название

Примечание

Количество

L52196

RADIATOR ASSEMBLY - complete, 600 Skid King only, Includes: Ref. 1 - 3

1шт.

L52197

RADIATOR ASSEMBLY - complete, 800 and 825 Skid King only, Includes: Ref. 1 - 3

1шт.

1

NSS

NOT SOLD SEPARAT

RADIATOR - cooling

1шт.

2

D25826

CAP

- radiator, 6.5 to 7.5 P.S.I.

1шт.

3

L35004

FLEXIBLE HOSE

HOSE, 0.31" ID x 57", Overflow

1шт.

4

214-262

HOSE CLAMP,#44, 2.31" - 3.25", Type F Worm

CLAMP - radiator hose

4шт.

5

D50265

RADIATOR HOSE

Upper

1шт.

6

D50267

HOSE - radiator, lower

1шт.

7

217-104

VALVE

- radiator drain

1шт.

8

L51933

MOUNT - radiator, L.H.

1шт.

9

L51934

MOUNT - radiator, R.H.

1шт.

10

13-836

BOLT,Hex, 1/2" - 13 x 2-1/4", Gr 5

- hex., 1/2" - 13 N.C. x 2-1/4"

4шт.

11

195-2061

WASHER,5/8" x 1 7/8" x .134"

- plain, 1/2"

4шт.

12

L46821

SHOCK ABSORBER

BUSHING - radiator mount

4шт.

13

92-8

LOCK WASHER,1/2"

4шт.

14

25-108

NUT,1/2"-13, G5

- hex., 1/2" - 13 N.C.

4шт.

15

13-616

BOLT,Hex, 3/8" - 16 x 1", Gr 5, Full Thd

6шт.

16

95-6

WASHER,3/8"

- plain, 3/8"

6шт.

17

92-6

LOCK WASHER,3/8"

6шт.

18

25-106

NUT,3/8"-16, G5

- hex., 3/8" - 16 N.C.

6шт.

19

13-616

BOLT,Hex, 3/8" - 16 x 1", Gr 5, Full Thd

4шт.

20

92-6

LOCK WASHER,3/8"

4шт.

21

A15520

FAN

- radiator cooling, pusher, 22" dia.

1шт.

21

S513093

FAN

- suction, optional

1шт.

22

A61048

SET OF BELTS,0.69" W x 58.00" L

BELT , Set, Alternator, Fan and water pump 0.69" W x 58.00" L

1шт.

23

L51846

MOUNTING PARTS

ENGINE MOUNT - front, when stock is exhausted, order L55548 mount for service

1шт.

23

L55548

MOUNTING PARTS

ENGINE MOUNT - front

1шт.

24

13-1244

BOLT,Hex, 3/4" - 10 x 2-3/4", Gr 5

4шт.

25

92-12

LOCK WASHER,3/4"

WASHER, LOCK, 3/4"

4шт.

26

25-1012

NUT,3/4"-10, G5

4шт.

27

13-1264

BOLT,Hex, 3/4" - 10 x 4", Gr 5

1шт.

28

A19068

WASHER

- plain, 3-3/4" O.D. x 25/32" I.D.

1шт.

29

131-16

LOCK NUT,3/4"-10, GB

LOCKNUT, 3/4"-10, GB

1шт.

30

A19066

MOUNTING PARTS

SHOCK MOUNT - engine

1шт.

Выбрано товаров: 34