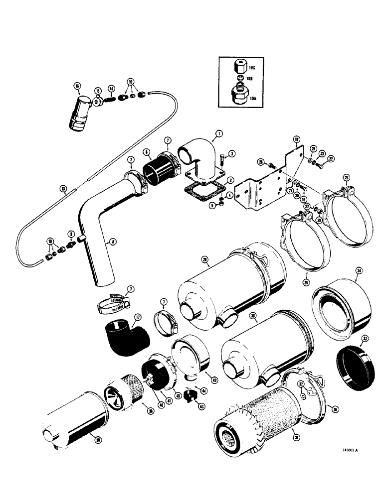
Запчасти Case 825 (014) - AIR CLEANER AND RELATED PARTS (01) - ENGINE

Схема запчастей Case 825 - (014) - AIR CLEANER AND RELATED PARTS (01) - ENGINE
FIT
1:1
100%

Артикул

Название

Примечание

Количество

1

A60458

ELBOW

- intake, manifold

1шт.

2

A58910

GASKET

- elbow, manifold

1шт.

3

13-628

BOLT,Hex, 3/8" - 16 x 1-3/4", Gr 5

4шт.

4

92-6

LOCK WASHER,3/8"

4шт.

5

25-106

NUT,3/8"-16, G5

- hex., 3/8" - 16 N.C.

4шт.

6

A23802

HOSE

- air intake, 3" I.D. x 3" long

1шт.

7

214-264

HOSE CLAMP,#52, 2.81" - 3.75", Type F Worm

CLAMP - hose, worm screw type

4шт.

8

L52078

TUBE - air intake

1шт.

9

D36264

FITTING

CONNECTOR - filtered

1шт.

222-5150

FITTING,3/8"-24 x 1/8" NPT, Hi-seal

CONNECTOR ASSEMBLY - straight

2шт.

10

222-5131

COUPLING, BREAK AWAY

FITTING ASSEMBLY - tube, Includes: Ref. 10A - 10C

1шт.

10a

NSS

NOT SOLD SEPARAT

FITTING - body, order 222-5131

1шт.

10b

NSS

NOT SOLD SEPARAT

SLEEVE - compression, order 222-5131

1шт.

10c

NSS

NOT SOLD SEPARAT

NUT - tube, order 222-5131

1шт.

11

222-5140

FITTING,45 Degree, 17/32"-24 x 1/4" NPT

ASSEMBLY - tube, Includes: Ref. 11A - 11C

1шт.

11a

NSS

NOT SOLD SEPARAT

FITTING - body, order 222-5140

1шт.

11b

NSS

NOT SOLD SEPARAT

SLEEVE - compression, order 222-5140

1шт.

11c

NSS

NOT SOLD SEPARAT

NUT - tube, order 222-5140

1шт.

13

D43836

TUBE

- to air indicator

1шт.

14

221-101

PIPE,Nipple, 1/8" NPT x 3/4"

NIPPLE - pipe, 1/8" N.P.T.

1шт.

15

95-6

WASHER,3/8"

- flat, 3/8"

2шт.

16

A17652

ELECTRICAL GAUGE

INDICATOR - filter

1шт.

17

D36262

LARGE HOSE

ELBOW - 90 degree

1шт.

18

L52070

BRACKET - mounting, air cleaner

1шт.

19

26-614

BOLT,Hex, 3/8" - 16 x 7/8", Gr 8

- hex., 3/8" - 16 N.C. x 7/8", grade 8

2шт.

20

92-6

LOCK WASHER,3/8"

2шт.

21

95-6

WASHER,3/8"

- flat, 3/8"

2шт.

22

26-512

BOLT,Hex, 5/16" - 18 x 3/4", Gr 8

- hex., 5/16" - 18 N.C. x 3/4", grade 8

2шт.

23

92-5

LOCK WASHER,5/16"

2шт.

24

95-5

WASHER,3/8" x 7/8" x .083"

- flat, 5/16"

2шт.

25

70973

BRACKET

CLAMP ASSEMBLY - air cleaner

2шт.

26

13-516

BOLT,Hex, 5/16" - 18 x 1", Gr 5

4шт.

27

92-5

LOCK WASHER,5/16"

4шт.

28

9635082

NUT,5/16" - 18, Gr 5

- hex., 5/16" - 18 N.C.

4шт.

29

L52042

CLEANER

AIR CLEANER ASSEMBLY - complete, without vacuator; when stock is exhausted, order D50917 air cleaner, Ref. 37 - 46 for service, Includes: Ref. 30 - 36

1шт.

30

NSS

NOT SOLD SEPARAT

BODY - air cleaner

1шт.

31

D37975

FILTER

ELEMENT - air cleaner

1шт.

32

F91761

WING NUT

AND WASHER ASSEMBLY - air cleaner

1шт.

33

D37979

BAFFLE

- air cleaner

1шт.

34

D40951

CUP - air cleaner

1шт.

35

L33912

DECAL - service instructions, not shown

1шт.

36

R15731

CLAMP

ASSEMBLY - air cleaner

1шт.

37

D50917

CLEANER

AIR CLEANER ASSEMBLY - complete with vacuator, not shown, Includes: Ref. 38 - 46

1шт.

38

NSS

NOT SOLD SEPARAT

BODY - air cleaner

1шт.

39

D37975

FILTER

ELEMENT - air cleaner

1шт.

40

D50940

BOLT

AND WASHER ASSEMBLY - air cleaner

1шт.

41

D37979

BAFFLE

- air cleaner

1шт.

42

D50944

CUP ASSEMBLY - collector

1шт.

43

L30414

VALVE

- vacuator

1шт.

44

D50945

SPRING

- vacuator valve

1шт.

45

R15731

CLAMP

BOLT AND CLAMP - air cleaner

1шт.

46

A45608

DECAL - air cleaner instructions, not shown

1шт.

Выбрано товаров: 52