Запчасти Case 825 (032) - CYLINDER BLOCK, (336BD) AND (336BDT) DIESEL ENGINES (01) - ENGINE

Схема запчастей Case 825 - (032) - CYLINDER BLOCK, (336BD) AND (336BDT) DIESEL ENGINES (01) - ENGINE
FIT
1:1
100%

Артикул

Название

Примечание

Количество

A150869

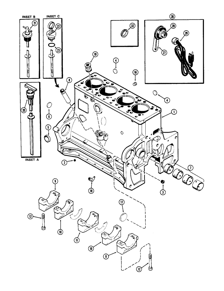
SKELETON ENGINE

BLOCK ASSY. - short (For model 600 w/336 BD engine) (Replaces A43066 & A43145) (Incl. camshaft, piston assy., conn. rods & brgs., crankshaft & brgs. & timing gears), Includes: Ref. 1 - 12

1шт.

A150870

SKELETON ENGINE

BLOCK ASSY. - short (For models 800 & 825 w/336 BDT engine) (Rpl. A43006 & A43146) (Incl. camshaft, piston assy., conn. rods & brgs., crankshaft & brgs. & timing gears), Includes: Ref. 1 - 12

1шт.

1

A150868

BLOCK ASSY.

- stripped (Rpl. A42004) (Casting no. A58502), Includes: Ref. 2 - 12

1шт.

2

221-1849

PLUG

- oil gallery (1/8" P.T., sckt. hex. hd.)

3шт.

3

221-1843

PLUG

- oil gallery (3/8" P.T., hex. sckt. hd.)

4шт.

4

A58568

PLUG,Cup, 1 3/8", Stainless

- water gallery (1-3/8" cup type)

2шт.

5

A58569

PLUG,Cup, 2", Stainless

- heater hole (2" cup type)

1шт.

6

A24361

PLUG

- camshaft hole (2-3/8" cup type)

1шт.

7

A23577

KIT

BUSHING KIT - camshaft

1шт.

8

A34540

TUBE

- oil filler & dipstick

1шт.

9

A58562

CAP

- main bearing, wide (Front & rear)

2шт.

10

A58563

CAP

- main bearing, narrow (Intermediate)

2шт.

11

A58564

CAP

- main bearing, thrust (Center) (Wide)

1шт.

12

A58566

STEP BOLT

BOLT - bearing caps (5/8 x 4-1/2" N.C. hex.)

10шт.

16

221-845

PLUG,Hex Soc, 3/4"-14

- block, 3/4" P.T., hex. sckt. hd.

1шт.

17

41-1052

PLUG,Cup, 3 1/4"

- aux. drive flange (3-1/4" cup type)

1шт.

18

222-4048

ELBOW,90º, 5/8"-24 Fem x 3/8"-18 NPTF

- 90 degrees (Turbo-charger only)

1шт.

19

A34266

DRIVE

ASSY. - tachometer

1шт.

20

A20739

GAUGE

DIPSTICK ASSY. - oil level (Turn-tite type) (11-13/16" long) (See inset A), Includes: Ref. 23

1шт.

21

A20739

GAUGE

DIPSTICK ASSY. - oil level (Turn-tite type) (12-5/16" long) (See inset B), Includes: Ref. 23

1шт.

22

A34541

DIPSTICK

ASSY. - oil level (O-ring type) (12-1/8" long) (See inset C), Includes: Ref. 23

1шт.

23

F62075

O-RING,0.139" Thk x 0.734" ID, -210, Cl 5, 75 Duro

- 3/4 x 1 x 1/8"

2шт.

26

A44812

HEATER

ASSY. - (Replaces A42279), block, Includes: Ref. 27 - 29

1шт.

27

NSS

NOT SOLD SEPARAT

ELEMENT ASSY. - heater, block

1шт.

28

A7156

O-RING,0.139" Thk x 1.734" ID, -224, Cl 6, 90 Duro

- 1-3/4 x 2 x 1/8", block heater

1шт.

29

A44813

CABLE EXTENSION

CORD ASSY. - heater (1 ft. long) (Rpl. A42297), block

1шт.

A44006

SLEEVE

KIT - block heater adapter, Includes: Ref. 32

1шт.

32

NSS

NOT SOLD SEPARAT

SLEEVE - (For 2-1/16" dia. block heater hole)

1шт.

32

NSS

NOT SOLD SEPARAT

SLEEVE - (For 2-1/8" dia. block heater hole)

1шт.

Выбрано товаров: 29