Запчасти Case 825 (238) - REAR FRAME (05) - UPPERSTRUCTURE CHASSIS

Схема запчастей Case 825 - (238) - REAR FRAME (05) - UPPERSTRUCTURE CHASSIS
FIT
1:1
100%

Артикул

Название

Примечание

Количество

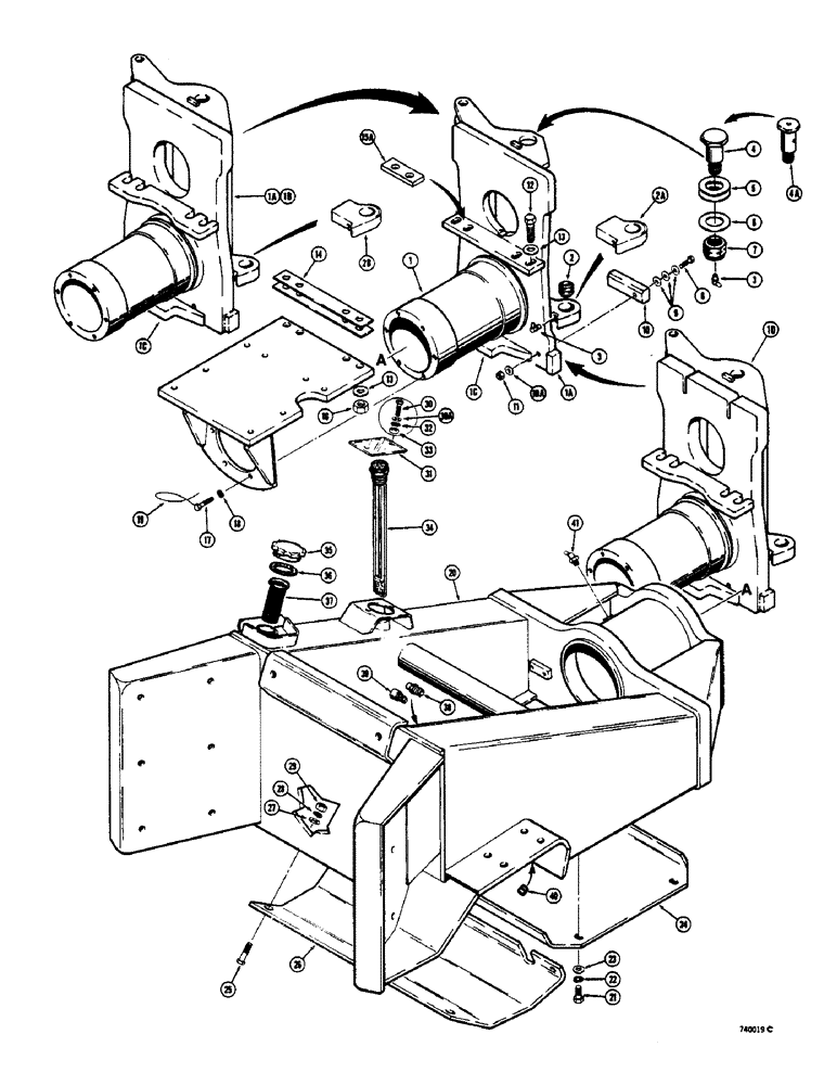
1

L51837

TUBE

- pivot, rear frame

1шт.

1a

L59786

TUBE

- oscillation, with 12" stop, use L72572 tube, (4) L52321 blocks and hardware

1шт.

1b

L70125

TUBE

- oscillation, use L72572 tube, (4) L52321 blocks and hardware, Includes: Ref. 1C

1шт.

1c

L59442

BLOCK - stop, 12"

1шт.

1d

L72572

TUBE

- oscillation

1шт.

2

D46620

BEARING,31.76 mm ID x 50.81 mm OD x 23.81 mm

- self-aligning

2шт.

2a

L59408

ANCHOR - rear steering cylinder, R.H., used with L51837 and L59786 tubes only

1шт.

2a

L59409

ANCHOR - rear steering cylinder, L.H., paired with L59408, not shown

1шт.

2b

L71200

ANCHOR - rear steering cylinder, R.H., used with L70125 oscillation tube only

1шт.

2b

L71201

ANCHOR - rear steering cylinder, R.H., paired with L71200 for service

1шт.

3

219-55

LUBE NIPPLE,90 Degree Elbow, 1/8" - 27 NPTF

NIPPLE, LUBE, 90º, 1/8" NPT x .84" lg

4шт.

4

L55538

PIN

- hinge, front to rear frame, when stock is exhausted, order L59104 pin for service

2шт.

4

L59104

PIN

- hinge, front to rear frame, when stock is exhausted, order L71293 pin for service

2шт.

4

L71293

PIN

- hinge, front to rear frame

2шт.

5

L54129

SHIM

- hinge pin, .0329" thick

1шт.

5

L47461

WASHER

SHIM - hinge pin, .0745" thick

1шт.

6

L47224

WASHER

- special, 1.53" I.D. x 3" O.D.

2шт.

7

131-43

LOCK NUT,1 1/2"-12

NUT - hex., lock, 1-1/2" - 12 N.F.

2шт.

8

13-652

BOLT,Hex, 3/8" - 16 x 3-1/4", Gr 5

- hex., 3/8" - 16 N.C. x 3-1/4"

2-4шт.

9

A41353

WASHER

- special, 3/8"

6-1шт.

10

L52321

BLOCK - stop

2-4шт.

10a

95-6

WASHER,3/8"

- flat, 3/8"

2-4шт.

11

131-352

LOCK NUT,3/8"-16, GA

NUT - hex., lock, 3/8" - 16 N.C.

2-4шт.

12

13-1672

BOLT,Hex, 1" - 8 x 4-1/2", Gr 5

4шт.

13

D30196

WASHER

- hardened, special

8шт.

14

L52025

SHIM - winch mounting plate to pivot tube

1шт.

15

L51890

PLATE - winch mounting

1шт.

15a

L59093

PLATE - winch support, tractor S.N. 9113975 and after, use 4 for added support. Also use as service replacement on earlier models

4шт.

16

25-1016

NUT,1"-8, G5

4шт.

17

A32769

BOLT

- special, drilled head

6шт.

18

92-8

LOCK WASHER,1/2"

6шт.

19

391-622

WIRE - lock, no. 16 x 15" long

3шт.

20

L54313

SUPPORT

FRAME - rear, skidder, includes fuel tank, Includes: Ref. 20A

1шт.

20a

L54621

SPACER

BUSHING - oscillation tube, not shown

2шт.

21

13-824

BOLT,Hex, 1/2" - 13 x 1-1/2", Gr 5, Full Thd

4шт.

22

92-8

LOCK WASHER,1/2"

4шт.

23

95-8

WASHER,1/2"

plain 1/2"

4шт.

24

L55563

GUARD - lower, drive shaft

1шт.

25

13-1036

BOLT,Hex, 5/8" - 11 x 2-1/4", Gr 5

5шт.

26

L71230

PAN

GUARD - rear axle

1шт.

27

95-10

WASHER,5/8"

- plain, 5/8"

5шт.

28

92-10

LOCK WASHER,5/8"

WASHER, LOCK, 5/8"

5шт.

REFER TO ILLUSTRATION PAGE REF#1,REFER TO LETTER A,TO THE RIGHT IS A BUSHING IN TUBE PART IS L54621

1шт.

29

25-1010

NUT,5/8"-11, G5

5шт.

30

113-207

BOLT,Hex, 3/8" - 16 x 1", Gr 5

2шт.

30a

195-104

WASHER,3/8"

- plain, , zinc plated 3/8"

2шт.

31

L52582

COVER - fuel gauge

1шт.

32

192-21

LOCK WASHER,3/8"

WASHER, LOCK, 3/8"

2шт.

33

129-103

NUT,Hex, 3/8" - 16, Gr 5

NUT, 3/8"-16, G5

2шт.

34

L52049

GAUGE - fuel level

1шт.

35

D31747

COVER

CAP - fuel tank

1шт.

36

D34975

GASKET

- fuel cap

1шт.

37

D36346

STRAINER ELEMENT

STRAINER - fuel

1шт.

38

D33027

BREATHER

VALVE - fuel tank, air inlet

1шт.

39

D33028

VALVE

- fuel tank, relief

1шт.

40

221-5

DRAIN PLUG,Sq Hd, 1/4"-14 NPTF

PLUG - pipe, square socket, 3/4" N.P.T.

2шт.

41

219-40

LUBE NIPPLE,65 Degree Elbow, 1/8" - 27 NPTF

GREASE FITTING - 65 degree, 1/8" N.P.T., pivot tube

1шт.

Выбрано товаров: 57