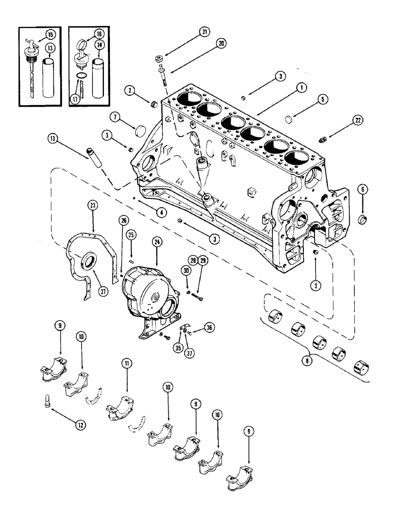
Запчасти Case W10 (010) - CYLINDER BLOCK ASSEMBLY, CASTING NO. A20975, 1ST USED LOADER S/N 8162900 (02) - ENGINE

Схема запчастей Case W10 - (010) - CYLINDER BLOCK ASSEMBLY, CASTING NO. A20975, 1ST USED LOADER S/N 8162900 (02) - ENGINE
FIT
1:1
100%

Артикул

Название

Примечание

Количество

A22416

SHORT BLOCK ASSY. (Order A40527) (Uses A20956 cyl. head and A23118 head gasket. See Figure 6. from figure 12), Includes: Ref. 1 - 13

1шт.

1

A20973

X

BLOCK ASSY. - stripped (Order A23489 from Figure 12 and A33839 & A33840 camshaft and gear from Figure 16), Includes: Ref. 2 - 13

1шт.

2

221-26

DRAIN PLUG,Sq Soc, 1"-11 1/2, NTPF

PLUG - rear, 1" P.T. sq. socket hd.

1шт.

3

221-1843

PLUG

- 3/8" P.T. hex. socket head

5шт.

4

221-41

PLUG

- 1/8" P.T. slotted

4шт.

5

41-1622

PLUG,Cup, 1 3/8", Stainless

- cup, L.H. side (1-3/8" dia.)

1шт.

6

41-1628

PLUG,Cup, 1 3/4", Stainless

- cup, front (1-3/4" dia.)

1шт.

7

A22394

PLUG

- rear, camshaft hole (2-3/8" dia.)

1шт.

8

A23544

BUSHING

SET - camshaft

1шт.

9

A23544

BUSHING

CAP - wide crankshaft bearing (Replaces A26281)

3шт.

10

A24942

CYLINDER END CAP

CAP - narrow crankshaft bearing (Replaces A26282)

3шт.

11

A24943

CAP

- thrust bearing, crankshaft (Replaces A26283)

1шт.

12

A27836

SPECIAL BOLT,5/8" - 11 x 3 1/4"

- bearing cap

14шт.

13

A20714

X

SOCKET - dipstick (Can use A34540)

1шт.

14

A34540

TUBE

SOCKET - dipstick (w/bead)

1шт.

15

A20739

GAUGE

DIPSTICK - oil level (Use w/ref. 13)

1шт.

16

A34541

DIPSTICK

- oil level (Use w/ref. 14), Includes: Ref. 17

1шт.

17

F62075

O-RING,0.139" Thk x 0.734" ID, -210, Cl 5, 75 Duro

"O" RING - dipstick (1" O.D.)

2шт.

20

A11194

X

ADAPTER - tachometer drive

1шт.

21

A11195

PLUG

- tachometer drive adapter

1шт.

22

A23655

VALVE

- drain, cylinder block (Replaces A27862)

1шт.

23

A27865

X

GASKET - timing gear cover

1шт.

24

A57403

COVER

ASSY. - timimg gear (Replaces A20718), Includes: Ref. 25 - 27

1шт.

25

A27840

PIN

- dowel, Serial Range: cover-block

2шт.

26

A27869

BUTTON - thrust

2шт.

27

A57342

SEAL

- oil, crankshaft front (Replaces A23433)

1шт.

28

13-640

BOLT,Hex, 3/8" - 16 x 2-1/2", Gr 5

- 3/8" x 2-1/2" N.C. hex.

2шт.

29

13-616

BOLT,Hex, 3/8" - 16 x 1", Gr 5, Full Thd

7шт.

30

92-6

LOCK WASHER,3/8"

14шт.

35

A28218

POINTER - timing

1шт.

36

13-48

BOLT,Hex, 1/4" - 20 x 1/2", Gr 5

2шт.

37

193-44

LOCK WASHER,Ext-Int Tooth, 1/4"

WASHER - lock, 1/4" ext.-int. Shakeproof

2шт.

Выбрано товаров: 32