Запчасти Case W10 (017A) - CRANKSHAFT (02) - ENGINE

Схема запчастей Case W10 - (017A) - CRANKSHAFT (02) - ENGINE
FIT
1:1
100%

Артикул

Название

Примечание

Количество

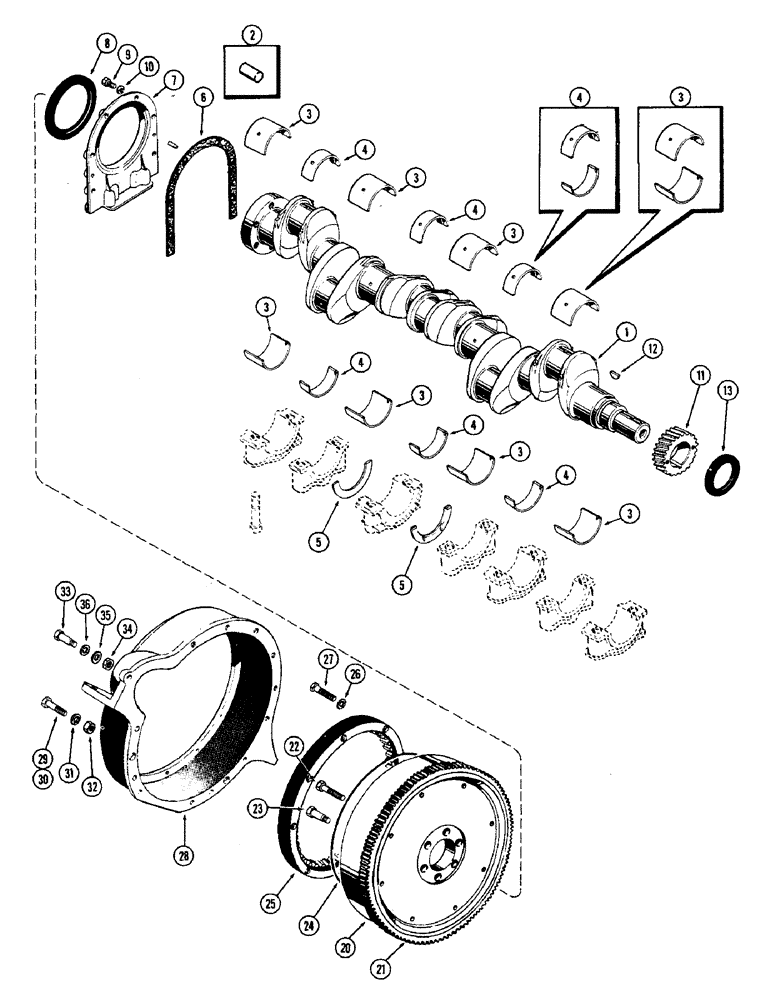
1

A27830

CRANKSHAFT - (Has 1/4" oil hole in rear) Order A24944

1шт.

1

A24944

CRANKSHAFT

1шт.

2

A8198

PLUG - crankshaft rear (For A27830 only)

1шт.

3

A28687

LINING

LINER SET - wide crankshaft brg. (Std.)

4шт.

3

A7182

KIT

LINER SET - wide crankshaft brg. (.002 undersize)

4шт.

3

A7188

BEARING LINER

LINER SET - wide crankshaft brg. (.010" undersize)

4шт.

3

A7194

KIT

LINER SET - wide crankshaft brg. (.020" undersize)

4шт.

3

A7200

KIT

LINER SET - wide crankshaft brg. (.030" undersize)

4шт.

4

A20394

LINING

LINER SET - narrow crkshft. brg. (Std.)

3шт.

4

A20579

LINING

LINER SET - narrow crkshft. brg. (.002" undersize)

3шт.

4

A20582

LINING

LINER SET - narrow crkshft. brg. (.010" undersize)

3шт.

4

A20585

KIT

LINER SET - narrow crkshft. brg. (.020" undersize)

3шт.

4

A20588

KIT

LINER SET - narrow crkshft. brg. (.030" undersize)

3шт.

5

A27835

WASHER

- thrust, crankshaft (Std.)

2шт.

5

A7204

WASHER

- thrust, crankshaft (.006" oversize)

2шт.

6

A32830

GASKET

- rear oil seal retainer

1шт.

7

A9791

RETAINER

- rear oil seal (Order A57457 when stock is exhausted), Includes: Ref. 8

1шт.

7

A57457

RETAINER

ASSY. - rear oil seal, crankshaft, Includes: Ref. 8

1шт.

8

A23085

OIL SEAL

- oil, crankshaft rear

1шт.

9

13-620

BOLT,Hex, 3/8" - 16 x 1-1/4", Gr 5, Full Thd

6шт.

10

92-6

LOCK WASHER,3/8"

6шт.

11

A27837

GEAR

- crankshaft (27T)

1шт.

12

126-129

WOODRUFF KEY,#C, 5/16" x 1 1/8", HT

Gear to crankshaft #C, 5/16" x 1 1/8", HT

1шт.

13

A57342

SEAL

- oil, front (Replaces A23433)

1шт.

20

A20706

FLYWHEEL ASSY. - (Order A23291 when exhausted), housing, Includes: Ref. 21

1шт.

20

A23291

FLYWHEEL ASSY. - crankshaft, housing, Includes: Ref. 21

1шт.

21

A27920

GEAR

- ring, flywheel, housing

1шт.

22

A7137

HEX SOC SCREW,Sl Hex, 5/8" - 18 x 2 1/8"

BOLT - flywheel (5/8" N.F. x 2-1/8" spec.), housing

4шт.

23

A7136

HEX SOC SCREW,Sl Hex, 9/16" - 18 x 2 5/32"

BOLT - dowel, flywheel (9/16" N.F. x 2-5/32"), housing

2шт.

24

A16645

SEALING RING

- drive ring, converter, flywheel and housing

1шт.

25

A16644

RING

- drive, torque converter, flywheel and housing

1шт.

26

193-30

LOCK WASHER,Int Tooth, 3/8"

WASHER, LOCK, , Flywheel and housing Int Tooth, 3/8"

8шт.

27

166-46

12 PT SCREW,Flg, 3/8" - 16 x 1 1/4", Gr 8

SCREW - 12 pt. ferry cap, 3/8 x 1-1/4" N.C., flywheel and housing

8шт.

28

A20676

HOUSING - flywheel

1шт.

29

14-1028

BOLT,Hex, 5/8" - 18 x 1-3/4", Gr 5

Flywheel and housing Hex, 5/8"-18 x 1 3/4", G5

4шт.

30

14-1036

BOLT,Hex, 5/8" - 18 x 2-1/4", Gr 5

Flywheel and housing Hex, 5/8"-18 x 2 1/4", G5

3шт.

31

92-10

LOCK WASHER,5/8"

WASHER, LOCK, , Flywheel and housing 5/8"

7шт.

32

25-1110

NUT,5/8"-18, G5

- 5/8" N.F. hex., flywheel and housing

3шт.

33

A16520

BOLT - housing (5/8" N.F. special), flywheel

2шт.

34

25-1110

NUT,5/8"-18, G5

- 5/8" N.F. hex., flywheel and housing

2шт.

35

92-10

LOCK WASHER,5/8"

WASHER, LOCK, , Flywheel and housing 5/8"

2шт.

36

195-41

WASHER,5/8"

Flywheel and housing 5/8"

2шт.

Выбрано товаров: 42