Запчасти Case W10 (086) - REAR AXLE CLUTCH CONTROL (06) - POWER TRAIN

Схема запчастей Case W10 - (086) - REAR AXLE CLUTCH CONTROL (06) - POWER TRAIN
FIT
1:1
100%

Артикул

Название

Примечание

Количество

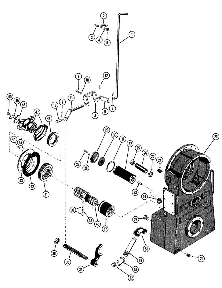
1

A14054

ROD - control, rear clutch drive

1шт.

2

A12098

CLIP - control rod

1шт.

3

14-616

BOLT,Hex, 3/8" - 24 x 1", Gr 5

- hex. hd., 3/8" x 1" N.F.

1шт.

4

92-6

LOCK WASHER,3/8"

1шт.

5

25-116

NUT,Hex, 3/8"-24, G5

- hex., 3/8" N.F.

1шт.

6

A12097

LEVER - control rod connecting

1шт.

7

132-48

COTTER PIN,1/8" x 1"

Pin, Split (Cotter), 1/8" x 1"

2шт.

8

A16929

BRACKET - clutch lever & cross shaft

1шт.

9

13-620

BOLT,Hex, 3/8" - 16 x 1-1/4", Gr 5, Full Thd

2шт.

10

92-6

LOCK WASHER,3/8"

2шт.

11

A12093

SHAFT - cross, shift out

1шт.

12

138-96

LOCK PIN,3/16" x 1", Slotted

PIN, 3/16" x 1", Slotted

1шт.

13

141-6

CLEVIS PIN,1/2" x 1.360"

PIN - clevis, 1/2"

1шт.

20

A16975

HOUSING

- transfer gear, clutch disconnect first used transmission, Start Serial: 23080

1шт.

21

221-5

DRAIN PLUG,Sq Hd, 1/4"-14 NPTF

PLUG - pipe, 3/4" sq. hd., transfer housing and clutch disconnect first used transmission, Start Serial: 23080

1шт.

22

221-7

DRAIN PLUG,Sq Hd, 1 1/4"-11 1/2 NPTF

PLUG - pipe, 1-1/4" sq. hd., transfer housing and clutch disconnect first used transmission, Start Serial: 23080

1шт.

23

221-662

PLUG,Hex Hd, 1/4"-18

- pipe, 1/4" hex. hd., transfer housing and clutch disconnect first used transmission, Start Serial: 23080

1шт.

23

221-1304

NIPPLE - pipe, 1-1/2 x 12" (First production), transfer housing and clutch disconnect first used transmission, Start Serial: 23080

1шт.

24

A16979

NIPPLE, LUBE

NIPPLE - oil drain, transfer housing and clutch disconnect first used transmission, Start Serial: 23080

1шт.

25

214-256

HOSE CLAMP,#20, 0.81" - 1.75", Type F Worm

CLAMP - drain tube hose, 1-3/16" to 1-3/4", transfer housing and clutch disconnect first used transmission, Start Serial: 23080

2шт.

26

A12756

HOSE ASSY.

HOSE - oil drain, transfer housing and clutch disconnect first used transmission, Start Serial: 23080

1шт.

27

14-524

BOLT,Hex, 5/16" - 24 x 1-1/2", Gr 5

- hex. hd., 5/16 x 1-1/2" N.F., transfer housing and clutch disconnect first used transmission, Start Serial: 23080

1шт.

28

195-21

WASHER,5/16"

- plain, , Transfer housing and clutch disconnect first used transmission 5/16", Start Serial: 23080

1шт.

29

A16970

COVER ASSY

COVER - oil strainer, transfer housing and clutch disconnect first used transmission, Start Serial: 23080

1шт.

30

A16971

RETAINER

- oil strainer, transfer housing and clutch disconnect first used transmission, Start Serial: 23080

1шт.

31

A40060

GASKET

- strainer cover, transfer housing and clutch disconnect first used transmission, Start Serial: 23080

1шт.

32

A16973

FILTER SCREEN

STRAINER - oil, transfer housing and clutch disconnect first used transmission, Start Serial: 23080

1шт.

33

A16974

COUPLING

- oil strainer, transfer housing and clutch disconnect first used transmission, Start Serial: 23080

1шт.

34

A16980

FORK - disconnector shift, transfer housing and clutch disconnect first used transmission, Start Serial: 23080

1шт.

35

A16981

SHAFT - shifter fork, transfer housing and clutch disconnect first used transmission, Start Serial: 23080

1шт.

36

A12660

SEAL

- oil, shifter shaft, transfer housing and clutch disconnect first used transmission, Start Serial: 23080

1шт.

37

A12738

COUPLING - output shifter, transfer housing and clutch disconnect first used transmission, Start Serial: 23080

1шт.

38

211-11

BALL,3/8" Dia

- detent, ., transfer housing and clutch disconnect first used transmission 3/8" Dia, Start Serial: 23080

2шт.

39

L30316

SPRING - disconnect detent (16 coils), transfer housing and clutch disconnect first used transmission, Start Serial: 23080

1шт.

40

A12737

SHAFT - output, rear, transfer housing and clutch disconnect first used transmission, Start Serial: 23080

1шт.

41

40003

BEARING

- ball, output shaft (N.D. 3311XRIA), transfer housing and clutch disconnect first used transmission, Start Serial: 23080

1шт.

42

A12726

GASKET

- bearing retainer, transfer housing and clutch disconnect first used transmission, Start Serial: 23080

1шт.

43

A12771

RETAINER - rear output bearing, transfer housing and clutch disconnect first used transmission, Start Serial: 23080

1шт.

44

13-616

BOLT,Hex, 3/8" - 16 x 1", Gr 5, Full Thd

Transfer housing and clutch disconnect first used transmission Hex, 3/8"-16 x 1", G5, Full Thd, Start Serial: 23080

6шт.

45

92-6

LOCK WASHER,3/8"

transfer housing and clutch disconnect first used transmission 3/8", Start Serial: 23080

6шт.

46

A12675

GASKET

SEAL - oil, output flange, transfer housing and clutch disconnect first used transmission, Start Serial: 23080

1шт.

47

A12789

FLANGE

ASSY. - rear output, transfer housing and clutch disconnect first used transmission, Start Serial: 23080

1шт.

48

A12717

WASHER

- flange retainer, transfer housing and clutch disconnect first used transmission, Start Serial: 23080

1шт.

49

A12736

LOCKING PLATE

- flange locking, transfer housing and clutch disconnect first used transmission, Start Serial: 23080

1шт.

50

14-618

SCREW,Hex, 3/8" - 24 x 1 1/8", Gr 5

BOLT - hex. hd., 3/8 x 1-1/8" N.F., transfer housing and clutch disconnect first used transmission, Start Serial: 23080

2шт.

51

221-1417

FITTING

ELBOW - street, 1-1/4" x 90 degrees, transfer housing and clutch disconnect first used transmission, Start Serial: 23080

1шт.

52

221-1282

NIPPLE - pipe, 1-1/4 x 12", transfer housing and clutch disconnect first used transmission, Start Serial: 23080

1шт.

53

221-371

ELBOW

- street, 1-1/4 x 45 degrees, transfer housing and clutch disconnect first used transmission, Start Serial: 23080

1шт.

54

221-8

PLUG - pipe, 1-1/2" sq. hd., transfer housing and clutch disconnect first used transmission, Start Serial: 23080

1шт.

Выбрано товаров: 49