Запчасти Case W10 (100) - DIFFERENTIAL, FRONT AND REAR AXLE (06) - POWER TRAIN

Схема запчастей Case W10 - (100) - DIFFERENTIAL, FRONT AND REAR AXLE (06) - POWER TRAIN
FIT
1:1
100%

Артикул

Название

Примечание

Количество

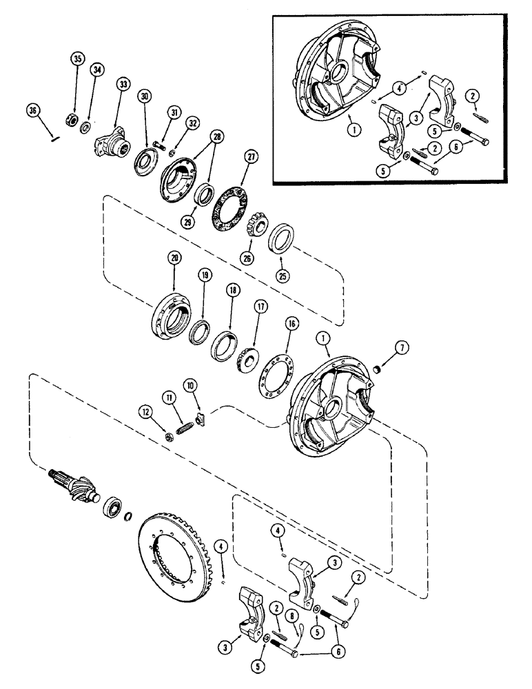
1

L30220

CARRIER

ASSY. & CAP - differential (Not illust.), Includes: Ref. 2 - 6

1шт.

2

A18196

HARDWARE

COTTER PIN - adjusting ring, Includes: Ref. 3 and 4

2шт.

3

NSS

NOT SOLD SEPARAT

CAP - bearing (Order L30220)

2шт.

4

A15443

DOWEL

- bearing cap

4шт.

5

A16783

WASHER

- bearing cap bolt

4шт.

6

A12938

SCREW,5/8" - 11 x 4 1/2"

BOLT - bearing cap

4шт.

7

221-25

PLUG,Sq Soc, 3/4"-14 NPTF

- drain (3/4" P.T. sckt. hd.)

1шт.

8

NSS

NOT SOLD SEPARAT

LOCKWIRE - diff. brg. cap capscrew

2шт.

10

A12948

BLOCK - thrust, drive gear

1шт.

11

L30949

SCREW

- thrust block

1шт.

12

A13121

X

NUT - thrust block screw

1шт.

16

A12956

SHIM,.005" Thk

Bearing cage .005" Thk

3шт.

16

A12957

SHIM,.010" Thk

Bearing cage .010" Thk

2шт.

16

A12958

SHIM,.003" Thk

Bearing cage .003" Thk

1шт.

17

A9841

ROLLER BEARING,1.875" ID x 1.0594"

CONE - bearing, inner

1шт.

18

A12949

BEARING CUP

CUP - bearing, inner

1шт.

19

A12960

SPACER

- bearing (.219")

1шт.

19

A12961

SPACER

- bearing (.220")

1шт.

19

A12963

SPACER

- bearing (.222")

1шт.

19

A12964

SPACER

- bearing (.223")

1шт.

19

A12965

SHIM,.224" Thk

SPACER, , Bearing .224" Thk

1шт.

19

A12966

SPACER

- bearing (.230")

1шт.

19

A12967

SPACER

- bearing (.236")

1шт.

19

A12968

SPACER

- bearing (.242")

1шт.

19

A12969

SPACER

- bearing (.248")

1шт.

19

A12970

SPACER

- bearing (.254")

1шт.

20

A12959

CAGE

- pinion bearing (Incl. cups)

1шт.

25

A12949

BEARING CUP

CUP - bearing, outer

1шт.

26

A12950

ROLLER BEARING,1.75" ID x 1.0594"

CONE - bearing, outer

1шт.

27

A12955

GASKET

- bearing cage

1шт.

28

A12954

COVER ASSY

COVER - (Incl. oil seal), Includes: Ref. 29

1шт.

29

A16901

SEAL

- oil, bevel pinion

1шт.

30

A12952

CYLINDER END CAP

SLINGER - for companion yoke

1шт.

31

113-306

BOLT (SPREADER)

BOLT - (7/16 x 1-3/4" N.C. hex., grade 8)

8шт.

32

92-7

LOCK WASHER,7/16"

8шт.

36

132-54

COTTER PIN,1/8" x 1 3/4"

Pin, Split (Cotter), 1/8" x 1 3/4"

1шт.

33

A12951

YOKE - drive shaft

1шт.

34

A13124

WASHER

- yoke nut

1шт.

35

A13123

X

NUT - yoke (Can use L30731)

1шт.

Выбрано товаров: 39