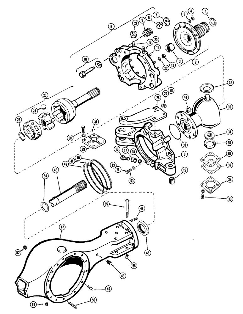
Запчасти Case W10 (104) - REAR AXLE AND STEERING KNUCKLE (06) - POWER TRAIN

Схема запчастей Case W10 - (104) - REAR AXLE AND STEERING KNUCKLE (06) - POWER TRAIN
FIT
1:1
100%

Артикул

Название

Примечание

Количество

A14404

AXLE ASSY. - complete, rear steering, Includes: Ref. 1 - 54

1шт.

1

A15028

SEAL

- oil, drive joint

2шт.

2

A15051

STEERING KNUCKLE

KNUCKLE ASSY. - steering spindle, Includes: Ref. 3

2шт.

3

A15032

BUSHING

- spindle knuckle

1шт.

4

A15033

LOCK NUT

- knuckle, Serial Range: spindle-flange

24шт.

5

A15036

WASHER

- flange nut

24шт.

6

A15050

HUB CAP

FLANGE ASSY. - steering knuckle, Includes: Ref. 7 - 18

2шт.

7

A13201

SHOE

CAM - brake adjusting

2шт.

8

A15069

VALVE SPRING

SPRING - pressure, cam

2шт.

9

A15061

SPACER

RETAINER - cam spring

2шт.

10

A16391

AXLE PIN

BOLT ASSY. - brake shoe adjusting

2шт.

11

A15024

STUD

-, Serial Range: flange-knuckle

12шт.

12

25-178

NUT,1/2"-20, G5, Hvy

- hex., 1/2" N.F.

2шт.

13

113-405

X

BOLT - hex. hd., 1/2 x 1-1/4" N.C.

2шт.

14

114-407

X

BOLT - hex. hd., 1/2 x 1-7/8" N.F.

2шт.

15

A15081

BUSHING,22.28mm ID x 28.66mm OD x 56.36mm L

- companion flange

1шт.

16

A15078

SCREW - stop, steering

1шт.

17

A15037

SPACER

- stop screw

1шт.

18

A15043

SHIM

- spacer, stop screw

6шт.

A14963

HUB ASSY. - wheel (Illustrated, Figure 106, ref. 25)

1шт.

19

A15076

STUD

- steering arm outer

2шт.

20

A15077

STUD

- steering arm inner

2шт.

21

A13105

BUSHING

- split dowel, arm stud

4шт.

22

92-8

LOCK WASHER,1/2"

16шт.

23

A15049

CAGE

JOINT ASSY. - universal, Includes: Ref. 24 and 25

1шт.

24

A15039

BALL

- universal joint

6шт.

25

A15040

RING, SNAP

RING - snap, axle shaft retainer

1шт.

26

A15083

ARM - steering, L.H. side

1шт.

27

25-1110

NUT,5/8"-18, G5

- hex. 5/8" N.F. (Outer stud)

2шт.

28

A15080

NUT

- inner stud, steering arm

2шт.

29

A15046

CAP - upper R.H. flange

1шт.

30

113-603

X

BOLT - hex. hd., 5/8 x 1-1/2" N.C.

12шт.

31

219-1

LUBE NIPPLE,1/8" - 27 NPTF

FITTING - grease, 1/8" P.T. str.

2шт.

32

A15027

RETAINER

RETINER - grease, upper bearing

2шт.

33

A15048

SOCKET

- trunnion

1шт.

34

A15022

CUP ASSY.

CONE - bearing, steering socket

4шт.

35

40406

CUP

- cone bearing, socket

4шт.

36

A15041

SHIM

- bearing (.005")

1шт.

37

A15042

SHIM

- bearing (.020")

1шт.

38

A15047

CAP

- steering bearing lower

2шт.

39

A15026

O-RING,0.139" Thk x 3.734" ID, -240, Cl 5, 75 Duro

SEAL - oil, Serial Range: socket-housing

2шт.

40

A15029

SEAL

- grease, trunnion sockt

2шт.

41

A15035

RETAINER

- grease seal

2шт.

42

A15038

RING

- snap, grease seal & retainer

2шт.

43

A15044

SHAFT

- rear axle

2шт.

44

131-59

LOCK NUT,3/4"-16

NUT - hex. stop, ", N.F. 3/4"-16

16шт.

45

A12994

OIL SEAL

- oil, axle shaft

2шт.

46

A12928

BREATHER

ASSY. - axle housing

1шт.

47

A14982

HOUSING ASSY. - rear axle, Includes: Ref. 48 - 52

1шт.

48

A15024

STUD

- trunnion, Serial Range: socket-housing

16шт.

49

A15425

STUD - differential carrier to housing (Short)

10шт.

50

A15426

STUD - differential carrier to housing (Long)

4шт.

51

221-27

DRAIN PLUG,Sq Soc, 1 1/4"-11 1/2, NTPF

PLUG - pipe, 1-1/4" sq. socket hd.

1шт.

52

221-7

DRAIN PLUG,Sq Hd, 1 1/4"-11 1/2 NPTF

PLUG - pipe, 1-1/4" sq. hd.

1шт.

53

113-405

X

BOLT - hex. hd., 1/2 x 1-1/4 N.C.

10шт.

54

A15444

WASHER

- guide, axle shaft

2шт.

55

116-702

BOLT

BOLT - hex. hd., 3/4 x 8" (Grade 8)

8шт.

56

131-186

LOCK NUT,3/4"-16, GB

NUT - hex., 3/4" N.F. ESNA

8шт.

Выбрано товаров: 58