Запчасти Case W10B (228) - LOADER TILT CYLINDERS (08) - HYDRAULICS

Схема запчастей Case W10B - (228) - LOADER TILT CYLINDERS (08) - HYDRAULICS
FIT
1:1
100%

Артикул

Название

Примечание

Количество

A18598

CYLINDER

- hydraulic, loader tilt (R.H.) Use L42668, Includes: Ref. 1 - 30

1шт.

A18599

CYLINDER - hydraulic, loader tilt (L.H.) Use L42669, Includes: Ref. 1 - 30

1шт.

L42668

CYLINDER

- hydraulic, loader tilt (R.H.), Includes: Ref. 1 - 30

1шт.

L42669

CYLINDER - hydraulic, loader tilt (L.H.), Includes: Ref. 1 - 30

1шт.

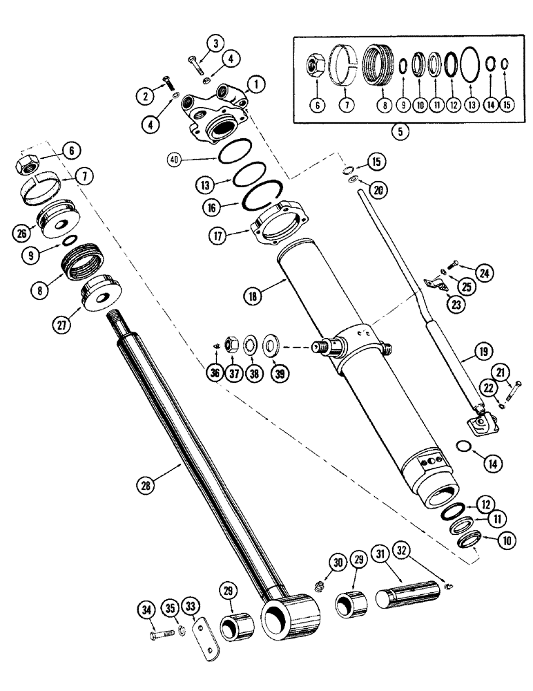
1

L17345

HEAD (CYLINDER)

HEAD - cylinder, R.H. (Use L42604 kit for A18598 cyl.)

1шт.

1a

L42595

HEAD

- cylinder, L.H. (Use L42605 kit for A18599 cyl.)

1шт.

2

14-832

BOLT,Hex, 1/2" - 20 x 2", Gr 5

HHCS - 1/2" - 20 NF x 2"

3шт.

3

14-852

BOLT,Hex, 1/2" - 20 x 3-1/4", Gr 5

HHCS - 1/2" - 20 NF x 3-1/4"

1шт.

4

92-8

LOCK WASHER,1/2"

4шт.

5

A19929

GASKET KIT

KIT - repair, cylinder, Includes: Ref. 6 - 15

1шт.

6

R12336

LOCK NUT

- hex., lock (1" - 14 NF)

1шт.

7

A17811

RING

- wear

1шт.

8

A13491

PACKING

- piston

1шт.

9

A29456

O-RING,0.139" Thk x 1.046" ID, -215, Cl 5, 75 Duro

SEAL - "O" ring, piston to rod

1шт.

10

A13892

RING

- wiper, piston rod

1шт.

11

A13901

WASHER

- backup, piston rod

1шт.

12

A14246

RING

- quad, piston rod

1шт.

13

A27994

O-RING,0.139" Thk x 3.234" ID, -236, Cl 5, 75 Duro

SEAL - "O" ring, head to cylinder

1шт.

14

F62075

O-RING,0.139" Thk x 0.734" ID, -210, Cl 5, 75 Duro

SEAL - "O" ring, port tube block

1шт.

15

A27365

O-RING,0.103" Thk x 0.75" ID, -116, Cl 5, 75 Duro

SEAL - "O" ring, port tube to head

1шт.

16

A12545

RING, SNAP

RING - clamp retainer

1шт.

17

A12544

CLAMP

- cylinder head

1шт.

18

A18603

CYLINDER BLOCK

TUBE - cylinder

1шт.

19

A18607

TUBE

- oil port

1шт.

20

A14398

WASHER

- backup, port tube

1шт.

21

14-628

BOLT,Hex, 3/8" - 24 x 1-3/4", Gr 5

HHCS - 3/8" - 24 NF x 1-3/4"

2шт.

22

92-6

LOCK WASHER,3/8"

2шт.

23

A15363

CLAMP - port, Serial Range: tube-cylinder

1шт.

24

13-58

BOLT,Hex, 5/16" - 18 x 1/2", Gr 5

2шт.

25

92-5

LOCK WASHER,5/16"

2шт.

26

A17810

PLATE ASSY.

PLATE - follower

1шт.

27

A17809

PISTON ASSY.

PISTON - cylinder

1шт.

28

A18600

ROD

- piston, Includes: Ref. 29

1шт.

29

A12058

BUSHING,44.88mm ID x 53.92mm OD x 38.1mm L

- piston rod

2шт.

30

219-1

LUBE NIPPLE,1/8" - 27 NPTF

FITTING - grease, straight (1/8" NPT)

1шт.

31

A14105

PIN

- pivot, Serial Range: rod-bucket

2шт.

32

219-1

LUBE NIPPLE,1/8" - 27 NPTF

FITTING - grease, straight (1/8" NPT)

2шт.

33

A14106

X

LOCK - pin

2шт.

34

13-616

BOLT,Hex, 3/8" - 16 x 1", Gr 5, Full Thd

4шт.

35

92-6

LOCK WASHER,3/8"

4шт.

36

219-1

LUBE NIPPLE,1/8" - 27 NPTF

FITTING - grease, straight (1/8" NPT)

4шт.

37

25-1520

NUT

- hex., jam (1-1/4" NF)

4шт.

38

193-100

LOCK WASHER,Int Tooth, 1 1/4"

WASHER - lock, internal Shakeproof (1-1/4")

4шт.

39

A12071

WASHER

- spacer, trunnion

4шт.

40

L18994

TUBE ASSY.,1" OD

WASHER - backup

2шт.

L42604

KIT

- repair, cylinder head (R.H. tilt cylinder) Includes ref. nos. 1, 13, and 40

1шт.

L42605

REPAIR KIT

KIT - repair, cylinder head (L.H. tilt cylinder) Includes ref. nos. 1A, 13 and 40

1шт.

Выбрано товаров: 47