Запчасти Case W10B (030) - CYLINDER BLOCK ASSEMBLY, (377) SPARK IGNITION ENGINE, FIRST USED ENGINE SERIAL NUMBER 2173890 (02) - ENGINE

Схема запчастей Case W10B - (030) - CYLINDER BLOCK ASSEMBLY, (377) SPARK IGNITION ENGINE, FIRST USED ENGINE SERIAL NUMBER 2173890 (02) - ENGINE
FIT
1:1
100%

Артикул

Название

Примечание

Количество

A41239

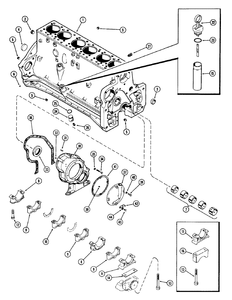
SKELETON ENGINE

BLOCK ASSY. - cyl. short, (Includes stripped block, camshaft, crankshaft & brgs., timing gears, piston assy., connecting rods & brgs., & oil pump assy.) (See note) (Casting no. A34970), Includes: Ref. 1 - 16

1шт.

1

A41222

BLOCK ASSY. - stripped (Casting no. A34970), Includes: Ref. 2 - 16

1шт.

2

221-26

DRAIN PLUG,Sq Soc, 1"-11 1/2, NTPF

PLUG - rear water gallery (1" P.T. sckt. hd.)

1шт.

3

41-1628

PLUG,Cup, 1 3/4", Stainless

- front water gallery (1-3/4" cup type)

1шт.

4

A24361

PLUG

- rear camshaft hole (2-3/8" cup type)

1шт.

5

221-843

PLUG,Hex Soc, 3/8"-18

- pipe, (3/8" P.T. sckt. hd.)

6шт.

6

221-41

PLUG

- pipe, (1/8" P.T. slotted hd.)

4шт.

7

A23544

BUSHING

SET - camshaft

1шт.

8

A24941

CAP

- brg., wide, crankshaft

2шт.

9

A24942

CYLINDER END CAP

CAP - brg., narrow, crankshaft

3шт.

10

A24943

CAP

- brg., thrust, crankshaft

1шт.

11

A34937

HOLDER

CAP - brg., front main, crankshaft

1шт.

12

A27836

SPECIAL BOLT,5/8" - 11 x 3 1/4"

- bearing cap (5/8 x 3/4" N.C. hex.)

12шт.

13

113-637

BOLT

- frt. brg. cap & oil pump (Or spacer) (5/8 x 6" N.C. hex.)

2шт.

14

A57454

SHIM,.005" Thk

Oil pump to brg. cap .005" Thk

1шт.

14

A57455

SHIM,.010" Thk

Oil pump to brg. cap .010" Thk

1шт.

14

A57456

SHIM,.025" Thk

Oil pump to brg. cap .025" Thk

1шт.

15

A34540

TUBE

SOCKET - oil filler

1шт.

16

A57076

SPACER - brg. cap, front mtd. oil pump

1шт.

Loose oil pump gear & oil pump spacer included w/this block, are not used w/front mtd. oil pump application

1шт.

22

A20739

GAUGE

ASSY. - oil level, Includes: Ref. 23

1шт.

23

F62075

O-RING,0.139" Thk x 0.734" ID, -210, Cl 5, 75 Duro

"O" RING - (3/4 x 1 x 1/8")

2шт.

24

A34964

PLUG

- oil gallery hole, cyl. block

1шт.

25

A27355

O-RING,0.139" Thk x 1.17" ID, -217, Cl 5, 75 Duro

"O" RING - plug (1-3/16 x 1-7/16 x 1/8")

1шт.

26

A22593

SET SCREW,1/4" - 18 x 7/8"

- oil gallery, cyl. block

1шт.

27

A23656

COCK, DRAIN

COCK - drain, cyl. block

1шт.

30

A57416

COVER ASSY. - timing gear (Replaces A34938), Includes: Ref. 31 - 33

1шт.

31

A27840

PIN

- dowel, timing gear cover (5/16 x 3/4")

2шт.

32

A27869

BUTTON - thrust, timing gear cover

1шт.

33

A57342

SEAL

- oil, (2-5/8 x 3-5/8 x 1/2") (Replaces A23433)

1шт.

34

13-616

BOLT,Hex, 3/8" - 16 x 1", Gr 5, Full Thd

Cover Hex, 3/8"-16 x 1", G5, Full Thd

2шт.

34

13-640

BOLT,Hex, 3/8" - 16 x 2-1/2", Gr 5

- cover (3/8 x 2-1/2" N.C. hex.)

7шт.

35

92-6

LOCK WASHER,3/8"

9шт.

36

A33018

GASKET

- timing gear cover

1шт.

37

A20833

CAP ASSY. - timing gear cover, Includes: Ref. 38

1шт.

38

A27879

TUBE

BUTTON - thrust

1шт.

39

13-612

BOLT,Hex, 3/8" - 16 x 3/4", Gr 5, Full Thd

1шт.

39

13-618

BOLT,Hex, 3/8" - 16 x 1-1/8", Gr 5

3шт.

40

92-6

LOCK WASHER,3/8"

4шт.

41

A27867

GASKET

-, Serial Range: cap-cover

1шт.

42

A28218

POINTER - timing

1шт.

43

13-48

BOLT,Hex, 1/4" - 20 x 1/2", Gr 5

Pointer Hex, 1/4"-20 x 1/2", G5, Full Thd

2шт.

44

193-44

LOCK WASHER,Ext-Int Tooth, 1/4"

WASHER - (1/4" int./ext. Shakeproof)

2шт.

Выбрано товаров: 43