Запчасти Case W10B (033A) - CRANKSHAFT, FLYWHEEL AND HOUSING, (377) SPARK IGNITION ENGINE (02) - ENGINE

Схема запчастей Case W10B - (033A) - CRANKSHAFT, FLYWHEEL AND HOUSING, (377) SPARK IGNITION ENGINE (02) - ENGINE
FIT
1:1
100%

Артикул

Название

Примечание

Количество

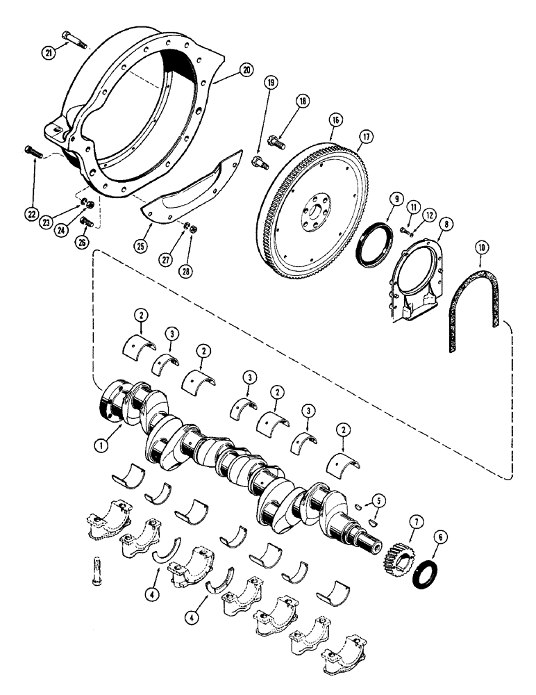
1

A24944

CRANKSHAFT

1шт.

2

A28687

LINING

LINER - brg. (Wide-upper & lower) (Std. size)

4шт.

2

A7182

KIT

LINER - brg. (Wide-upper & lower) (-.002")

4шт.

2

A7188

BEARING LINER

LINER - brg. (Wide-upper & lower) (-.010")

4шт.

2

A7194

KIT

LINER - brg. (Wide-upper & lower) (-.020")

4шт.

2

A7200

KIT

LINER - brg. (Wide-upper & lower) (-.030")

4шт.

3

A20394

LINING

LINER - brg. (Narrow-upper & lower) (Std. size)

3шт.

3

A20579

LINING

LINER - brg. (Narrow-upper & lower) (-.002")

3шт.

3

A20582

LINING

LINER - brg. (Narrow-upper & lower) (-.010")

3шт.

3

A20585

KIT

LINER - brg. (Narrow-upper & lower) (-.020")

3шт.

3

A20588

KIT

LINER - brg. (Narrow-upper & lower) (-.030")

3шт.

4

A27835

WASHER

- thrust bearing (Std.)

2шт.

4

A7204

WASHER

- thrust bearing (.006" oversize)

2шт.

5

126-129

WOODRUFF KEY,#C, 5/16" x 1 1/8", HT

Crankshaft gear #C, 5/16" x 1 1/8", HT

2шт.

6

A57342

SEAL

- oil, crankshaft, front (2-5/8 x 3-5/8 x 1/2") (Replaces A23433)

1шт.

7

A27837

GEAR

- crankshaft

1шт.

8

A57457

RETAINER

- rear oil seal

1шт.

9

A23085

OIL SEAL

- oil, crankshaft retainer, rear (4-3/4 x 5-3/4 x 1/2")

1шт.

10

A32830

GASKET

- rear oil seal retainer

1шт.

11

13-620

BOLT,Hex, 3/8" - 16 x 1-1/4", Gr 5, Full Thd

6шт.

12

92-6

LOCK WASHER,3/8"

6шт.

16

A17491

FLYWHEEL

ASSY. - w/ring gear, Includes: Ref. 17

1шт.

17

A27920

GEAR

- ring, flywheel

1шт.

18

A11550

BOLT (SPREADER)

BOLT - flywheel

4шт.

19

A11549

STEP BOLT

BOLT - dowel, flywheel

2шт.

20

A58684

HOUSING - flywheel

1шт.

21

A61040

STEP BOLT

BOLT - dowel, housing to block (1/2 x 3" N.C.)

1шт.

21

A61041

STEP BOLT

BOLT - dowel, housing to block (1/2 x 2-7/16" N.C.)

1шт.

22

A20108

BOLT -, Serial Range: block-hsg.

2шт.

22

13-824

BOLT,Hex, 1/2" - 13 x 1-1/2", Gr 5, Full Thd

3шт.

22

14-828

BOLT,Hex, 1/2" - 20 x 1-3/4", Gr 5

- 1/2 x 1-3/4" N.F. hex.

3шт.

23

92-8

LOCK WASHER,1/2"

12шт.

24

25-118

NUT,1/2"-20, G5

- 1/2" N.F. hex.

3шт.

24

25-108

NUT,1/2"-13, G5

- 1/2" N.C. hex.

2шт.

25

A58931

GUARD

SHIELD - dust, flywheel hsg. (Replaces A14508)

1шт.

26

13-816

BOLT,Hex, 1/2" - 13 x 1", Gr 5, Full Thd

2шт.

26

14-820

BOLT,Hex, 1/2" - 20 x 1-1/4", Gr 5

- 1/2 x 1-1/4" N.F. hex.

2шт.

27

92-8

LOCK WASHER,1/2"

4шт.

28

25-118

NUT,1/2"-20, G5

- 1/2" N.F. hex.

2шт.

Выбрано товаров: 39