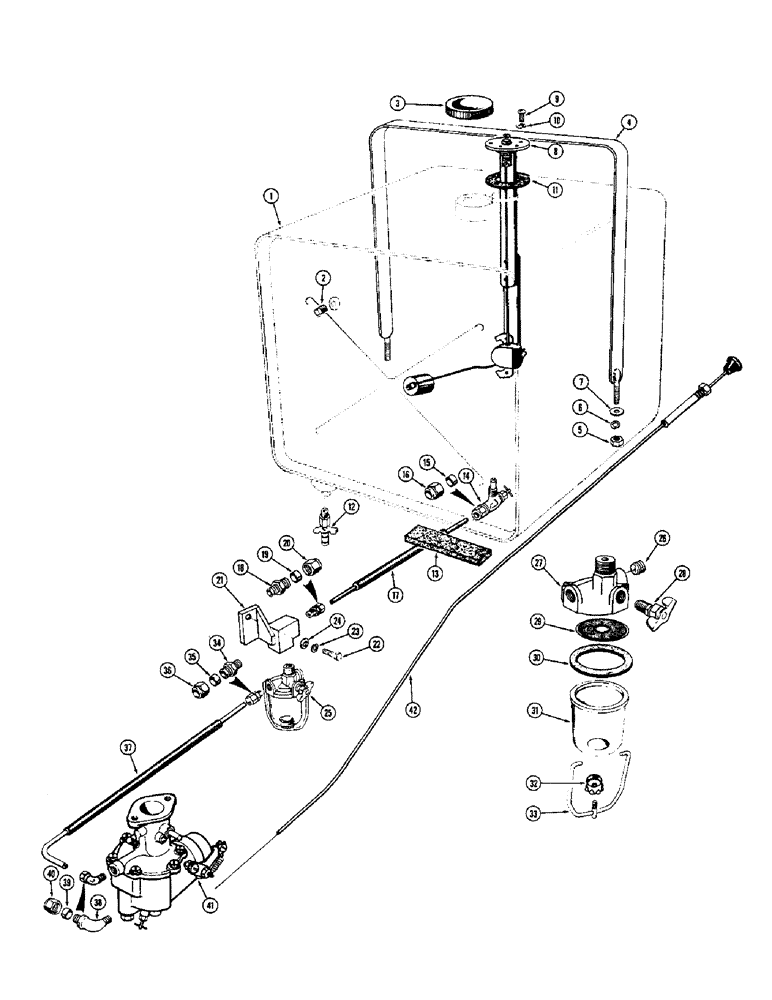
Запчасти Case W10B (046) - FUEL TANK, GAS ENGINE (03) - FUEL SYSTEM

Схема запчастей Case W10B - (046) - FUEL TANK, GAS ENGINE (03) - FUEL SYSTEM
FIT
1:1
100%

Артикул

Название

Примечание

Количество

1

A18867

FUEL TANK

1шт.

2

222-1012

HYD CONNECTOR,7/16"-24 Inv Fl x 1/8" NPT

PLUG - pipe, square head (1/4" NPT)

1шт.

3

A18870

FILLER CAP

Fuel tank

1шт.

4

A18872

SPARE PART Mounting, tank

2шт.

5

25-116

NUT,Hex, 3/8"-24, G5

4шт.

6

92-6

LOCK WASHER,3/8"

4шт.

7

195-25

WASHER,3/8"

4шт.

8

A18869

SENDER UNIT

SENDER Fuel gauge

1шт.

9

173-221

SCREW,Sl Rnd Hd, #10 - 32 x 7/16"

Machine

5шт.

10

192-18

LOCK WASHER,Helical Spring, #10, 0.196" ID, CST, ZND

5шт.

11

A11822

GASKET

Sending unit

1шт.

12

217-102

PLUG, DRAIN

VALVE - drain, fuel tank

1шт.

13

A7390

SPARE PART Tank mounting, Includes: Ref. 14 - 16

4шт.

14

NSS

NOT SOLD SEPARAT

VALVE - nededle, fuel tank

1шт.

15

222-104

SLEEVE,3/8" Tube

Flex tube fitting

1шт.

16

222-114

NUT,5/8"-24

Flex tube fitting

1шт.

17

A18878

SPARE PART, Serial Range: Tank-strainer

1шт.

222-28

HYD CONNECTOR,5/8"-24 x 3/8" NPTF W/Nut

ASSEMBLY - flex tube, Includes: Ref. 18 - 20

1шт.

18

NSS

NOT SOLD SEPARAT

CONNECTOR - flex tube

1шт.

19

222-104

SLEEVE,3/8" Tube

Flex tube fitting

1шт.

20

222-114

NUT,5/8"-24

Flex tube fitting

1шт.

21

A18874

BRACKET - fuel strainer mounting

1шт.

22

13-616

BOLT,Hex, 3/8" - 16 x 1", Gr 5, Full Thd

1шт.

23

92-6

LOCK WASHER,3/8"

1шт.

24

195-25

WASHER,3/8"

1шт.

25

A26615

STRAINER ELEMENT

Fuel, Includes: Ref. 26 - 33

1шт.

26

221-1849

PLUG

Pipe, hex. socket head (1/8" NPT)

1шт.

27

A11215

BODY

Strainer

1шт.

28

A11205

VALVE

Fuel shutoff

1шт.

29

A11202

SCREEN

Strainer

1шт.

30

A11203

GASKET

Fuel bowl

1шт.

31

A11204

BOWL

Fuel

1шт.

32

A11210

ADJUSTER

NUT - bowl retainer

1шт.

33

A11206

BAIL

ASSEMBLY - bowl retainer

1шт.

222-24

FITTING,9/16"-24 x 1/8" NPTF

CONNECTOR ASSEMBLY - flex tube, Includes: Ref. 34 - 36

1шт.

34

NSS

NOT SOLD SEPARAT

CONNECTOR - flex tube

1шт.

35

222-103

SLEEVE,5/16" Tube

Flex tube fitting

1шт.

36

222-113

TUBE NUT,9/16"-24

Flex tube fitting

1шт.

37

A18879

SPARE PART, Serial Range: Strainer-carburetor

1шт.

222-44

ELBOW,90 Degree, 9/16"-24 Fem x 1/8"-27 NPTF

ASSEMBLY - flex tube, Includes: Ref. 38 - 40

1шт.

38

NSS

NOT SOLD SEPARAT

ELBOW - flex tube 90 degrees

1шт.

39

222-103

SLEEVE,5/16" Tube

Flex tube fitting

1шт.

40

222-113

TUBE NUT,9/16"-24

Flex tube fitting

1шт.

41

REF

INSTRUCTION

CARBURETOR - gas engine (See Figures 048 and 049A for proper carburetor)

1шт.

42

A36578

ROD

CABLE ASSEMBLY - carburetor choke control

1шт.

Выбрано товаров: 45