Запчасти Case W10B (058) - ELECTRICAL SYSTEM HARDWARE, DIESEL ENGINE (04) - ELECTRICAL SYSTEMS

Схема запчастей Case W10B - (058) - ELECTRICAL SYSTEM HARDWARE, DIESEL ENGINE (04) - ELECTRICAL SYSTEMS
FIT
1:1
100%

Артикул

Название

Примечание

Количество

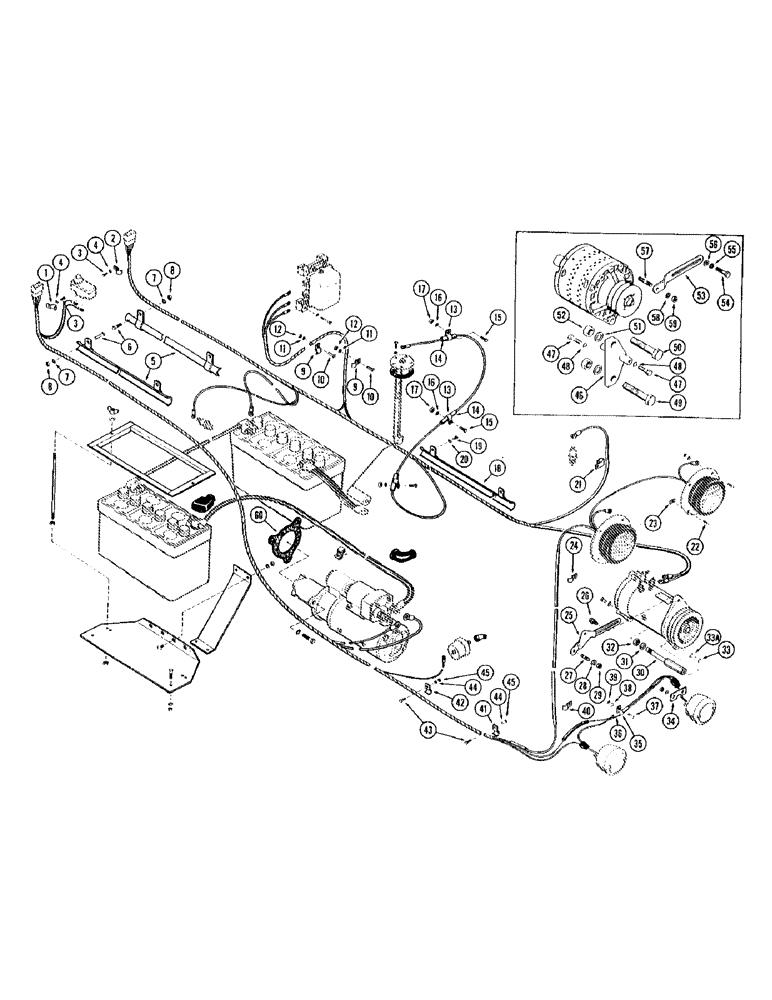
1

A10852

CLIP - L.H. rear harness to side plate

1шт.

2

A26696

NO LONGER SERVICED

CLIP - R.H. rear harness to side plate

1шт.

3

13-58

BOLT,Hex, 5/16" - 18 x 1/2", Gr 5

2шт.

4

92-5

LOCK WASHER,5/16"

2шт.

5

A12488

CONDUIT - harness protector

2шт.

6

13-414

BOLT,Hex, 1/4" - 20 x 7/8", Gr 5, Full Thd

4шт.

7

92-4

LOCK WASHER,1/4"

WASHER, LOCK, 1/4"

4шт.

8

25-104

NUT,1/4"-20, G5

4шт.

9

A7922

CLIP

- voltage regulator wire

2шт.

10

13-410

BOLT,Hex, 1/4" - 20 x 5/8", Gr 5, Full Thd

2шт.

11

92-4

LOCK WASHER,1/4"

WASHER, LOCK, 1/4"

2шт.

12

25-104

NUT,1/4"-20, G5

2шт.

13

A7922

CLIP

- fuel gauge sender wire

3шт.

14

A12458

SLEEVE

LOOM - wire protector

3шт.

15

13-410

BOLT,Hex, 1/4" - 20 x 5/8", Gr 5, Full Thd

3шт.

16

92-4

LOCK WASHER,1/4"

WASHER, LOCK, 1/4"

3шт.

17

25-104

NUT,1/4"-20, G5

3шт.

18

A28674

CONDUIT - rear, Serial Range: wiring-engine

1шт.

19

13-58

BOLT,Hex, 5/16" - 18 x 1/2", Gr 5

2шт.

20

92-5

LOCK WASHER,5/16"

2шт.

21

A7922

CLIP

- engine temperature wire

1шт.

22

75-412

SCREW,Rd, 1/4" x 3/4"

- machine, round head (1/4" - 20 NC x 3/4")

8шт.

23

131-132

SPRING NUT,Tinn, U, 1/4"-20

- Tinnerman (1/4" - 20 NC)

6шт.

24

A17287

CLIP - rear light, Serial Range: wire-grille

1шт.

25

A20750

STRAP - generator adjusting

1шт.

26

193-521

SCREW AND LOCKWASHER - 5/16" - 18 NC x 3/4"

1шт.

27

A7391

STUD

- adjusting strap

1шт.

28

95-6

WASHER,3/8"

- plain () 3/8"

1шт.

29

25-156

JAM NUT,Jam, 3/8"-24, G5

- hex., jam (3/8" - 24 NF)

1шт.

30

A22685

X

CARRIER - generator

1шт.

30

A34887

CARRIER

- generator

1шт.

31

95-12

WASHER,3/4"

- plain () 3/4"

1шт.

32

25-1112

NUT,3/4"-16, G5

- hex. (3/4" - 16 NF)

1шт.

33

14-616

BOLT,Hex, 3/8" - 24 x 1", Gr 5

HHCS - 3/8" - 24 NF x 1" (Used with A22685 carrier)

2шт.

33

25774R1

BOLT,Hex, 3/8" - 24 x 2", Gr 8

HHCS - 3/8" - 24 NF x 2" (Used with A34887 carrier)

2шт.

33a

92-6

LOCK WASHER,3/8"

2шт.

34

A16697

STRAP - mounting, taillight

2шт.

35

A27814

X

CLIP - taillight wire to radiator baffle

1шт.

36

A12458

SLEEVE

LOOM - wire protector

1шт.

37

13-412

BOLT,Hex, 1/4" - 20 x 3/4", Gr 5, Full Thd

1шт.

38

92-4

LOCK WASHER,1/4"

WASHER, LOCK, 1/4"

1шт.

39

25-104

NUT,1/4"-20, G5

1шт.

40

A7922

CLIP

- rear lamp wire

2шт.

41

A20541

CLIP

- L.H. rear, Serial Range: harness-frame

2шт.

42

A26696

NO LONGER SERVICED

CLIP - L.H. rear harness to rear plate

1шт.

43

13-516

BOLT,Hex, 5/16" - 18 x 1", Gr 5

3шт.

44

92-5

LOCK WASHER,5/16"

3шт.

45

9635082

NUT,5/16" - 18, Gr 5

- hex. (5/16" - 18NC)

3шт.

46

A56096

BRACKET

- alternator mounting

1шт.

47

13-720

BOLT,Hex, 7/16" - 14 x 1-1/4", Gr 5, Full Thd

2шт.

48

92-7

LOCK WASHER,7/16"

2шт.

49

13-1248

BOLT,Hex, 3/4" - 10 x 3", Gr 5

1шт.

50

13-1236

BOLT,Hex, 3/4" - 10 x 2-1/4", Gr 5

1шт.

51

92-12

LOCK WASHER,3/4"

WASHER, LOCK, 3/4"

2шт.

52

25-1012

NUT,3/4"-10, G5

2шт.

53

L15244

STRAP - alternator adjusting

1шт.

54

13-614

BOLT,Hex, 3/8" - 16 x 7/8", Gr 5, Full Thd

1шт.

55

92-6

LOCK WASHER,3/8"

1шт.

56

95-6

WASHER,3/8"

- plain () 3/8"

1шт.

57

A7391

STUD

- adjusting strap

1шт.

58

92-6

LOCK WASHER,3/8"

1шт.

59

25-106

NUT,3/8"-16, G5

- hex. (3/8" - 16 NC)

1шт.

60

A27933

GASKET

- starting motor

1шт.

Выбрано товаров: 63